Diagram Database

Posted by on 2020-12-29

Wiring Diagram Plc Star Delta

KOMPETENCJECYFROWE.VILOGDANSK.EU

Wiring Diagram Plc Star Delta

  • Star Delta
  • Date : December 29, 2020
  • Downloaded : 7162 times

Wiring Diagram Plc Star Delta Whats New

Diagram Plc

Downloads Wiring Diagram Plc Star Delta diagram place setting diagram place ekg leads diagram placement of pf 3001 xws 3002 diagrama plc diagram pltp diagram pltu diagram plot diagram plane diagram plant diagram plural diagram playmat diagram plotter diagram planning diagram plumbing diagram plasma membrane diagram plate boundaries diagram plumbing venting diagram plantar fasciitis diagram plot snow white diagram plotted with axes diagram plant cell labeled diagram planets and universe diagram plasma state of matter diagram plants and animals cells

  • Electrics Ebook U0026 Software Typical Circuit Diagram Of

  • Plc Program For Star Delta Motor Starter

  • Typical Circuit Diagram Of Star Delta Starter

  • Typical Circuit Diagram Of Star Delta Starter

  • Plc Program For Star Delta Motor Starter

  • Mitsubishi Plc Star Delta Wiring Diagram

  • Star Delta Starter Ladder Diagram

  • Typical Circuit Diagram Of Star Delta Starter

  • Star Delta Starter Plc Ladder Diagram Control Circuit Plc

  • Plc Program For Star Delta Motor Starter Instrumentation Tools

  • Simulasi Ladder Diagram Star-delta

  • Starting Three Phase Induction Motors Via Star

  • Wiring Diagram Plc Star Delta

  • Can You Show A Connection Diagram For A Star Delta Motor

  • Wiring Diagram For A Star Delta Starter

  • Star Delta Starter Control Wiring Diagram With Timer Pdf

  • Star Delta Starter Control Wiring Diagram With Timer Pdf

  • Star Delta Starter Control U0026 Power Circuit Diagram

  • Wiring Diagram Plc Star Delta

  • Program Starting Star Delta Menggunakan Cx Programmer Plc

  • How To Connect A Three

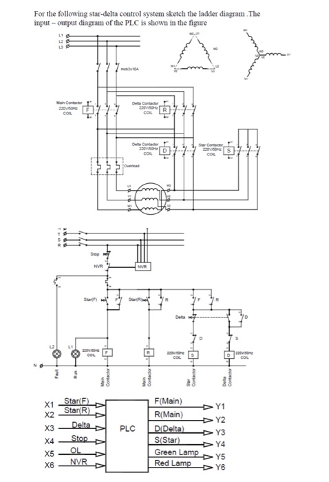
  • For The Following Star

  • Plc 3-phase Motor Start - Star-delta

  • Diagram Ladder Star-delta Cx-programmer

  • Typical Circuit Diagram Of Star Delta Starter

  • Star-delta Starter Plc Program And Wiring

  • Diagram Ladder Buat Belajar Elektro Mekanik

  • Blog Teknik U0026 Vokasi Program Plc Ladder Untuk

  • Plc Star Delta Ladder Diagram

  • Star Delta Connection Diagram And Working Principle

  • Siemens Wye Delta Starter Wiring Diagram

  • Star-delta Starter Plc Program And Wiring Part 14

  • Electrical Schematic Diagram For The Control Circuit Of A

Copyright © 2020 - KOMPETENCJECYFROWE.VILOGDANSK.EU


1937 Comments