Diagram Database

Posted by on 2020-12-29

Wiring Diagram Johnson 50 Hp Outboard

KOMPETENCJECYFROWE.VILOGDANSK.EU

Wiring Diagram Johnson 50 Hp Outboard

  • Hp Outboard
  • Date : December 29, 2020
  • Downloaded : 5990 times

Wiring Diagram Johnson 50 Hp Outboard Whats New

Diagram Johnson 50

Downloads Wiring Diagram Johnson 50 Hp Outboard 2000 50 hp johnson outboard wiring diagram 50 hp johnson outboard wiring diagram

  • Johnson Gearcase Parts For 1971 50hp 50esl71s Outboard Motor

  • Johnson Motor Cover

  • 50 Hp Evinrude Wiring Diagram

  • Johnson Power Trim And Tilt Parts For 1985 50hp J50belcob

  • Johnson Remote Control Parts For 1974 50hp 50esl74m

  • Johnson Gearcase Parts For 2000 50hp J50plssm Outboard Motor

  • Johnson Ignition System

  • Johnson Motor Cover Parts For 1971 50hp 50esl71s Outboard

  • Johnson Ignition System Parts For 1974 50hp 50esl74m

  • Johnson Carburetor Parts For 1974 50hp 50esl74m Outboard Motor

  • Johnson Ignition System Parts For 1972 50hp 50esl72c

  • Evinrude Exhaust Housing Parts For 1981 50hp E50belcic

  • Evinrude Wiring Diagram Outboards

  • Johnson Outboard Parts By Year 1972 Oem Parts Diagram For

  • Johnson Ignition System Parts For 1975 50hp 50es75b

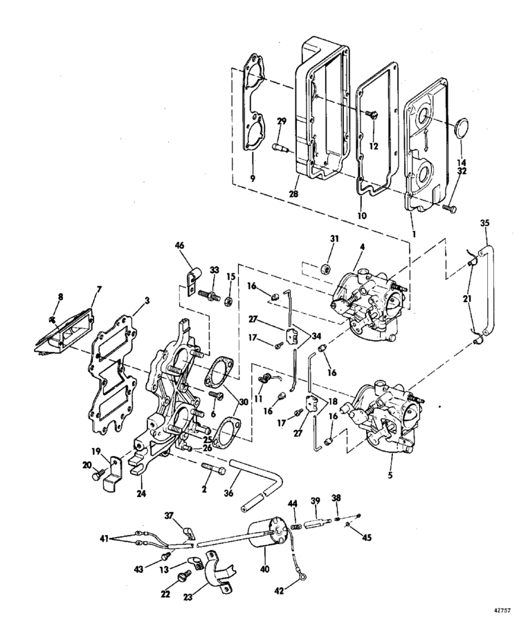
  • Johnson Carburetor

  • Johnson Power Trim Tilt Parts For 1998 50hp J50tslecc

  • Johnson Outboard Parts By Hp 50hp Oem Parts Diagram For

  • Johnson Intake Manifold Parts For 1995 50hp J50eleos

  • Johnson Jet Drive Unit Parts For 1997 50hp Bj50rleuc

  • Johnson Throttle Linkage Parts For 2005 50hp J50plsoc

  • 50 Hp Evinrude Wiring Diagram

  • Johnson Remote Control Parts For 1971 50hp 50esl71s

  • Johnson Intake Manifold Parts For 1974 50hp 50es74m

  • Johnson Carburetor Parts For 2000 50hp Bj50plssm Outboard

  • Johnson Water Pump Parts For 2002 50hp J50pl4snf Outboard

  • Johnson Outboard Parts By Hp 50hp Oem Parts Diagram For

  • Johnson Midsection

  • Johnson Power Tilt U0026 Trim Parts For 1989 50hp Tj50tlesf

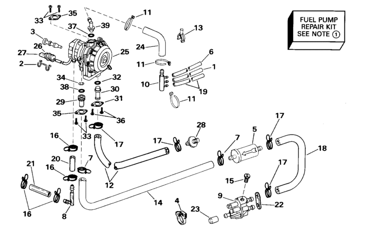
  • Fuel Pump Parts For 2000 50hp J50plssm Outboard Motor

  • Johnson Fuel Pump And Filter Parts For 1985 50hp J50belcob

  • 30 Evinrude Wiring Harness Diagram

  • 40 Hp Evinrude Parts Diagram

  • 50 Hp Evinrude Wiring Diagram

  • Evinrude Wiring Diagram Outboards

  • Wiring Diagram For 1999 50 Hp Outboard Ignition Switch

  • Johnson Carburetor Parts For 2003 50hp J50plstd Outboard Motor

  • J150tlcos Johnson Outboard Wiring Diagram

  • Johnson Cylinder U0026 Crankcase Parts For 1999 50hp J40wrees

  • Johnson Power Trim U0026 Tilt Parts For 2003 50hp J50pl4stc

  • 50 Hp Evinrude Wiring Diagram

  • Johnson Ignition System

Copyright © 2020 - KOMPETENCJECYFROWE.VILOGDANSK.EU


1937 Comments