Diagram Database

Posted by on 2020-12-30

Wiring Diagram Jetta A2 Español Gratis

KOMPETENCJECYFROWE.VILOGDANSK.EU

Wiring Diagram Jetta A2 Español Gratis

  • Español Gratis
  • Date : December 30, 2020
  • Downloaded : 6512 times

Wiring Diagram Jetta A2 Español Gratis Whats New

Diagram Jetta A2

Downloads Wiring Diagram Jetta A2 Español Gratis

  • Mascarilla Defroster Golf Jetta A2

  • Foto O Diagrama De Valvuras De Vacio Y Conectadas Al

  • Foto O Diagrama De Valvuras De Vacio Y Conectadas Al

  • Diagrama De Fusileria Jetta

  • D U00f3nde Est U00e1 Ubicado El Fusible De Direccionales

  • A2 Wiring Diagram

  • 2009

  • A2 Wiring Diagram

  • A2 Wiring Diagram

  • A2 Wiring Diagram

  • A2 Wiring Diagram

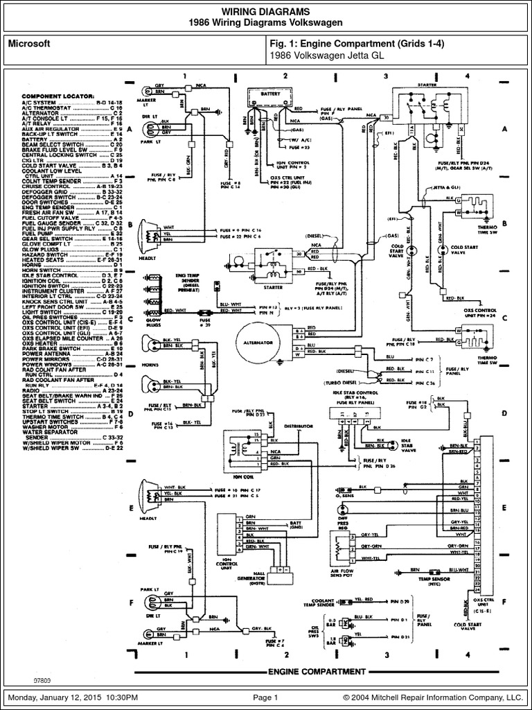
  • 1986 Volkswagen Jetta Gl Monday January 12 2015 10 30pm

  • Una Pregunta Para Valvulita

  • Ford Explorer 2002 2005 Manual De Taller Y Diagramas

  • Current Flow Diagram Vw Golf V

  • Manual De Taller Reparaci U00f3n Diagramas Mazda 323 1989

  • Manual De Reparacion Jetta A2 En Mercado Libre M U00e9xico

  • Diagram De Relevadores Jetta A3 En Mercado Libre M U00e9xico

  • Diagram De Relevadores Jetta A3 En Mercado Libre M U00e9xico

  • Diagram De Relevadores Jetta A3 En Mercado Libre M U00e9xico

  • Ficha

  • Manual Taller Megane 3

  • Manual Automotriz Ford Fusion 06

  • Corsar Manual De Usuario De En Mercado Libre M U00e9xico

  • 102662523

  • Ge 6533 Diagramas Y Manuales De Servicio De Motocicleta

Copyright © 2020 - KOMPETENCJECYFROWE.VILOGDANSK.EU


1937 Comments