Diagram Database

Posted by on 2020-12-30

Wiring Diagram Ge Washer G153

KOMPETENCJECYFROWE.VILOGDANSK.EU

Wiring Diagram Ge Washer G153

  • Washer G153
  • Date : December 30, 2020
  • Downloaded : 6124 times

Wiring Diagram Ge Washer G153 Whats New

Diagram Ge

Downloads Wiring Diagram Ge Washer G153 diagram gerund phrase diagram gerund diagram gen diagram german diagram genome diagram geometry diagram generator diagram ge junction diagram genetic drift diagram geologic time diagram generator free diagram genealogy family diagram geothermal energy diagram geometry definition diagram geography definition diagram geser balok gerber diagram gerhana matahari cincin

  • Ge Washer Model Whdsr315daww Water Leakage During The

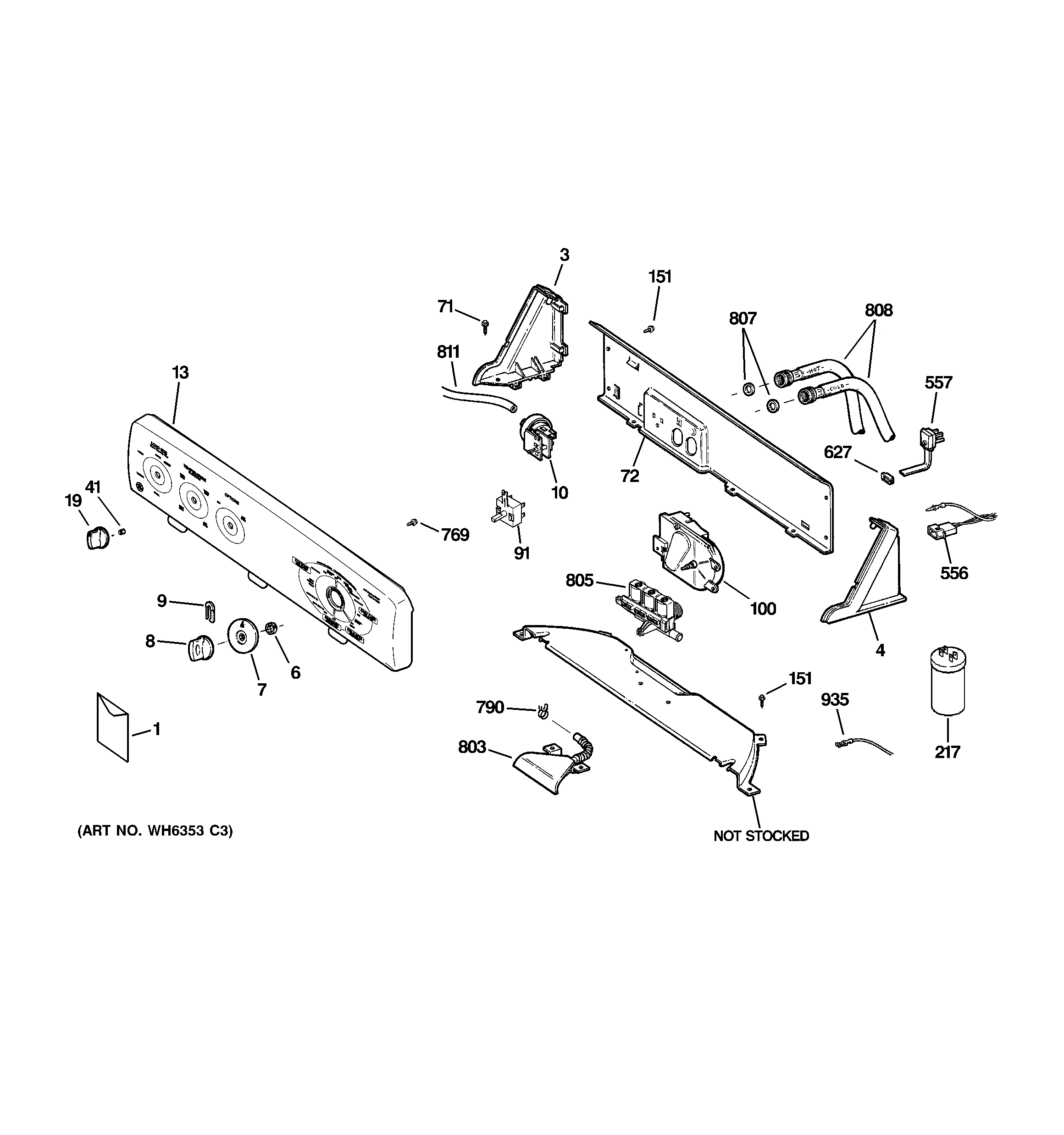
  • Ge Washer Parts

  • Ge Washer Parts

  • Hotpoint Washer Won U0026 39 T Spin

  • Washing Machine Wiring Diagram And Schematics

  • Ge Washer Model Wlsr3000g0ww The Tub Is Very Loose At

  • 20 Most Recent Ge Ewa5600gww Top Load Washer Questions

  • The Diagnostics Says The Motor Is Not Spinning Correctly Check

  • I Have A Ge Front Load Washer Model Wbvh6240fww I Have

  • Wh12x10281 We Have A Ge Profile Washer Wpgt9150hmg Serial

  • Ge Washer Parts

  • Wiring Diagram Of Washing Machine Motor

  • Ge Washer Wiring Diagram

  • Tub U0026 Motor Diagram U0026 Parts List For Model Wpdh8800j1ww Ge

  • Ge Washer Wjsr2070b2ww Schematic

  • I Have A Ge Profile Front Load Washer Wpxh214aoww It Is

  • Ge Front Load Washer

  • File Wiring Diagram Ge Washer G153

  • Ge Washer Parts

  • General Electric Wnsb8060b0ww Washer Timer

  • Ge Dishwasher Parts

  • Ge Gfwn1100d1ww Washer Parts

  • Looking For Ge Model Gtwn4950l0ws Washer Repair

  • General Electric Wnsb8060b0ww Washer Timer

  • Gtwn3000m1ws

  • Ge Dcl333ey0ww Dryer Parts

  • I Have A Kenmore Stackable Washer Dryer Model

Copyright © 2020 - KOMPETENCJECYFROWE.VILOGDANSK.EU


1937 Comments