Diagram Database

Posted by on 2020-12-29

Wiring Diagram Ford Transit

KOMPETENCJECYFROWE.VILOGDANSK.EU

Wiring Diagram Ford Transit

  • Ford Transit
  • Date : December 29, 2020
  • Downloaded : 6489 times

Wiring Diagram Ford Transit Whats New

Diagram

Downloads Wiring Diagram Ford Transit diagram diagram definition diagramming sentences diagram of heart diagram of the eye diagram of vagina diagrams.net diagrams online diagram of an atom diagram maker diagrama diagram designer diagram of ear diagram of human organs diagram of a microscope diagram of digestive system diagram of a volcano diagram of photosynthesis cycle diagram of a cell diagram of knee anatomy diagram of organs in body diagram of the brain 2016 ford transit wiring diagram wiring diagram for ford transit wiring diagram for 2018 ford transit van ford transit wiring diagram ford transit wiring diagram download ford transit mk2 wiring diagram wiring diagram ford transit 2005

  • Will This Explode And Burn My Van Down Wiring Diagram

  • Van Conversion Planning

  • Wiring Diagram For Ford Transit Connect

  • Ford Bus Manuals U0026 Wiring Diagrams Pdf

  • Wiring Diagram 2018 Ford Transit

  • Ford Bus Manuals U0026 Wiring Diagrams Pdf

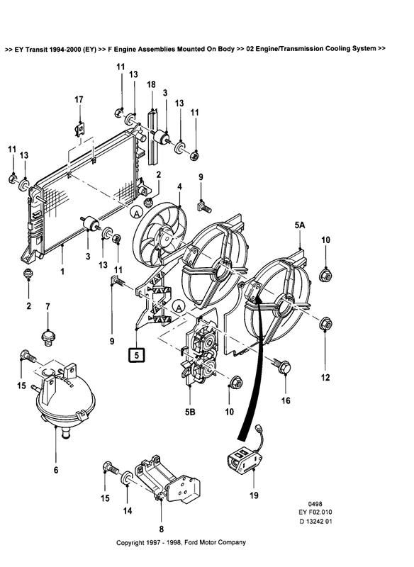
  • Ford Transit Diesel Engine Diagram

  • Ford Transit Forum U2022 View Topic

  • Wiring Diagram Ford Transit Graphic Van Radio

  • 27 2010 Ford Transit Connect Fuse Box Diagram

  • Ford Transit Forum U2022 View Topic

  • Ford Transit Forum U2022 View Topic

  • Ford Transit Forum U2022 View Topic

  • Ford Transit 2014 - 2018 - Fuse Box Diagram

  • Ford Transit Abs Wiring Diagram 20080

  • 20 Luxury Ford Trailer Wiring Diagram

  • Ford

  • Under

  • Ford Transit Connect Radio Wiring Diagram

  • 2015 Ford Transit

  • Fuse Box Location And Diagrams Ford Transit 2015

  • Ford Transit 2014 U2013 2018 U2013 Fuse Box Diagram

  • 2017 Ford Transit Connect Wiring Diagram Manual Original

  • 2016 Ford Transit Wiring Diagram Manual Original

  • 2012 Ford Transit Connect Wiring Diagram Manual Original

  • 2015 Ford Transit Wiring Diagram Manual Original

  • 2015 Ford Transit Connect Wiring Diagram Manual Original

  • 2016 Ford Transit Wiring Diagram Manual Original

  • Wiring Diagram For Ford Transit Connect

  • 2016 Ford Transit Connect Wiring Diagram Manual Original

  • 2015 Ford Transit Wiring Diagram Manual Original

  • 2015 Ford Transit Connect Wiring Diagram Manual Original

  • 2012 Ford Transit Connect Electrical Wiring Diagram

  • Ford Transit Forum U2022 View Topic

  • 2015 Parking Brake Wiring Diagram

  • Ford Transit Diesel Engine Diagram

  • Transit Mk7 Rear Light Wiring Diagram

  • Ford Transit Forum U2022 View Topic

  • 2016 Ford Transit

  • 2013 Ford Transit Connect Wiring Diagram Manual Original

  • Wiring Diagram For Ford Transit Connect

  • Ford Transit Forum U2022 View Topic

  • Ford Transit Forum U2022 View Topic

  • Fuse Box Location And Diagrams Ford Transit 2007

  • 2016 Ford Transit

  • Ford Transit 2000-2006 Fuse Box Diagrams

  • Auto Repair Manuals Ford Transit 2016

  • 60 Lovely Ford Transit Connect 2011 Wiring Diagram Pics

  • Diagram Ford Transit Wiring Loom Diagram Full Version Hd

  • Ford Transit 2006 U2013 2013 U2013 Fuse Box Diagram U2013 Circuit

  • Ford

  • Ford Transit 2016

  • Wiring Diagram For Ford Transit Connect

Copyright © 2020 - KOMPETENCJECYFROWE.VILOGDANSK.EU


1937 Comments