Diagram Database

Posted by on 2020-12-30

Wiring Diagram For Yamaha Moto 4 250

KOMPETENCJECYFROWE.VILOGDANSK.EU

Wiring Diagram For Yamaha Moto 4 250

  • 4 250
  • Date : December 30, 2020
  • Downloaded : 6918 times

Wiring Diagram For Yamaha Moto 4 250 Whats New

Diagram For Yamaha Moto

Downloads Wiring Diagram For Yamaha Moto 4 250

  • Yamaha 250 Timberwolf Voltage Regulator Wiring Diagram

  • Cool Only 96 Atv Yamaha 250 Moto Four Wiring Diagram

  • Yamaha Yfm250w Moto-4 1989 Front Suspension

  • 1989 Yamaha Moto 4 250 Wiring Diagram

  • Yamaha Moto 4 225 Wiring Diagram

  • Mz Etz 250 Wiring Diagram

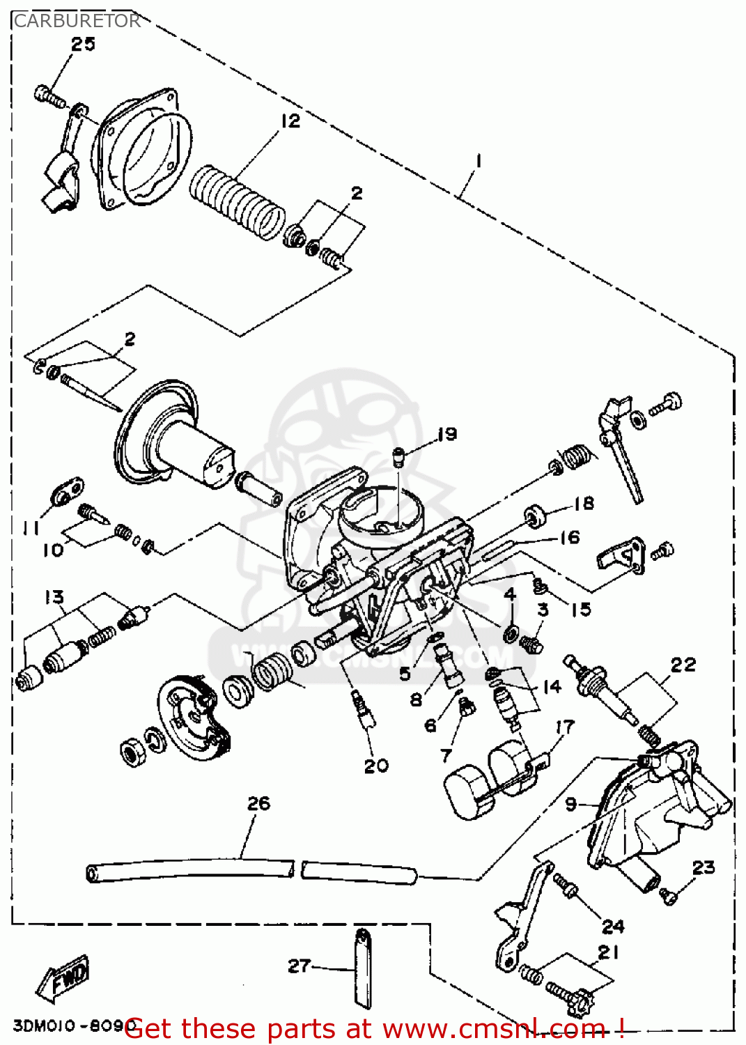
  • Yamaha Yfm250w Moto-4 1989 Carburetor

  • Yamaha 250 4 Wheeler Engine Diagram

  • Yamaha Yfm250w Moto-4 1989 Rear Brake Caliper

  • Yamaha Moto 4 250 Service Manual Repair 1989 By Ona Wax

  • Yamaha Moto 4 80 Wiring Diagram

  • Yamaha Yfm250w Moto-4 1989 Air Filter

  • Yamaha Atv 1986 Oem Parts Diagram For Carburetor

  • Yamaha 250 Wiring Image

  • Yamaha Yfm350 Big Bear Manual

  • Yamaha Xv250wc 1989 Carburetor

  • Yamaha Moto 4 Parts Diagram

  • I Have A 1988 Yamaha Moto

  • General Info Needed On The Yfm200 Moto4

  • Yamaha Moto 4 80 Wiring Diagram

  • 3wheeler World

  • 1985

  • 1989

  • Yamaha Moto

  • 3wheeler World

  • Yamaha Yfm80s Moto-4 1986 Electrical 1

  • 1986

  • Yamaha Moto

  • 1989 Yamaha Moto4 250 Yfm

  • 1985

  • Best Yamaha Moto 4 250 For Sale In Cochrane Alberta For 2020

  • Yamaha Moto4 Moto 4 200 225 250 Yfm Parts Parting Out

  • 1986

  • 1985 225 250 350 All Service

  • Yamaha Moto 4 Parts Diagram

  • Starter Fits Yamaha Moto 4 225 250 Yfm250 Yfm225 Moto

  • Yamaha Moto 4 Wiring Diagram

  • Yamaha 250 Bear Tracker Wiring Diagram

  • Yamaha 250 4 Wheeler Engine Diagram

  • Stator Starter Solenoid Ignition Coil Fits Yamaha Big Bear

  • Yamaha Moto 4 80 Wiring Diagram

  • 2010 Yamaha Yz 250 F Moto Zombdrive Com 250f Review

  • Yamaha Yfm200n 1985 Moto-4 Carburetor

  • Yamaha Moto

  • Yamaha 350 Moto 4 Wiring Diagram

  • Schema Electrique Quad Yamaha 350 Bruin

  • 3wheeler World

  • 3 Wheeler World - Tech Help

Copyright © 2020 - KOMPETENCJECYFROWE.VILOGDANSK.EU


1937 Comments