Diagram Database

Posted by on 2020-12-30

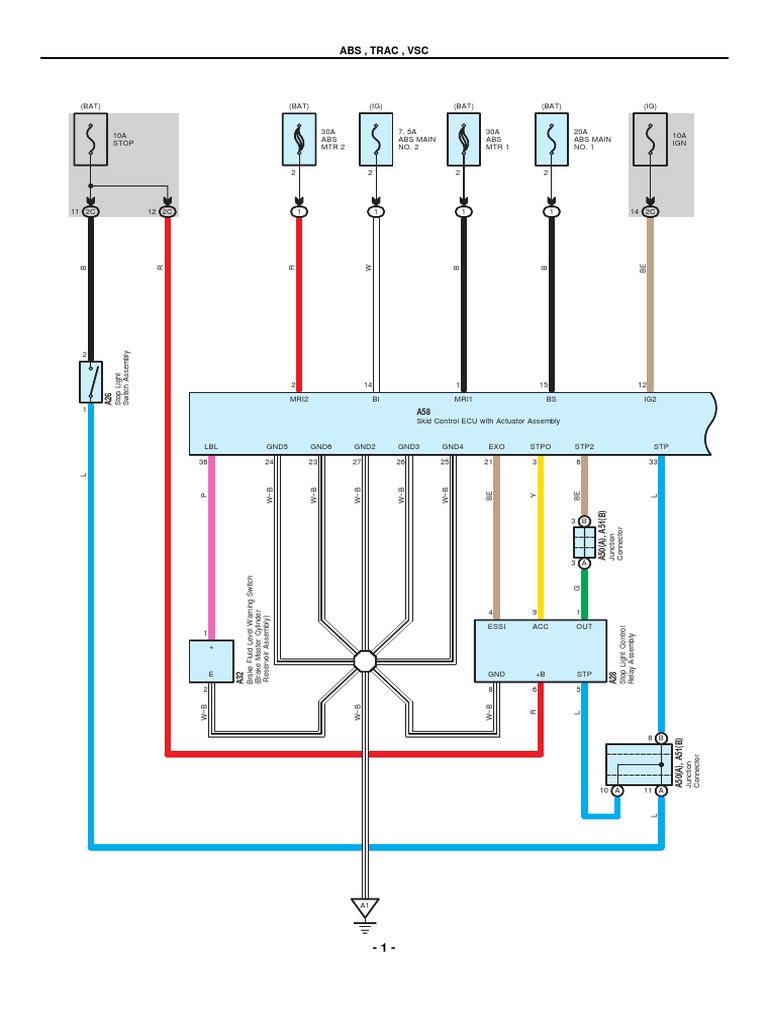
Wiring Diagram De Toyota Probox

KOMPETENCJECYFROWE.VILOGDANSK.EU

Wiring Diagram De Toyota Probox

  • Toyota Probox
  • Date : December 30, 2020
  • Downloaded : 6788 times

Wiring Diagram De Toyota Probox Whats New

Diagram De

Downloads Wiring Diagram De Toyota Probox diagram definition diagram designer diagram de diagram designs diagram define diagram defined diagram deck diagram decide diagram devops diagram designer.exe diagram deutsch diagram designer c# diagram designer app diagram designer ddd diagram designer mac diagram designer wpf diagram de gant diagram design tool

  • Toyota 1986 93

  • Deck Board U0026 Deck Trim Cover For 2002

  • Mounting For 2003 Succeed Ncp52

  • Diagramas Electricos De Autos Toyota

  • Resultado De Imagen Para Diagrama Electrico De Toyota

  • Diagramas Electricos De Autos Toyota 3

  • Diagram Car Stereo Wiring Harness Audio Cable Plug

  • Diagram Auto Car Stereo Wiring Harness Plug Adapter

  • Diagrama Electrico Automotriz Toyota

  • Toyota Manual De Taller Diagrama Electrico Toyota Prius

  • Diagrama Alternador Toyota

  • Toyota Probox 2019

  • Toyota

  • Toyota Avensis Toyota Avensis Diagrama Electrico Pdf

  • Toyota

  • Pimped Out Toyotum Probox

  • Automotriz Huancayo Recubrimiento De Toyota Probox

  • Diagram Toyota Corolla 86 Diagrama Computadora Full

  • Manual De Taller Diagramas Electrico Toyota Tacoma 2005

  • Diagrama De Vacio Toyota 22r-e

  • Toyota Probox

  • Toyota Probox 2006

  • Bobina Toyota Probox- Yaris Original 90919-02240 65

  • Ecu Computadora Probox Toyota

  • Toyota Probox 2006 Dx Gnv Remato

  • Reparacion De Un Motor Toyota Probox

  • Imcdb Org 2002 Toyota Succeed Tx Xp50 In U0026quot V Krasnoy

  • Sistema De Encendido Tipo Dis Toyota Probox Yaris 1nz

  • Toyota Probox U2013 Online Car Store

  • Usted Puede Llevarse Un Carro Toyota

  • Toyota Probox

  • Toyota Probox Van Dx 2005 Used For Sale

  • Front Axle Arm U0026 Steering Knuckle For 2003

  • Toyota Probox 2020 Prices In Pakistan Pictures U0026 Reviews

  • Encendido Toyota 1nz-fe Caja Automatica

  • 1zz Ecu Pinout U0e21 U0e35 U0e23 U0e39 U0e1b U0e20 U0e32 U0e1e

  • Manuales De Taller De Toyota

  • Reparacion Manual De Toyota Hilux Diagramas Electricos

  • Hola Estimados Necesito Conseguir El Diagrama De Vacio Del

  • Toyota 1995 - Diagramas Control Del Motor

  • Toyota Probox U2013 Online Car Store

  • Toyota Probox

  • Videoconferencia Diagrama De Luces Toyota 22r

  • Toyota Pick Up 22r 8 9 D22r8 Pdf Diagramas De Autos

  • Toyota

  • Vendo Toyota Probox A U00f1o 2003

  • Diagrama Electrico Automotriz Toyota

  • Ddmp Automotriz Diagrama Electrico Motor Toyota 5vz

  • 1 24 Scale Toyota Ncp160v Probox 2014 By Aoshima

  • Toyota

  • Toyota Probox U2013 Online Car Store

  • Diagramascar Diagramas De Toyota 2004

  • Pin De Cedrik Solorzano En Circuito El U00e9ctrico

  • Manual De Diagrama Cableado El U00e9ctrico Toyota Hilux 2005

  • Diagramas Electricos De Autos

  • Diagrama De Vacio Toyota 3sge

Copyright © 2020 - KOMPETENCJECYFROWE.VILOGDANSK.EU


1937 Comments