Diagram Database

Posted by on 2020-12-30

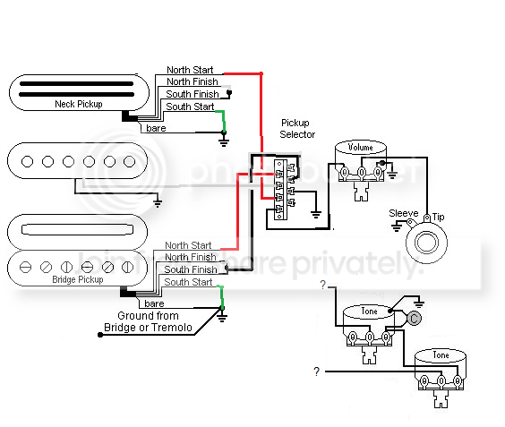
Wiring Diagram 5 Way Switch I 39m

KOMPETENCJECYFROWE.VILOGDANSK.EU

Wiring Diagram 5 Way Switch I 39m

  • I 39m
  • Date : December 30, 2020
  • Downloaded : 6546 times

Wiring Diagram 5 Way Switch I 39m Whats New

Diagram 5 Way Switch

Downloads Wiring Diagram 5 Way Switch I 39m fender 5 way switch diagram diagram strat 5 way switch dimarzio 5 way switch diagram wire diagram 5 way switch wiring diagram for 5 way switch wiring diagram strat 5 way switch prs 5 way switch diagram stratocaster 5 way switch diagram

  • Strat Wiring Diagram 5 Way Switch 1 Humbucker 2 Single 1

  • Guitar Kit Builder Understanding The 5

  • Wiring Diagram Fender Strat 5 Way Switch New Hsh Wiring

  • Find Out Here Fender Strat Wiring Diagram 5 Way Switch

  • 5-way Diagrams For Zen26 And Zen27 S2 Switches

  • Ganitrisna U0026 39 S Blogsite 2016

  • Overview For Thelunaticonthegrass

  • How To Wire A Strat 5 Way Import Switch

  • 5 Way Super Switch Wiring Diagram

  • The Inner Workings Of A 5

  • Wiring Help

  • Diagrams

  • Fender Five Way Super Switch 0992251000

  • Pickup Selector Switch Connections

  • 35 Schecter Diamond Series Wiring Diagram

  • 2 Humbuckers With 5 Way Rotary Switch Wiring Diagram

  • Build A Stratocaster

  • 5-way Super Switch Schematic

  • Ganitrisna U0026 39 S Blogsite 2016

  • Show Your Natural Finish Teles

  • Ibanez At10 Wiring Diagram

  • Ibanez Hh Wiring Comprehension Requested

  • Wiring Diagram 1 Humbucker 1 Single Coil 5 Way Switch

  • Four Si Hst18 U0026 39 S Build - Page 5

  • 5 Way Light Switch Wiring Diagram

  • Seymour Duncan 59 Custom Hybrid Sh

  • Water

  • 1v2t Strat 5 Way Switch Wiring Diagram

  • Hsh Wiring Diagram 3 Way Switch

  • 2 Humbucker 5

  • 3 Way Switch Wiring Diagram In 2020

  • 3 Switch Wiring Schematic Simple Strat 5 Switch

  • Wiring Diagram 2 Way Switch With Dimmer

  • 2 Switch Wiring Home Popular 4

  • Lutron 4 Way Dimmer Switch Wiring Diagram

  • Telecaster 5 Way Switch Wiring Diagram - Database

  • Diagram Request Pk H H Going Into Ibanez 5 Way Switch

  • Hsh Wiring Diagram 5 Way Switch

  • New Wiring Diagram Fender 5

  • Jeff Baxter Strat Wiring Diagram

  • Wiring Diagram For A 5 Way Switch For A Stratocaster

  • Telecaster 5 Way Super Switch Wiring Diagram

  • Basic Wiring Diagram For Four Way Switch With Dimmer

  • 5-way Super Switch Schematic

  • Wood Project Ideas Buy Guitar Pick Up Templates

  • 5-way Super Switch Schematic

  • Diagrams

  • S

  • Ganitrisna U0026 39 S Blogsite 2016

  • Hyderabad Institute Of Electrical Engineers August 2016

  • Leviton Decora 3 Way Switch Wiring Diagram

  • Here You Go Prs Players People Asked For A Diagram Of The

  • 5-way Super Switch Schematic

Copyright © 2020 - KOMPETENCJECYFROWE.VILOGDANSK.EU


1937 Comments