Diagram Database

Posted by on 2020-12-30

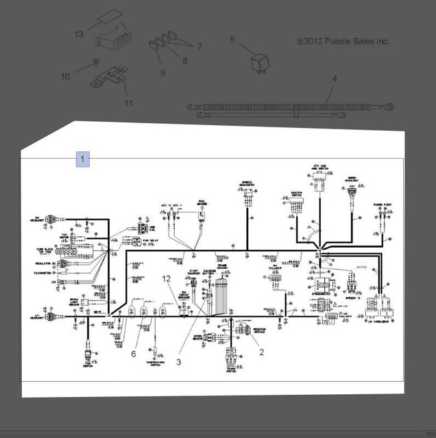
Wire Polaris Diagram 5 Cdi Cu2167

KOMPETENCJECYFROWE.VILOGDANSK.EU

Wire Polaris Diagram 5 Cdi Cu2167

  • Cdi Cu2167
  • Date : December 30, 2020
  • Downloaded : 7426 times

Wire Polaris Diagram 5 Cdi Cu2167 Whats New

Polaris Diagram 5

Downloads Wire Polaris Diagram 5 Cdi Cu2167

  • I Have A 1999 Polaris Slh Jet Ski The Previous Owner

  • I Have A Polaris Jet Ski Model Sltx 1050 3 Cylinder 1998

  • 2001 Polaris Scrambler 90 Wiring Diagram

  • Wiring Schematic For A 2002 Polari 700

  • How Do I Test A Stator On A Polaris Sportsmanmodel Already

  • 2004 Scrambler 500 Igention Switch Wiring Diagram

  • I Have A Polaris Jet Ski Model Sltx 1050 3 Cylinder 1998

  • 2001 Polaris Magnum 325 Wiring Diagram

  • Polaris Scrambler 90 Wiring Diagram

  • How Do I Test A Stator On A Polaris Sportsmanmodel Already

  • 2002 Polaris Pread 90 Losing My Mind

  • Polaris Wiring Diagram Needed

  • Polari Indy 400 Wiring Diagram

  • 1995 Polaris Magnum 425 Wiring Diagram

  • 92 Polaris 350l 4x4 Wiring Question

  • Polari Sportsman 90 Wiring Diagram

  • Polaris Atv 2009 Oem Parts Diagram For Electrical

  • No Spark Unless I Disconnect Cdi Box Ground

  • Polaris Side By Side 2012 Oem Parts Diagram For Electrical

  • Polaris Atv 2008 Oem Parts Diagram For Electrical Parts

  • 89 Indy 400 - Arcticchat Com

  • No Spark Odd Cdi System

  • 2002 Polaris Sportsman 500 Wiring Diagram Pdf

  • 2002 Polaris Sportsman 500 Wiring Diagram Pdf

  • Polari Sportsman 400 Fuse Box

  • Cdi Wiring Question

  • Ignition Coil Testing 2004 5 Sportsman 700

  • Polari 500 Wiring Diagram

  • Ignition Cdi Box For Polaris Scrambler 50cc 90cc 100cc

  • Ignition Cdi Box For Polaris Scrambler 50cc 90cc 100cc

  • 50 90 100 110cc Atv 2 Stroke Race Ignition Cdi Box For

  • How To Install A Polaris Stator U0026 Cdi Ignition Upgrade Kit

  • Cdi Module Fits Polaris Magnum 425 4x4 425cc 1995 1996

  • Ignition Cdi Box Unit 2 Stroke Polaris Scrambler Sportsman

  • 1979 Polaris Tx

  • Polaris Atv 2006 Oem Parts Diagram For Magneto Ld27aa Ab

  • 110cc Remote Wiring Question

  • Polari Indy 400 Wiring Diagram

  • Polari Sportsman Wiring Diagram Automotive

  • 20 Lovely Polaris Sportsman 500 Wiring Diagram

  • Peg Perego Polaris Sportsman 850 Twin Silver Parts

  • 1999 Slh 650 Distribution Box

  • Polaris Atv 2008 Oem Parts Diagram For Electrical

  • Polaris 500 Efi Indy Fuel Delivery Problem

  • My First 4wheeler

  • Xplorer 400 No Spark

  • Loncin 110cc Wiring Diagram 110 Atv Awesome Pit Bike Ideas

  • Polaris Wiring Diagram

  • 1987 Trailboss Es R 250cc 2 Stroke Stalling Out

  • Polari Sportsman 400 Fuse Box

  • 1997 Polaris Magnum 425 Wiring Diagram

  • Wiring Schematic For A 2002 Polari 700

  • Polaris Snowmobile 1995 Oem Parts Diagram For Magneto

  • Polari Sportsman Wiring Diagram Automotive

  • 150 200 250ccatv Quad Electric Full Set Parts Wire Cdi

  • Polari 500 Wiring Diagram

Copyright © 2020 - KOMPETENCJECYFROWE.VILOGDANSK.EU


1937 Comments