Diagram Database

Posted by on 2020-12-30

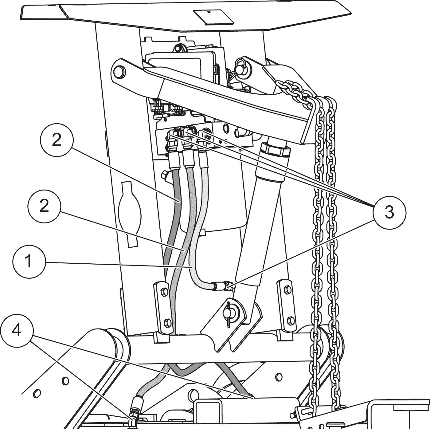
Wet Kit Diagram Hose 2

KOMPETENCJECYFROWE.VILOGDANSK.EU

Wet Kit Diagram Hose 2

  • Hose 2
  • Date : December 30, 2020
  • Downloaded : 6981 times

Wet Kit Diagram Hose 2 Whats New

Kit Diagram

Downloads Wet Kit Diagram Hose 2 kite diagram kite diagram diy kite diagram biology kite diagram geometry kite diagram generator kite diagram geography kite diagram definition kite diagram definition biology kite diagram maker kt diagram

  • Western Midweeight U0026 Pro Plow Series 2 Hoses Diagram

  • Husqvarna K 760 2009

  • Husqvarna K 3000 Wet 2009

  • Mtd Oem

  • Dr Power Accessory Kits Parts Diagram For Hose Adapters

  • 914world Com

  • 1991 Mr2 None Turbo 2 2l 5sfe A T Diagram U2013 Autopartone Com

  • Snapper 7063344

  • Jeep Wrangler Reservoir Power Steering Pump

  • New Wot And Css Options For The Upr Dual And Upr Mega

  • How To Remove No 1 Coolant Bypass Pipe On 1990 3vze

  • Repair Guides

  • Silicone Intercooler Hose Kit 850 S70 V70 C70 Turbo

  • Europaparts Com 034motorsport Catalog

  • Repair Guides

  • Rainbow Pn Pn

  • Repair Guides

  • Bearmach Defender U0026 Discovery 2 Td5 Oil Cooler To Coolant

  • Coolant Reservoir Hose Issue - Page 2

  • Model Truck Builder Com

  • Vacuum Hose Diagram For 83 S10 V6 2wd

  • 15668785

  • Lt1 Radiator Heater Core Hoses

  • Typical Mobile Hydraulic System Schematics

  • New Vacuum Hose Routing Diagram Sticker Vw Audi V6

  • 721453 Xx - Hydraulic Wet Kit For Truck-tractor

  • Vw Golf Mk7 Gti 2 0 Silicone Coolant Hose Kit

  • Craftsman 7 U0026 39 X 2 2 U0026quot Hose Replacement Kit

  • 1 2 In Hose Repair Kit

  • 79

  • Quick 2 U2033 Hose With 3 8 U2033 Fittings

  • Wayne 1 2 In X 24 Ft Sump Discharge Hose Kit With

  • Quick 2 U2033 Hose With 3 8 U2033 Fittings

  • Quick 2 U2033 Hose With 1 2 U2033 Fittings Bulk

  • Air Hose 1 2 Inch Repair Kit

  • 2000 Dodge Neon Vaccum Hose Diagram

  • Complete Wetline Kits

  • Vwvortex Com

  • Saab 9-3ss Sc 03-09 Intakehose

  • Repair Guides

  • Reelcraft Service Kit - 2ple4

  • Darkside Developments

  • Coilhose Pneumatics

  • Vw Jetta U0026 Golf 2 0l With Automatic Transmission Hose Kit

  • 1j0819809

  • 2 Meter Suction Hose Kit

  • Audi

  • Vw Mk3 Jetta U0026 Golf 2 0l With Manual Transmission Hose Kit

  • Coolant Silicone Radiator Hose Kit For Ford Focus St170

  • Volkswagen Passat Radiator Coolant Hose Adapter Upper

  • Vacuum Hose Diagram I Need A Vacum Hose Diagram For A

  • Repair Guides

  • Welding Supplies

  • Boost Hose Kit For The Vw T5 1 9tdi 2003

  • 12593486 Saab Pcv Hose Evap Purge Valve To Intake

  • Graco Xd 30 Hose Reel Repair Kits

  • Model Truck Builder Com

  • Fisher Xv2 - Hydraulics Diagram

Copyright © 2020 - KOMPETENCJECYFROWE.VILOGDANSK.EU


1937 Comments