Diagram Database

Posted by on 2020-12-30

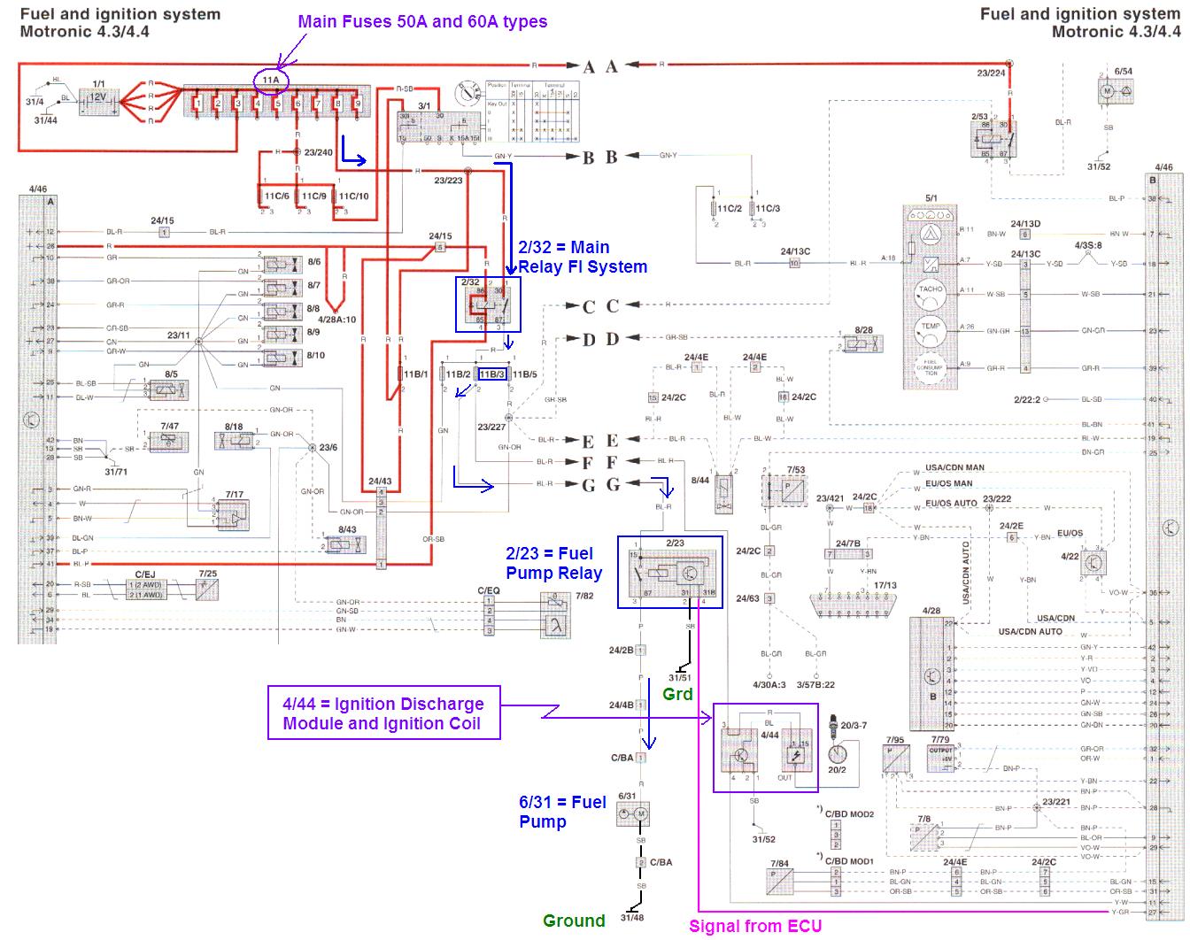
Volvo S70 V70 C70 Coupe 1998 Electrical Wiring Diagram Manual Instant

KOMPETENCJECYFROWE.VILOGDANSK.EU

Volvo S70 V70 C70 Coupe 1998 Electrical Wiring Diagram Manual Instant

  • Manual Instant
  • Date : December 30, 2020
  • Downloaded : 6752 times

Volvo S70 V70 C70 Coupe 1998 Electrical Wiring Diagram Manual Instant Whats New

S70 V70 C70 Coupe 1998 Electrical Wiring Diagram

Downloads Volvo S70 V70 C70 Coupe 1998 Electrical Wiring Diagram Manual Instant

  • Volvo S70 V70 C70 Coupe 1998 Electrical Wiring Diagram

  • Volvo S70 V70 C70 Coupe 1998 Electrical Wiring Diagram

  • 99 Volvo S80 Wiring Diagram

  • 99 Volvo S80 Wiring Diagram

  • 98 V70 Wiring Diagram

  • 2002 Volvo V70 Xc Wiring Diagram

  • 2000 Volvo S70 Wiring Diagram

  • Volvo C70 Convertible 1998 Electrical Wiring Diagram

  • Volvo Ewd 2011a Electronic Wiring Diagrams Download

  • Volvo Amazon Wiring Diagram

  • Volvo V70 Wiring Diagram 1999

  • Diagram 2000 Volvo S70 Engine Diagram Full Version Hd

  • 1998 Volvo S70 V70 C70 Coupe Wiring Diagrams Download

  • 1994 Volvo 850 Wiring Diagram

  • 2002 Volvo Xc70 Electrical Wiring

  • 98 V70 Wiring Diagram

  • Volvo Wiring Diagrams 850

  • Volvo Wiring Diagrams 850

  • Volvo S40 V50 S60 S70 V70 C70 Xc70 S80 Xc90 Workshop

  • Wiring Diagram Volvo 850 Glt 1993

  • Volvo Wiring Diagrams 850

  • Volvo Wiring Diagrams 850

  • Volvo Wiring Diagrams 850

  • Volvo Wiring Diagrams 850

  • Volvo Wiring Diagrams 850

  • Volvo Wiring Diagrams 850

  • Diagram 2004 Volvo Xc90 Stereo Wiring Diagram Full

  • V70 Wiring Diagram

  • V70r Manual Wiring Diagram 1998

  • Wiring Diagram Volvo S40 1997

  • Download Volvo C70 S70 V70 2000 Early Design Electrical

  • Volvo V70 Wiring Diagram 1999

  • Download Volvo C70 S70 V70 2000 Early Design Electrical

  • Download Volvo C70 S70 V70 2000 Early Design Electrical

  • 1999 2000 Volvo C70 S70 V70 Wiring Diagrams Service Manual

  • Volvo

  • Volvo V70 Xc Wiring Diagram

  • Wiring Diagram Volvo S40 1997

  • 2000 Volvo S70 Wiring Diagram

  • Wiring Diagram Volvo S40 1997

  • Diagram 2004 Volvo Xc90 Stereo Wiring Diagram Full

  • Volvo S70 Radio Wiring Diagram

  • Volvo Wiring Diagrams 850

  • Volvo C70 Repair Manual Download

  • Volvo C70 S70 V70 Wiring Diagrams 1999

  • Volvo Wiring Diagrams 850

  • Volvo 850 Stereo Wiring Diagram

  • Moon Roof Wiring Diagram 1998 Volvo S70

  • Lo 2477 2000 Volvo S70 Engine Diagram Also 1998 Volvo

  • 2002 Volvo Xc70 Electrical Wiring

  • 2000 Volvo S70 Wiring Diagram

  • Wiring Diagram Volvo S40 1997

  • Wiring Diagram Volvo S40 1997

  • 2002 Volvo Xc70 Electrical Wiring

  • Volvo Wiring Diagrams 850

  • Dt 5934 2000 Volvo S70 Engine Diagram Also 1998 Volvo

  • V70r Manual Wiring Diagram 1998

  • Download Volvo C70 2006 Electrical Wiring Diagram Manual

Copyright © 2020 - KOMPETENCJECYFROWE.VILOGDANSK.EU


1937 Comments