Diagram Database

Posted by on 2020-12-30

Volvo L90f Wiring Diagram

KOMPETENCJECYFROWE.VILOGDANSK.EU

Volvo L90f Wiring Diagram

  • Wiring Diagram
  • Date : December 30, 2020
  • Downloaded : 5999 times

Volvo L90f Wiring Diagram Whats New

L90f

Downloads Volvo L90f Wiring Diagram l90f volvo loader parts l90f l90f volvo l90f specs l90f for sale l90f volvo specs

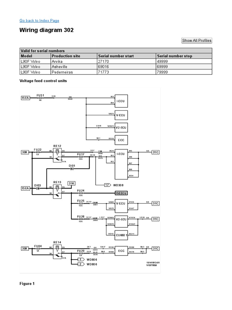
  • L90f Wiring Diagram 302 Voltage Feeds Pdf

  • Volvo L90f Service Manual Wiring Diagrams

  • Volvo Machine Full Shop Manual Dvd

  • Volvo L90f Wheel Loaders Service Manual

  • Deckel Fp1 Wiring Question

  • Auto Repair Manuals Volvo Machine Full Shop Manual Dvd

  • Volvo Machine Full Shop Manual Dvd

  • Wheel Loader Wiring Diagram

  • Wheel Loader Wiring Diagram

  • Toyota Vdj79r Air Con Amplifier

  • Volvo Construction Equipment Prosis 2011 Spare Parts Catalog

  • Volvo Construction Equipment Prosis 2011 Spare Parts Catalog

  • Wiring Cm927 To A Combi Ultracom Cxi Glow Worm

  • Wheel Loader Wiring Diagram

  • Volvo L90f Wheel Loader Workshop Service Repair Manual

  • Volvo Xc60 2014

  • 1959 411 Wiring Diagrams Please

  • U6c83 U5c14 U6c83 U914d U4ef6 U76ee U5f55 U7ef4 U4fee U624b U518cvolvo Prosis 2015 Parts Repair U8f6f U7ba1 U4fe1 U606f

  • Volvo Xc60 2014

  • Volvo Construction L90f Wheel Loader Factory Service

  • Wiring My Reversable Switch Problem

  • Free Volvo L90d Wheel Loader Service Repair Manual Instant

  • Volvo L90f Wheel Loader Service Repair Shop Manual

  • Volvo Prosis 2015 Parts Catalog U0026 Repair Manual

  • Volvo Xc60 2014

  • Hlv H Power Feed Wiring Picture Needed

  • 1971 Chevy Truck Wiring Diagram

  • Volvo Xc60 2014

  • Volvo Prosis 2010 Parts Repair Manual Parts Catalog

  • Volvo L90f Wheel Loader Service Repair Manual

  • Volvo Penta Exploded View Schematic Reverse Gear Ms2v A

  • Volvo L60f L70f L90f Wheel Loaders Factory Workshop

  • Directv Setup Using 2 Swm-32 Switch Cascading

  • Jd 110 Wiring Help - John Deere Tractor Forum

  • Connect Salus Rt500rf To Vailiant Ecotec Plus 824

  • Renault Car Radio Stereo Audio Wiring Diagram Autoradio

  • Pelican Parts Porsche 924 944 Electrical Diagrams

  • Wiring Ac Electric Drill Without Switch

  • Wiring For For Honeywell Thermostat

  • Pool Pump U0026 Timer Wiring Questions Motor Overheats

  • Allison 4th Generation Controls

  • Husqvarna 455 Rancher 2009

  • Wiring Hive 2 To A Greenstar Junior 28i

  • Assistance Wiring A Dayton Drum Switch

  • Volvo Machine Full Shop Manual Dvd

  • 4g93 Sohc Ecu Pinout For Galant Jdm

  • Installing A Non Rev Limited Ignition Coil On A Husqvarna

  • Volvo Training Ec55b

  • Stk N 11171733

  • Hive System Incorrect Wiring

  • Winnebago F53 Electric Brake Controller Installation How

  • New Dayton Motor Wiring

  • Ge Concord4 Installation - Wired Connection Overview

  • Wiring Help Needed For A 1

  • Installing Honeywell Dt92e Into Danfoss Wb12 Wiring Box

  • Fujitsu Ten Car Radio Stereo Audio Wiring Diagram

  • Carrier Condensing Unit Not Running

  • Honeywell To Hive Replacement

  • Help With Hobart Mixer 115v 1ph 1 3hp 60hz Motor

  • Lithonia Lighting Gtled - Dimming Capabilities

Copyright © 2020 - KOMPETENCJECYFROWE.VILOGDANSK.EU


1937 Comments