Diagram Database

Posted by on 2020-12-30

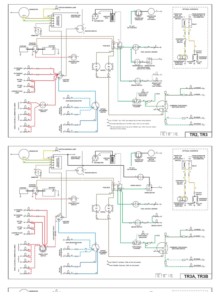
Triumph Tr4 Wiring Diagram

KOMPETENCJECYFROWE.VILOGDANSK.EU

Triumph Tr4 Wiring Diagram

  • Wiring Diagram
  • Date : December 30, 2020
  • Downloaded : 7343 times

Triumph Tr4 Wiring Diagram Whats New

Tr4

Downloads Triumph Tr4 Wiring Diagram tr4 tr4520 canon setup tr4500 ink tr4520 tr414 tr417 tr4085 tr416s tr4pwa1fu tr4522 tr4520 driver tr4500 driver tr45 staples tr4522 setup tr4500 download tr4500 printer tr4 triumph tr4 vs trx4 tr4520 drivers download tr4 vs tr6 tr4520 canon driver tr4 rocker shaft tr4520 ink cartridge tr4500 series driver tr4520 ink

  • 1965 Tr4 Wiring Tr4 U0026 Tr4a Forum Triumph Experience

  • Switch Wiring

  • Brian Humphreys

  • Tr4 Electrical Help Tr4 U0026 Tr4a Forum Triumph

  • Tr4a Overdrive Troubleshooting Tr4 U0026 Tr4a Forum

  • Tr4a Electric Diagram Lighting Switch Tr4 U0026 Tr4a Forum

  • Triumph Tr4a 1964

  • Tr4a Wiring Diagram - Tr4 4a Forum

  • Blog U2013 1963 Tr4 Engine Swap Project

  • Wiring Loom - Tr4 4a Forum

  • 1964 1965 1966 Triumph Tr4 Tr4a Tr

  • U0026 39 67 Triumph Tr4a Restoration June 2010

  • Triumph Tr Pdf Downloads

  • Tr4 U0026quot Running On U0026quot Issue - Tr4 4a Forum

  • Overdrive - Relay Switch - Tr4 4a Forum

  • Wiring Diagrams For Tr2 Tr3 Tr4 And Tr4a

  • Branchement Elec Overdrive Triumph Tr4

  • Revington Tr - Tr4a Plate Bh

  • Fusebox Upgrade - Tr4 4a Forum

  • 1965 Tr4 Wiring Tr4 U0026 Tr4a Forum Triumph Experience

  • Dan Masters Tr4a Wiring Diagrams - Tr4 4a Forum

  • Wiring Diagram - Tr6 Forum

  • Starter Solenoid Where Too U0026 39 S Spitfire U0026 Gt6 Forum

  • Triumph Tr Pdf Downloads

  • Picture

  • Phscollectorcarworld Tech Series Triumph Tr4 Wiring Diagrams

  • Wiring Harness And Diagram Tr4 U0026 Tr4a Forum Triumph

  • Overdrive Wiring U0026 Solanoid

  • Tr3 Wiring Diagram Tr2 U0026 Tr3 Forum Triumph Experience

  • Overdrive Wiring U0026 Solanoid

  • Minimum Wiring To Start Engine Tr2 U0026 Tr3 Forum Triumph

  • Bench Test Tr4a Wiper Motor Tr4 U0026 Tr4a Forum Triumph

  • Switch Wiring

  • Switch Wiring

  • Overdrive Wiring U0026 Solanoid

  • Tr4 Tr4a Glove Box Companion Wiring Harnesses Page 137

  • Tr4 4a Wiring To Tr4a Wiper Switch

  • Triumph Tr3b Tr4 - High Torque Starter

  • Tr4 Solenoid Switch Tr4 U0026 Tr4a Forum Triumph

  • 12 Volt Wiring Diagram Triumph

  • Heater Switch Spitfire U0026 Gt6 Forum Triumph

  • Wiring Loom

  • Revington Tr - Tr4 Plate Ba

  • 1974 Triumph Tr6 Wiring Diagram

  • Tr4a Wiring Diagram - Tr4 4a Forum

  • Tr4a Wiring Diagram - Tr4 4a Forum

  • Switch Wiring

  • Control Box Rb340 22amp 12volt Ncb130

  • Triumph Tr Pdf Downloads

  • Revington Tr - Tr4a Plate S

  • Overdrive Relay Replacement Options Tr6 Tech Forum

  • Heater Blower And Wipewr Swicth Wiring - Tr4 4a Forum

  • Tr4a Wiring Diagram - Tr4 4a Forum

  • Tr6 Tr6 Ignition Switch

  • Triumph Spitfire Wiring Diagram

  • Tr2 3 3a Tr3a Overdrive Wiring Harness Installation

Copyright © 2020 - KOMPETENCJECYFROWE.VILOGDANSK.EU


1937 Comments