Diagram Database

Posted by on 2020-12-30

Stereo Wiring Diagram Toyota Corolla 1998

KOMPETENCJECYFROWE.VILOGDANSK.EU

Stereo Wiring Diagram Toyota Corolla 1998

  • Corolla 1998
  • Date : December 30, 2020
  • Downloaded : 6549 times

Stereo Wiring Diagram Toyota Corolla 1998 Whats New

Wiring Diagram Toyota

Downloads Stereo Wiring Diagram Toyota Corolla 1998 toyota camry wiring diagram toyota electrical wiring diagram electrical wiring diagram toyota camry 2012 wiring diagram toyota prius wiring diagram toyota sunroof

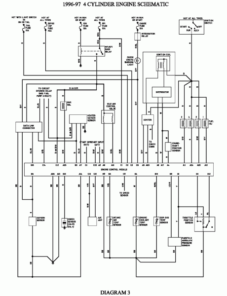
  • 1998 Toyota Corolla 1 8l Mfi Dohc 4cyl

  • 60 Beautiful Radio Wiring Diagram 1998 Avalon Images

  • 1998 Toyota Corolla Ignition Wiring Diagram

  • 1998 Toyota Corolla 1 8l Mfi Dohc 4cyl

  • 1998 Toyota Corolla 1 8l Mfi Dohc 4cyl

  • 1998 Toyota Corolla Wiring Diagram Manual Original

  • 1998 Toyota Corolla Electrical Wiring Diagrams Original

  • Toyora Corolla Wiring Diagram 1998

  • 2001 Toyota Corolla Wiring Diagram

  • 1998 Toyota Corolla 1 8l Mfi Dohc 4cyl

  • 1995 Toyota Avalon Radio Wiring Diagram

  • Carvox Cx 999 In A U0026 39 98 Corolla

  • 1998 Toyota Corolla Fuel Pump Wiring Diagram

  • Toyota Corolla 1998 - 2002 - Fuse Box Diagram

  • Toyota Manual Corolla 1992

  • 60 Best Of Toyota Corolla Power Window Wiring Diagram

  • Toyota Corolla Matrix Wiring Diagrams 1998 To 2016

  • 1998 Toyota Corolla Electrical Wiring Diagram Service Shop

  • Toyota Manual Corolla 1992

  • Toyota Corolla 20

  • Toyota Corolla 2014

  • Starting System Ignition 4e

  • 1996 Toyota Corolla Wiring Diagram Manual Original

  • 1998 Toyota Corolla Wiring Diagrams Electrical Service

  • Repair Guides

  • Free Auto Wiring Diagram May 2011

  • Toyota Manual Corolla 1992

  • Repair

  • 19 Awesome 2003 Toyota 4runner Stereo Wiring Diagram

  • Repair

  • C 12925439 Toyota

  • Repair

  • Toyota Corolla 1972 Wiring Diagrams

  • 1991 Toyota Corolla Wiring Diagram Manual Original

  • 1993 Toyota Corolla Wiring Diagram Manual Original

  • 1998 Toyota Corolla 1 8l Mfi Dohc 4cyl

  • Wiring Diagrams - Toyota Sequoia 2001 Repair

  • 1994 Toyota Corolla Wiring Diagram

  • Repair

  • 94 Corolla Cranks But Wont Start I Have Replaced The

  • 2010 Toyota Corolla Radio Wiring Diagram Pictures

  • Toyota Corolla Wiring Diagrams

  • 1989 Toyota Corolla Wiring Diagram Manual Original

  • Repair

  • Toyota Corolla Battery Cable Wire Engine No 3

  • 1998 Toyota Corolla Wiring Diagram

  • 2008 Toyota Corolla Wiring Diagram Manual Original

  • 1983 Toyota Corolla Wiring Diagram Manual Original

  • 2014 Ram 1500 Radio Wiring Diagram Download

  • Toyota Corolla Electrical Wiring Diagram

  • July 2017

  • 1998 Toyota Corolla Fuse Box Diagram

Copyright © 2020 - KOMPETENCJECYFROWE.VILOGDANSK.EU


1937 Comments