Diagram Database

Posted by on 2020-12-30

Slip Ring Motor Wiring Diagram

KOMPETENCJECYFROWE.VILOGDANSK.EU

Slip Ring Motor Wiring Diagram

  • Wiring Diagram
  • Date : December 30, 2020
  • Downloaded : 5953 times

Slip Ring Motor Wiring Diagram Whats New

Ring Motor

Downloads Slip Ring Motor Wiring Diagram motorcycle piston ring compressor tool ring motor ring motion detector ring motion sensor ring motion light ring motion distance ring motion floodlight ring motion subscription ring motion solar light ring motion flood lights ring motion settings distance ring motion detector 2nd gen ring motion sensor with pets ring motion light stays on ring motion detector battery charge ring motion sensor light and camera ring motion ring motion settings ring motion setup ring motion sensor cats ring motion sensor light ring motion detector battery

  • Schematics - Ring Around Wire On Diagram

  • Wiring Diagram Slip Ring Motor

  • Wiring Diagram Slip Ring Motor

  • Dc Servo Motor Circuit Diagram

  • Starting Of An Induction Motor

  • Kirloskar Motor Wiring Diagram

  • Difference Between Slip Ring U0026 Squirrel Cage Induction

  • How To Wire A Ring Main Diagram

  • How To Spur Off A Sockets Ring Circuit 61363

  • Slip Ring Wiring Methods Rpm Range And Operating

  • Construction Of Three Phase Induction Motor

  • Three Phase Slip Ring Rotor Starter Control U0026 Power

  • Ao Smith Dl1036 Wiring Diagram

  • Diagram High Torque Starter Wiring Diagram Ford Full

  • Three Phase Slip Ring Rotor Starter Control U0026 Power

  • Engineering Photos Videos And Articels Engineering Search

  • Wiring Diagram V Single Line Drawing

  • Spur Wiring Diagram

  • Wiring Diagram Slip Ring Motor

  • Guide To The Power Circuit And Control Circuit Of The

  • Manual Speed Controllers For Wound

  • Small Power Transformer Telephone Ring Generator

  • Slip Ring Motor Starter Wiring Diagram

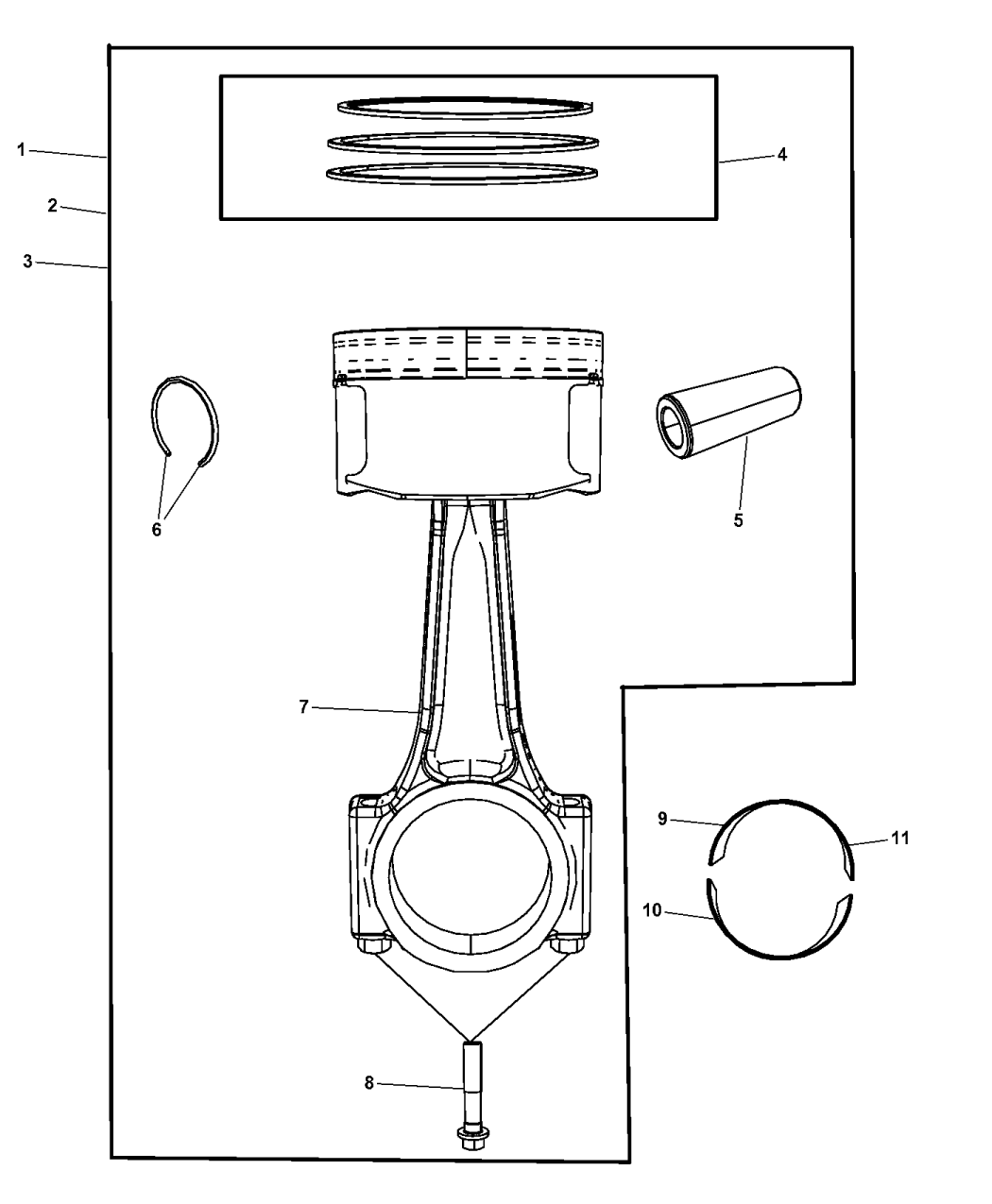
  • Engine Rod Diagram

  • Marathon 48y Frame 5kh39qn5512t Open Drip Proof Belt Drive

  • Piston 6 Cylinder Engine Diagram

  • Brake Test On 3 Phase Induction Motor Theory Pdf

  • Saipwell Wiring Connector 185mm2 Jg Lot

  • Briggs And Stratton 350447

  • Ignition System Continued Parts For 1989 48hp J48eslcer

  • Starter Solenoid Diagram

  • Slip Ring Motor Starter Wiring Diagram

  • Slip Ring Electric Motor Wound Rotor Motor Wiring Diagram

  • Mars Direct Drive Blower Motor Wiring Diagram

  • 5kw Electric Start Kit Cw Dire Fits Yanmar L100 Diesel

  • Alpak Induction Motor Wiring Diagram

  • 2002 Acura Tl Fuel Injector Cushion Ring Manual

  • Wiring Diagram For Single Doorbell

  • Ge Electric Motor Wiring Diagram For 220 Volts

  • Wiring Diagram Bathroom New Phase Motor Starter Wiring

  • Assembly

  • Dtmf Decoder Using Mt8870 U2013 Circuit Wiring Diagrams

  • How To Wire Socket Outlets In A Domestic Installations

  • Simple Electric Motor Vector Diagram Stock Vector

  • Kohler Sv710

  • 33 Fanuc Encoder Cable Diagram

  • Honda Engines Gxv530u Dxa1 Engine Jpn Vin Gjaek

  • Tip Ring Sleeve Wiring

  • Single Phase 3 Sd Motor Wiring Diagram

  • 2005 A6 4 2 Engine Diagram

  • Marathon 48y Frame 5kh39qn5512t Open Drip Proof Belt Drive

  • Doorbell Wiring Diagrams

  • Contactor As An Important Part Of The Motor Control Gear

  • Pre

  • Wiring Diagram Of Slip Ring Starter Wiring Diagram Of

  • 2011 Dodge Avenger Engine Diagram

Copyright © 2020 - KOMPETENCJECYFROWE.VILOGDANSK.EU


1937 Comments