Diagram Database

Posted by on 2020-12-30

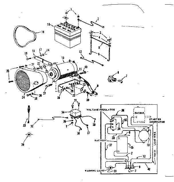
Sears Suburban 15 Tractor Wiring Diagram

KOMPETENCJECYFROWE.VILOGDANSK.EU

Sears Suburban 15 Tractor Wiring Diagram

  • Wiring Diagram
  • Date : December 30, 2020
  • Downloaded : 7256 times

Sears Suburban 15 Tractor Wiring Diagram Whats New

Suburban 15 Tractor

Downloads Sears Suburban 15 Tractor Wiring Diagram

  • Craftsman Sears 15 Hp Suburban Tractor Wiring Diagram

  • Got Another Suburban - Page 3 - Mytractorforum Com

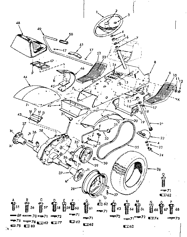
  • Sears Craftsman Garden Tractor Parts

  • Troy Bilt 13064 12 5hp Hydro Suburban Tractor S N

  • 60 Fresh Craftsman Lawn Mower Tractor Wiring Diagram

  • Suburban Electrical Rats Nest - Mytractorforum Com

  • Craftsman Sears 15 Hp Suburban Tractor Parts

  • Troy Bilt 13064 12 5hp Hydro Suburban Tractor S N

  • Sears Ss 14 - Mytractorforum Com

  • Mytractorforum Com

  • Troy Bilt 13065 14hp Hydro Suburban Tractor S N

  • Craftsman Model 91725381 Lawn Tractor Genuine Parts

  • Sears Suburban Electrical

  • Troy Bilt 13065 14hp Hydro Suburban Tractor S N

  • Ss12 New Ign Switch - Sears Craftsman Tractor Forum

  • Re Wiring A Garden Tractor- Looking For Tips

  • Troy Bilt 13064 12 5hp Hydro Suburban Tractor S N

  • Troy Bilt 13064 12 5hp Hydro Suburban Tractor S N

  • Troy Bilt 13027 14hp Hydro Suburban Tractor S N

  • Troy Bilt 13064 12 5hp Hydro Suburban Tractor S N

  • Case Wiring Diagram Needed - Mytractorforum Com

  • Sears Ss14 Garden Tractor Parts

  • Tractor 1970 Toro 10hp U0026 12hp Suburban D U0026a Ipl Wiring

  • Dn 0712 Sears Ss12 Wiring Diagram Download Diagram

  • Troy Bilt 13064 12 5hp Hydro Suburban Tractor S N

  • Mower Electrical Drawing

  • Wiring Diagram For Ss12

  • Sears Craftsman Gt5000 Garden Tractor Parts

  • Sears Ss14 Starter Generator Polarization Etc

  • Craftsman Sears Suburban 12 Hp Tractor Parts

  • 917 253502 Craftsman Lawn Tractor 17 5 Hp 42 Inch Mower 6

  • Craftsman Sears Suburban 12 Hp Tractor Parts

  • Craftsman Sears Suburban 12 H P Tractor Parts

  • Craftsman Suburban 12 Hp Tractor Wiring Diagram Parts

  • 1971 Sears Suburban Ss12 Wiring Diagram

  • Toro 55302 950 Suburban Lawn Tractor 1969 Sn 9000001

  • Wiring Diagram For A Bolens 15 5 Hp Mower

  • Case Wiring Diagram Needed - Mytractorforum Com

  • Gallery Of Sears Lawn Tractor Wiring Diagram Download

  • Gallery Of Sears Lawn Tractor Wiring Diagram Download

  • Roper Mower Wiring Diagram

  • Craftsman Sears 12 Hp Suburban Tractor Transaxle Parts

  • 917 25751 Ignition Switch Diagram

  • Mytractorforum Com

  • Craftsman Gt6000 Electrical Help Needed Please

  • Sears Suburban Electrical - Page 3

  • Troy Bilt 13065 14hp Hydro Suburban Tractor S N

  • Pin On Truck Diagram

Copyright © 2020 - KOMPETENCJECYFROWE.VILOGDANSK.EU


1937 Comments