Diagram Database

Posted by on 2020-12-29

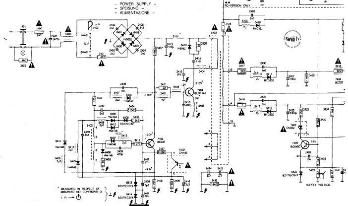
Schematic Diagram Ncr 5018 Monitor

KOMPETENCJECYFROWE.VILOGDANSK.EU

Schematic Diagram Ncr 5018 Monitor

  • 5018 Monitor
  • Date : December 29, 2020
  • Downloaded : 6489 times

Schematic Diagram Ncr 5018 Monitor Whats New

Diagram Ncr

Downloads Schematic Diagram Ncr 5018 Monitor diagram creator diagram creator free diagram create diagram crust diagram cramps diagram creation diagram crochet diagram crossword diagram creator app diagram creator tool diagram creator google diagram creator online diagram creation tool diagram creating online diagram creation online diagram crochet flower diagram crossword clue diagram creating software diagram creation software diagram cranial nerves diagram crochet patterns diagram creator online free diagram craftsman 42 deck diagram cranial nerves head

  • Untitled Document Chrishegter Co Za

  • 8 Inch Lcd Display 8 U201c Tft Lcd Display Gd102m03

  • Untitled Document Chrishegter Co Za

  • Block Diagram

  • Untitled Document Chrishegter Co Za

  • Untitled Document Chrishegter Co Za

  • 5 Inch Tft Digital Lcd Monitor

  • Ncr Connected Payments For Restaurants Easy Secure Cloud

  • Assembly View For Insulator Parts

  • Untitled Document Chrishegter Co Za

  • Assembly View For Insulator Parts

  • Ncr Connected Payments - Payment Security

  • Supply Monitor

  • Max8810a Vrd11 Vrd10 K8 Rev F 2 3 4

  • Lcd Screen Wiring Diagram

  • Cat5 Module Wiring Diagram

  • Pikmodul U0411 U0430 U0437 U0430 U0437 U043d U0430 U043d U0438 U0439 U0411 U0430 U043d U043a U043e U043c U0430 U0442 U0447 U0438 U043a U0440 U0443

  • Map Of Ncr Of Delhi Depicting Air Quality Monitoring

  • Philips Ncr

  • Energies

  • Quality Control

  • Philips U2013 P U00e1gina 90 U2013 Diagramasde Com U2013 Diagramas

  • Dispenser U0411 U0430 U0437 U0430 U0437 U043d U0430 U043d U0438 U0439 U0411 U0430 U043d U043a U043e U043c U0430 U0442 U0447 U0438 U043a U0440 U0443

  • Map Of Delhi

  • A Map Of Ncr With City Labels

  • Pisonet Wiring Diagram Tutorial

  • Map Of Monitoring Stations In The Delhi

  • Philips U2013 P U00e1gina 70 U2013 Diagramasde Com U2013 Diagramas

  • Cat5 Module Wiring Diagram

  • Panasonic Ncr 18650b Battery And The Testing Battery

  • 24 Three Phase

  • Channel Master Rotor Wiring Diagram

  • We Repair This

  • Sagittal Mri Showing The Cono

  • Cisco System Model Classeqptdiag Subjtestrslt

  • Untitled Document Chrishegter Co Za

  • Philips Gr1

  • Dismantling Of Monitor Television Extraction Of

  • Npe32 4 Pole 1phase Dedicated

  • Frequency Flexible M2m Terminal Modem Development

  • Untitled Document Chrishegter Co Za

  • Tunnel Monitoring

  • Radiant Ncr Aloha System Complete W 2 P1530 Terminals

  • High Speed Coreless Pos Paper Ecg Paper Cad Paper Slitter

  • Kenwood Dnx9990hd

  • Time Series Of Ambient Pm10 Concentrations U00b5 G U00b7m U22123

  • Ppt

  • Choose And Buy The Latest Air Conditioner For Your Home

  • Teradata Unity

  • Ppt

  • Ilink Professionals Inc Store

  • Untitled Document Chrishegter Co Za

  • Sam U00ae Microsound Stainless Steel Fan Filter Units

  • Eco43a 4 Pole

  • Though There Are Some Other Things That Do Not Come With

  • Point Of Sale

  • Number Of Follwers For 34 Ncr Civic Organizations

Copyright © 2020 - KOMPETENCJECYFROWE.VILOGDANSK.EU


1937 Comments