Diagram Database

Posted by on 2020-12-29

Reliability Block Diagram 2 Out Of 3

KOMPETENCJECYFROWE.VILOGDANSK.EU

Reliability Block Diagram 2 Out Of 3

  • Of 3
  • Date : December 29, 2020
  • Downloaded : 6110 times

Reliability Block Diagram 2 Out Of 3 Whats New

Block Diagram 2 Out

Downloads Reliability Block Diagram 2 Out Of 3

  • Block Diagram Of The Criticality Accident Alarm System

  • 2 3 Block Diagram Of Non

  • 8253ppt

  • 2 3 Simplified Block Diagram Of The Video

  • If All Components In The Reliability Block Diagram

  • Grade 6 Unit 4 6

  • Reliability Block Diagrams A Series B Parallel C

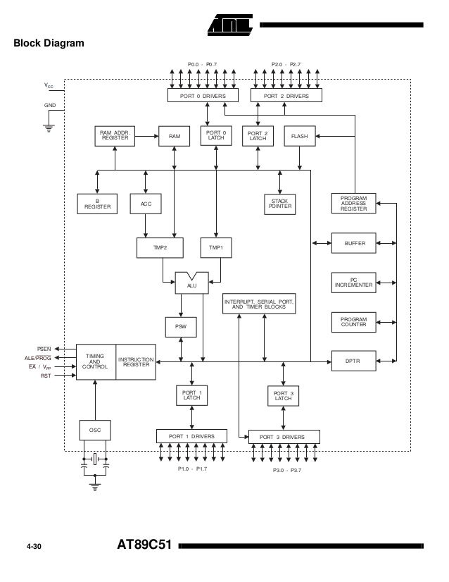
  • At 89c51

  • Stack Computers 5 2 Architecture Of The Frisc 3 Sc32

  • Block Diagram Reduction Rules

  • Homework And Exercises

  • 3

  • Diodes Incorporated Designs Usb 3 2

  • Solved A Simplify And Determine Y S R S For The Block

  • Two Blocks Are In Contact On A Frictionless Table A

  • Figure 3

  • Block Diagram Of Iot Based Home Security A Raspberry Pi

  • Block Diagrams For Two Alternative Versions Of A Speaker

  • Emg Block Diagram Explanation

  • Explain Pll Using Block Diagram Of Ic 565

  • Block Diagrams - Statistics

  • Non-blocking Matrix Switches

  • Wago O

  • Techpicz Familiarization Of Multimeter

  • Block Diagrams

  • Myriad-rf 1

  • Xdevs Com

  • Usb Transceivers

  • Ra

  • Problem 3 10

  • Limited Fan

  • Block Diagram Of Two Mass Drive Train Models

  • Input Isolation For 3-wire Analog Outputs

  • Solved Question 18 Of 22 U0026gt Block Diagrams Representing Th

  • Block Diagram Of Blowfish 3

  • Avalue Ecm

  • Converting Truth Tables Into Boolean Expressions

  • Radiometrix - Radio Modules - Rf Modules

  • Ee 346 Lab 4a U2013 Arxterra

  • 3 2 Block Diagram

  • Negative Feedback

  • Ddr3 Sdram

  • Extraordinary Orbital Systems

  • N6qw Homebrew Radio A New Line Of Transceivers

  • 3 Way Fridge Wiring

  • Plane Geometry Vector Shapes Library

  • How To Interface The Mojo V3 Fpga Board With A 16x2 Lcd

  • Block Diagram Representation Of Target Areas Legend

  • Planet Analog - Precision Hub

  • Solved 1 Design A Circuit To Multiply Two 2

  • System Block Diagram Of Life Detector For The Lower

  • Density Based

  • Comparator

  • Acis

  • 04 Cache Memory

  • Block Diagram Of Pacemaker System

  • Block Diagrams Colossians Rev 2

  • Msi Counters

  • Mazda 6 2 3 2004 Fuse Box Block Circuit Breaker Diagram

Copyright © 2020 - KOMPETENCJECYFROWE.VILOGDANSK.EU


1937 Comments