Diagram Database

Posted by on 2020-12-29

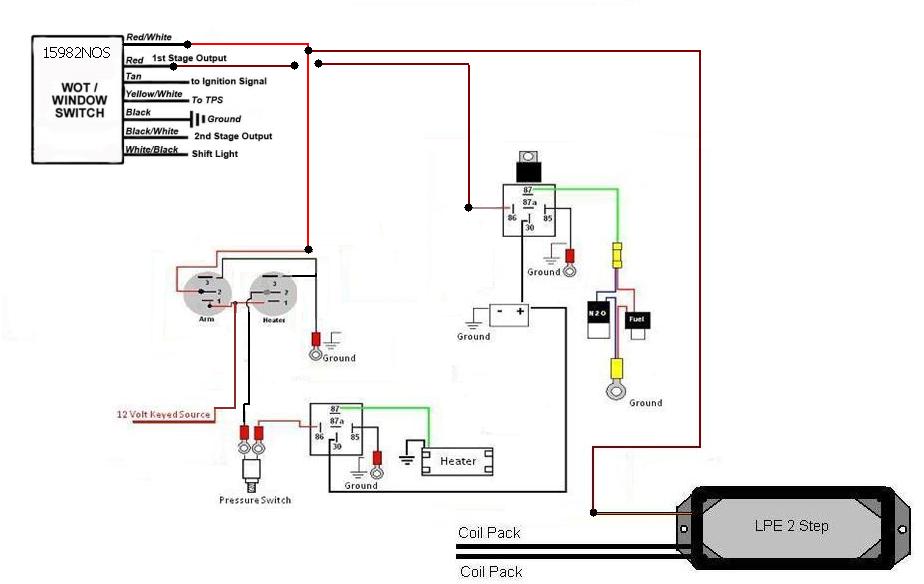
Nos Mini Progressive Controller Wiring Diagram

KOMPETENCJECYFROWE.VILOGDANSK.EU

Nos Mini Progressive Controller Wiring Diagram

  • Wiring Diagram
  • Date : December 29, 2020
  • Downloaded : 6470 times

Nos Mini Progressive Controller Wiring Diagram Whats New

Mini Progressive Controller

Downloads Nos Mini Progressive Controller Wiring Diagram nos mini progressive controller nos mini progressive controller instructions nos mini progressive nitrous controller

  • Lnc 2000 And Nos Mini Progressive Wiring Look Correct

  • Lnc 2000 And Nos Mini Progressive Wiring Look Correct

  • Need Help Wiring Nos 2 Stage Mini Progressive Controler

  • Nos Mini Controller 15974 Install Hiccup

  • Nos Mini Progressive Issues See Here - Ls1tech

  • Nitrous Related Wiring - Page 2

  • Leash Dual Stage Nitrous Progressive Controller

  • Wiring Diagram For Lnc-002 And Nos Mini Controller

  • Nos Mini Controller Wiring

  • Lnc2000 U0026 Nos Mini 2 Stage Controller Install 15974

  • My Wiring Diagram Lnc002 Nos Mini Dedicated Fuel

  • Lnc2000 U0026 Nos Mini 2 Stage Controller Install 15974

  • Wiring Diagram For Nitrou

  • 71900 Manuals

  • S300 Plus Fjo Nitrous Controller - Honda-tech

  • Wiring Diagram For Lnc-002 And Nos Mini Controller

  • Nitrous Related Wiring - Ls1tech

  • Burgerman U0026 39 S Diy Nitrous Kits Electrical And Pulse Width

  • Nitrous And Tps Wire Tap - Corvetteforum

  • Nitrous Controller Help - Ls1tech

  • Leash Electronics U0026 Nos Mini - Ls1tech

  • Nos Mini 2 Stage Progressive Controller

  • Wiring Diagram For Nitrou

  • Nitrous Activation

  • Need Help With A Wiring Diagram For Nitrous

  • Canon Remote Controller Wiring 2 5mm Mini

  • F4 Advanced Flight Controller

  • Track Testing The Ls2 Nitrous Kit From Nos

  • Nos Mini Controller 15974 Install Hiccup

  • Ps3 Mini Usb Wiring Diagram

  • Nitrous Outlet Mustang Nos Mini 2

  • How To Usb A Ps1 Controller For The Playstation 3 Wiring

  • N2o Leash Video Instructions 1

  • Hand-held Mini Progressive Nitrous Controller

  • Feniex 4200 Mini Controller Close-up

  • Feniex T3 And 4200 Mini Controller Install

  • Fjo Progressive Nitrous Mini

  • Sonoff Mini U0026 R3 Smart Switches Support A Diy Rest Api

  • Ps3 Mini Usb Wiring Diagram

  • Nos Mini Controller 15974 Install Hiccup

  • Nitrous Related Wiring - Page 3 - Ls1tech

  • Nos Mini Wiring Diagram

  • Leash Single Stage Nitrous Relay Board With Transbrake

  • Free Auto Wiring Diagram 1964

  • Fjo Progressive Nitrous Mini

  • Induction Solutions Releases Npc

  • Mini Xlr Connector Wiring Diagram

  • N2o Leash Progressive Programming And Ramps

  • Awesome Rascal 245 Wiring Diagram Diagrams Schematics

  • Best Wiring Diagram Polaris E Bike For Controller

  • Nitrous Related Wiring - Page 15 - Ls1tech

Copyright © 2020 - KOMPETENCJECYFROWE.VILOGDANSK.EU


1937 Comments