Diagram Database

Posted by on 2020-12-29

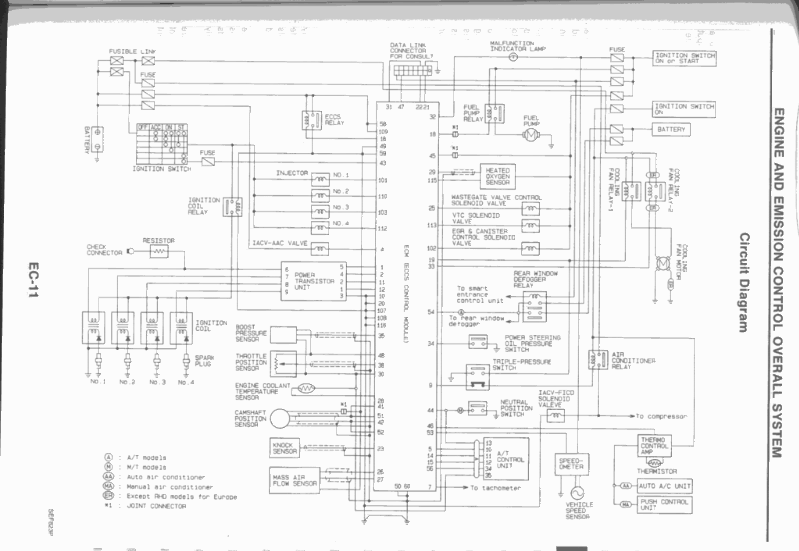
Nissan Eccs Wiring Diagram

KOMPETENCJECYFROWE.VILOGDANSK.EU

Nissan Eccs Wiring Diagram

  • Wiring Diagram
  • Date : December 29, 2020
  • Downloaded : 5684 times

Nissan Eccs Wiring Diagram Whats New

Eccs

Downloads Nissan Eccs Wiring Diagram eccs eccseattle eccsports.com eccs login eccs chicago eccs06 eccs1 eccs2 eccsa eccsc eccscm eccsl eccsr eccstudent eccs logo eccs mn eccs car eccs llc eccs kit eccs sap eccs soo eccs tc7

  • Colored Eccs Wiring Diagrams

  • Colored Eccs Wiring Diagrams

  • 200sx Ca18det Eccs Wiring Diagram

  • Eccs Wiring Diagram Of Nissan Sr20det Engine

  • Colored Eccs Wiring Diagrams

  • Club-s12

  • Nissan 200x Eccs Complete Wiring Diagram

  • Colored Eccs Wiring Diagrams

  • Nissan Skyline Gt-r Eccs Wiring Diagram

  • Nissan 240sx 1991 Eccs Wiring Diagram

  • Colored Eccs Wiring Diagrams

  • Nissan 1400 Wiring Diagram Free Download

  • Nissan Skyline Gt-r Eccs Wiring Diagram

  • Club-s12

  • Category Nissan Wiring Diagram

  • Complete Eccs Wiring Diagram Of Nissan 200x 60137

  • Colored Eccs Wiring Diagrams

  • S14 Eccs Wiring Gif By Bart80

  • S13 Wiring Diagram Pdf

  • Engine Eccs Wiring Diagram Of Sr20det Nissan 60759

  • Club-s12

  • Nissan Pulsar Wiring Diagram N15

  • How To Megasquirt Your Nissan 240sx

  • 1997 Nissan Sentra No Spark From Cables To Plugs The

  • Tech Pages

  • Repair Guides

  • Club-s12

  • S14 Wiring Diagram

  • 2001 Nissan Sentra 1800 Engine Will Not Start Turns Over

  • I Own A 1991 Pathfinder W An Automatic I Have The

  • Nissan 240sx 1991 Eccs Wiring Diagram

  • Have A 90 Nissan 300zx Non Turbo Has No Spark Or Injector

  • Club-s12

  • Rb25 Miss At Idle U0026 A Little Through The Rev Band

  • Club-s12

  • 1999 Nissan Altima Gxe 4 Cyl Eccs Will Not Engage The On

  • Diagram Ecobee4 Wiring Diagram Wiring Diagram Full

  • Perfectpower Wiring Diagrams For Nissan

  • S14a Electrical Issue

Copyright © 2020 - KOMPETENCJECYFROWE.VILOGDANSK.EU


1937 Comments