Diagram Database

Posted by on 2020-12-30

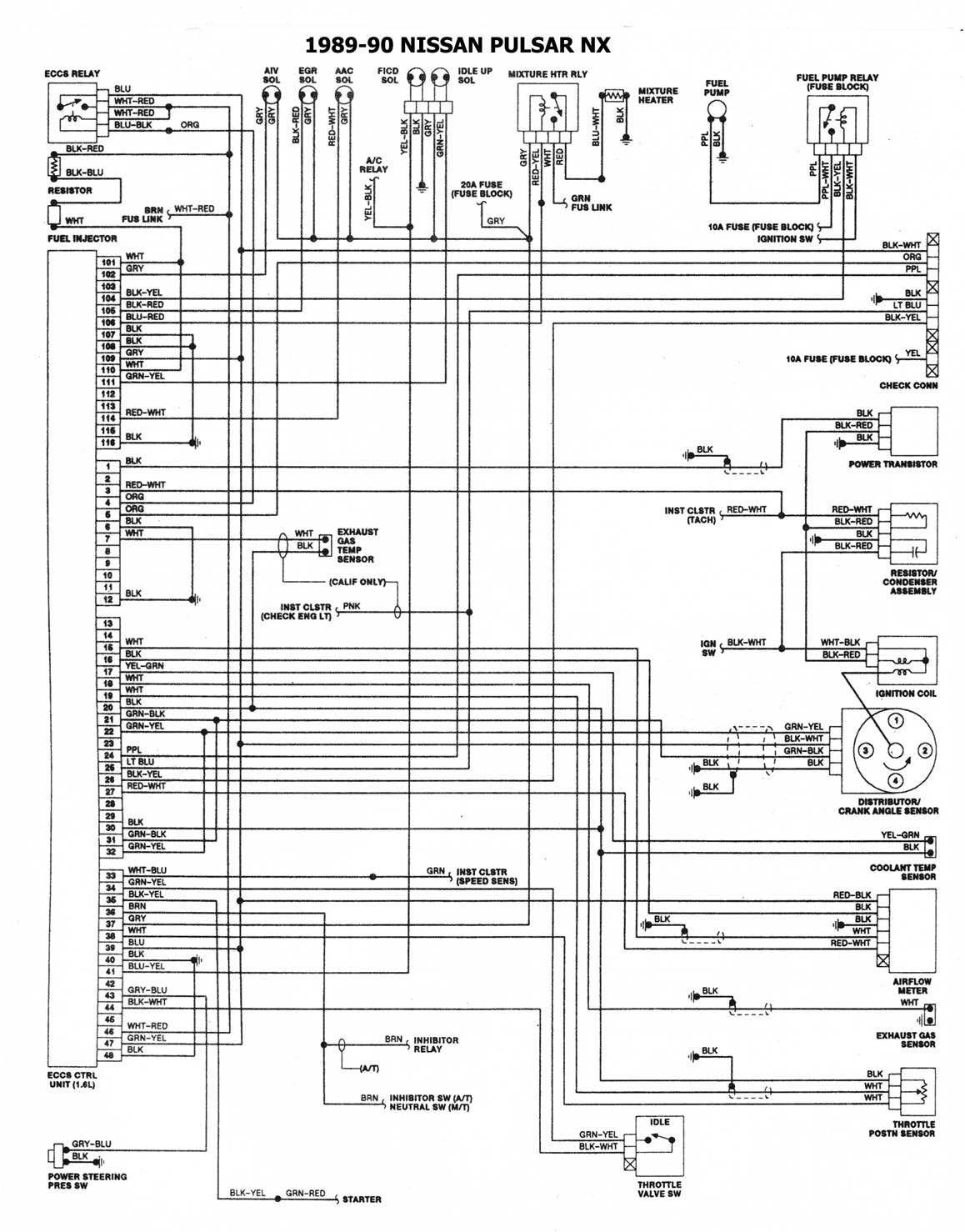
Manual De Diagrama De Nissan 240sx 90

KOMPETENCJECYFROWE.VILOGDANSK.EU

Manual De Diagrama De Nissan 240sx 90

  • 240sx 90
  • Date : December 30, 2020
  • Downloaded : 6027 times

Manual De Diagrama De Nissan 240sx 90 Whats New

De Diagrama De Nissan

Downloads Manual De Diagrama De Nissan 240sx 90

  • Nissan

  • El Tiempo Del Distribuidor De Nissan 240sx 2 4l 90 12

  • Nissan 240sx 1989 No Tiene Pulsacion En Los Inyectores

  • Nissan

  • Nissan

  • Nissan

  • Nissan Diagramas Control Del Motor 1995 200sx 240sx 300zx

  • Nissan 1998

  • Nissan Diagramas Control Del Motor 1995 200sx 240sx 300zx

  • Nissan

  • Nissan 93

  • Nissan 1995 - Diagramas Control Del Motor

  • Nissan 1998

  • Nissan 1995 - Diagramas Control Del Motor

  • Nissan

  • Diagramas De Nissan Gratis

  • Nissan

  • Diagramas De Nissan Gratis

  • 240sx S13 Ka24de Ecu Pinout And Wire Locations

  • Diagramas De Nissan Gratis

  • 91 Nissan 240sx Firing Order

  • Nissan 93

  • Nissan 93

  • Nissan 1986 93

  • Nissan 93

  • Nissan 93

  • 1993

  • Nissan 1986 93

  • Donde Consigo Un Diagrama Electrico De Un Tsuru 93

  • 1993 Nissan 240sx Ignition Video

  • Kolben Kit U00f8 90 50 Nissan 240sx Ka24

  • Buy Wiring Engine Harness For Nissan S13 240sx Ka Ka24

  • Donde Consigo Un Diagrama Electrico De Un Tsuru 93

  • Nissan Sr20 1992 Tps Wiring Diagram

  • Como Poner A Tiempo Nissan 2 4

  • Solucionado Nissan Z24 Coneccion De Las Dos Bibinas Y

  • Nissan 93

  • U0026quot Im U00e1genes Del Nissan 240sx 1990 - Im U00e1genes

  • Nissan

  • Nissan

  • Diagrama Motor Nissan V6 3 0

  • Cometic Nissan Silvia 240sx 91mm 070 U0026quot Mls

  • Nissan

  • Diagramas De Nissan Gratis

  • Manuales Nissan

  • Nissan

  • Nissan 1995 - Diagramas Control Del Motor

  • Nissan 1986 93

  • Nissan 240sx Del 90

  • Nissan 1998

  • Nissan 1998

  • Problemas Con El Tiepo

  • Nissan 1986 93

  • Nissan 93

  • Jetta90 Modificado Y Nissan 240sx En Mercado Libre M U00e9xico

Copyright © 2020 - KOMPETENCJECYFROWE.VILOGDANSK.EU


1937 Comments