Diagram Database

Posted by on 2020-12-29

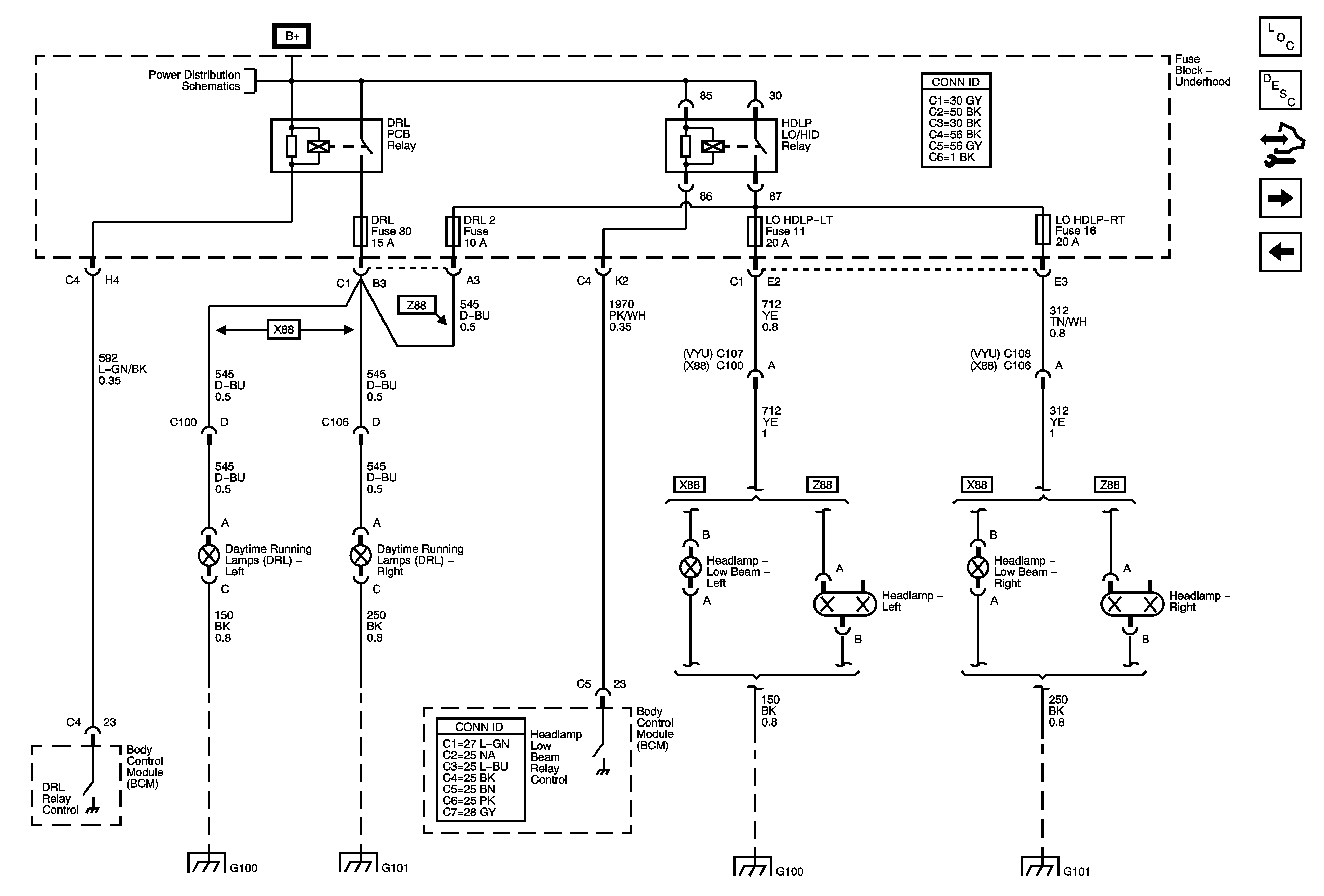
Light Switch Wiring Diagram For 94 Yukon

KOMPETENCJECYFROWE.VILOGDANSK.EU

Light Switch Wiring Diagram For 94 Yukon

  • 94 Yukon
  • Date : December 29, 2020
  • Downloaded : 7011 times

Light Switch Wiring Diagram For 94 Yukon Whats New

Switch Wiring Diagram For

Downloads Light Switch Wiring Diagram For 94 Yukon wiring diagram for two battery switch in boat transfer switch wiring diagram for generator 3 way switch wiring diagram for two lights wiring diagram for on off switch landing gear switch wiring diagram for rv ford dimmer switch wiring diagram rotary switch wiring diagram for guitars pick up switch wiring diagram for les paul switch wiring diagram book switch wiring diagram power at light switch wiring diagram power to fixture switch wiring diagram bathroom ceiling li switch wiring diagrams

  • I Need A Complete And Correct Wiring Schematic For The

  • Repair Guides

  • On This Pick Up 94 Sonoma V6 Tilt If The Headlight

  • I Have A 2006 Gmc Yukon Xl Denali It Only Has About

  • 95 Chevy 3500 Wiring Diagram

  • 1995 Yukon Wiring Harnes

  • I Have A 1994 Gmc Sierra 2500 I Am Going Through Process

  • Gm Performance View Topic

  • Wiring Schematic For 1996 Chevrolet K1500 Silverado

  • My Headlights Aren U0026 39 T Working In My U0026 39 96 Chevy Z71 1 2ton

  • Dash Kits For Chevrolet Suburban Full Size Pickup Full

  • Pin On Car Radio Wiring

  • I Have Got A 1994 Mustang When I Got It It Had A 3 8 In

  • Repair Guides

  • It Will Crank But Won U0026 39 T Start I Get A P1682 Code I Have

  • 2001 Gmc Yukon Steering Column Diagram

  • No Brake Lights On 99 Gmc Yukon New Switch Makes Clicking

  • I Need The Wiring Diagram For The Factory Radio On A 2005

  • The Install Bay 12vdc 30 40a With Harness Wiring Diagram

  • I Need A Wiring Diagram For A 2002 Gmc Yukon For The Fuel

  • 1993

  • I Need The Wiring Diagram For The Factory Radio On A 2005

  • 2001 Tahoe Drivers Door Window Won U0026 39 T Work Have Replaced

  • 60 Elegant 93 Mustang Headlight Switch Wiring Diagram

  • 12v 2 Switch Wiring Diagram Most Switch Wiring Diagram

  • Starter Toggle Switch Wiring Fantastic Light Bulb Wiring

  • 3 Switch Wiring 2 Wire Professional Wiring Diagram 3

  • Wiring Dimmer Switch To Outlet Creative Wiring Diagram A

  • Gmc Yukon 1997 U2013 Fuse Box Diagram U2013 Circuit Wiring Diagrams

  • Harbor Breeze 3 Speed Fan Switch Wiring Diagram

  • How To Wire A Light Switch Hot Simple Hot Tail Light

  • 99 Gmc Yukon 4wd Fuse Box Diagram U2013 Circuit Wiring Diagrams

  • 3 Ceiling Light Switch Wiring New Wiring Diagram 3 Pull

  • Typical Starter Wiring Diagram Cleaver 2003 F250 Starter

  • Gmc Yukon Denali 1998 Left Side Electrical Circuit Wiring

  • I Have A 99 Yukon With Power Door Lock Problems The Two

  • Repair Guides

  • I Have A 2004 Gmc Yukon 5 3 L W Auto Trans

  • Gmc Yukon 1998 Headlight Won U0026 39 T Turn Off By He Switch They

  • 95 Chevy Ignition Wiring Diagram

  • Kill Switch Question

  • American Autowire Turn Signal Switch Wiring Diagram

  • 88 Mustang Turn Signals Don U0026 39 T Work

  • Quest For Fun Maintaining Owner Sanity Tradecraft

  • 1994 Gmc Safari Just Did Some Repairs That Included

  • 95

  • Repair Guides

  • Pnp4

  • Where Is The Park Neutral Switch Located

  • Repair Guides

  • Gmc Sierra Wiring Diagram

  • No Brake Lights I Have No Brakes Lights At All My Lights

  • Wiring Diagram For Passlock 2 1999 Chevy Silverado

  • I Am Having Problems With A 99 Tahoe 2wd The Passlock Ii

Copyright © 2020 - KOMPETENCJECYFROWE.VILOGDANSK.EU


1937 Comments