Diagram Database

Posted by on 2020-12-30

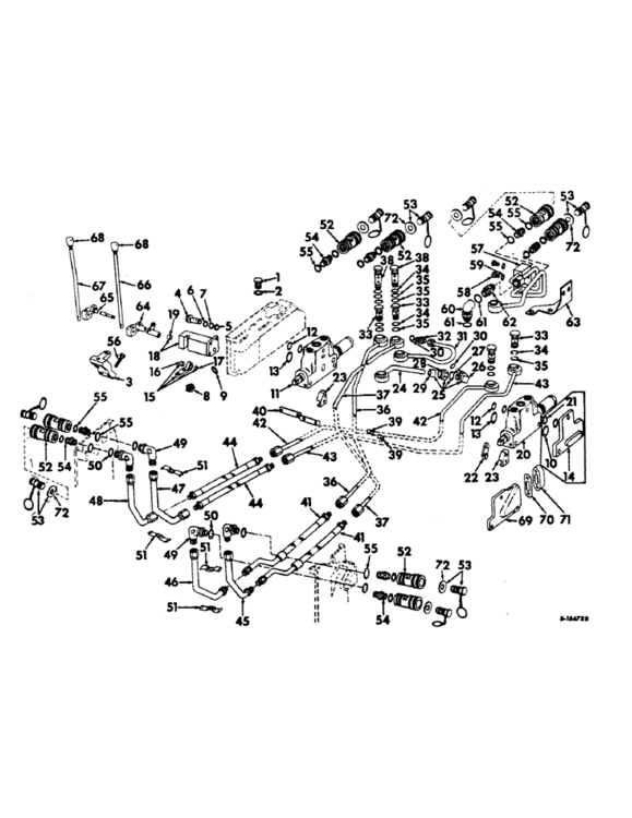
Ih 706 Hydraulic Diagram

KOMPETENCJECYFROWE.VILOGDANSK.EU

Ih 706 Hydraulic Diagram

  • Hydraulic Diagram
  • Date : December 30, 2020
  • Downloaded : 6225 times

Ih 706 Hydraulic Diagram Whats New

706

Downloads Ih 706 Hydraulic Diagram 706 area code 706x145 7060 kubota 7061 richlynn ter 7066 nessus 706 na instruction 706 tufts burbank ca 70642 lego 70627 set 70601 zip 70626400 fasco 706 form 706 international tractor 706 area code location 7063 m2 to acres 706 form irs 7068 grace feather ct 706 farmall sheet metal 706 west locust street clearfield pa 7061 som center rd 706 charles street catering 7061 mallorca cres boca raton fl 33433 706 warren st harrison nj 07029 706 sprout brook rd putnam valley ny 10579 706 instructions

  • Farmall 706 Tractor Hitch And Hydraulics Service Manual

  • Farmall 706 Wiring Diagram

  • Farmall 706 Wiring Diagram

  • Farmall 706 Wiring Diagram

  • International Harvestor 706 T Rajay

  • The True Value Of Hydraulic Circuit Diagrams

  • 32 Farmall Cub Transmission Diagram

  • Farmall 706 Tractor M U0026w Tenderfoot Shifter Parts Manual

  • Planter Drive Sprocket Part

  • 66 Series Hydraulic Clutch Booster - General Ih

  • International Harvester Farmall 806 856 1206 1256 1456

  • Farmall F12 Black Smoke And Engine

  • 706 Hydraulic Problem Drip-drip-drip

  • Gravely 993009 Pro-chip 395

  • Diagrams Wiring Farmall M Hydraulic System

  • 1086 International Hydraulic Diagram

  • Diagrams Wiring Farmall Cub Hydraulic Parts Diagram

  • Ax 7953 Ih Tractor Wiring Manual On International 1086

  • 30 1086 International Hydraulic Diagram

  • Diagram Super A Farmall Hydraulic Diagram Full Version

  • 706 Hydraulic Valves A Little Mor

  • 706 Hydraulic Valves A Little Mor

  • 706 Hydraulic Problem Drip-drip-drip

  • Farmall 706 Auxiliary Valve Leak S

  • Farmall 826 Wiring Diagram

  • What U0026 39 S This Smoking On My 706

  • 1086 International Hydraulic Diagram

  • Farmall 1066 Tractor Parts Manual

  • 966 Ih Tractor Wiring Schematic For

  • 30 1086 International Hydraulic Diagram

  • Farmall 706 Extra Set Of Wires Fro

  • 1086 International Hydraulic Diagram

  • Radiator Mounting Pad - Farmall Parts

  • Farmall Earrings How To Tune A Farmall Cub Carberator

  • Wireing For 826d German Motor

  • Diagram Super A Farmall Hydraulic Diagram Full Version

  • Valve Cover Gasket - Farmall 706

  • Farmall 826 For Sale

  • Diagrams Wiring 806 Ih Tractor Wiring Diagram

  • Diagram Super A Farmall Hydraulic Diagram Full Version

  • Diagram Super A Farmall Hydraulic Diagram Full Version

  • Diagram Super A Farmall Hydraulic Diagram Full Version

  • 706 Hydraulic Problem Drip-drip-drip

  • 966 Ih Tractor Wiring Schematic For

  • Revised

  • Farmall Cub Tractor Service Manual

  • Light Wiring Diagram Farmall H Tractor

  • International Harvester M U0026w Tractor Parts Manual

  • Ih 706 Hydraulic Ports - General Ih

  • Ih 1486 Wiring Diagram

  • 35 Farmall M Parts Diagram

  • Ih856v

  • Gravely 990010 000101

Copyright © 2020 - KOMPETENCJECYFROWE.VILOGDANSK.EU


1937 Comments