Diagram Database

Posted by on 2020-12-30

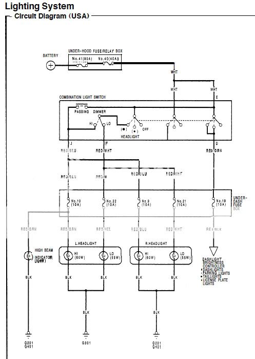
Honda Civic Jan 06 12 Haynes Wiring Diagram

KOMPETENCJECYFROWE.VILOGDANSK.EU

Honda Civic Jan 06 12 Haynes Wiring Diagram

  • Wiring Diagram
  • Date : December 30, 2020
  • Downloaded : 7393 times

Honda Civic Jan 06 12 Haynes Wiring Diagram Whats New

Civic Jan 06 12 Haynes

Downloads Honda Civic Jan 06 12 Haynes Wiring Diagram

  • 76 Cb500t Wiring Diagram

  • Need 99 Civic Dx Engine Wiring Harness Diagram Wire Colors

  • 2000 Cr-v Steering Wheel Wiring Diagram

  • 2000 Cr-v Steering Wheel Wiring Diagram

  • 76 Cb500t Wiring Diagram

  • Honda Electrical Load Detection Eld Bypass

  • 92 Accord Ex Security System Wiring Diagram Needed Asap

  • Prelude Fog Light Wiring

  • Faq Diy Convert Jdm Oem 92

  • Wiring Diagram For Cigarette Lighter - Honda-tech

  • Wiring Diagram For Power Mirrors - Honda-tech

  • Wiring Diagram For Cigarette Lighter

  • Fuel Pump Wiring Diagram - Honda-tech

  • Wiring Up Reverse Lights - Honda-tech

  • Oem 1987 Honda Civic Factory Service Shop Repair Manual

  • Blower Motor Resistor Replacement Question

  • Need Help Wiring Radio Problem

  • 92 Accord Ex Security System Wiring Diagram Needed Asap

  • Headlight Fuel Sender Problem U0026 39 95 Civic

  • How Did You Mount Ur Power Window Switches

  • Wiring Issue Help Please - Honda-tech

  • 99-00 Oem Radio Harness Diagram

  • 92 Accord Ex Security System Wiring Diagram Needed Asap

  • 92 Accord Ex Security System Wiring Diagram Needed Asap

  • 1976 Temperature Gauge At Maximum

  • Opel Corsa 1 7 Diesel Wiring Diagram

  • No Factory Stereo Harness How To Connect

  • Need The Ecu Harness Wiring Diagram For My 1990 Civic

  • Obd1 Jdm B16 Swapped Into 96 Civic Dx Need Wiring Help

  • U0026 39 93 Hatch Rear Defrost Ground Wire Location

  • 90 Fe-dohc Fe3 Turbo - Page 9

  • 35 2004 Ford Taurus Engine Diagram

  • Help Wiring A Rhd Teg Engine Harness

  • Haynes Repair Manual 1984

  • Honda Crv 2012 Repair Manual

  • Open Wire - Honda-tech

  • 99 Euro Civic

  • Workshop Manual

  • Obd1 Jdm B16 Swapped Into 96 Civic Dx Need Wiring Help

  • 1988 Crx Ecu Pin Out Diagram Obdo To Obd2b

  • Workshop Manual

  • Simple Wiring Harness Write-up For Eg - Page 5

  • Physical Location Of Starter Relay - Page 2

  • 92-95 Wiper Motor Self Parking Switch

  • Workshop Manual

  • Need Diagram Of Pic 88si C210 - Honda-tech

  • Fuse Box Diagram - Honda-tech

  • Ac Wiring Diagram - Honda-tech

  • Wiring Diagram Toyota Camry Radiator Fan And Condenser

  • Need Diagram Of Pic 88si C210 - Honda-tech

  • 1999 Civic High Idle And Surging Up Until 2k Rpm

  • 2014 Honda Cr

  • Ef Crx Si

  • Help With Ek Power Folding Mirror - Honda-tech

  • Electrical Lighting Diagram For U0026 39 92 454 Silverdo

  • Service Manual

  • 1 Wire To 4 Wire O2 Sensor - Honda-tech

  • Ek4 Ej9 Abs Retrofit Into 1993 Civic - Honda-tech

  • Honda Electrical Load Detection Eld Bypass

  • Reverse Lights

Copyright © 2020 - KOMPETENCJECYFROWE.VILOGDANSK.EU


1937 Comments