Diagram Database

Posted by on 2020-12-30

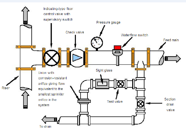
Fire Riser Manual Control Valve Wiring Diagram

KOMPETENCJECYFROWE.VILOGDANSK.EU

Fire Riser Manual Control Valve Wiring Diagram

  • Wiring Diagram
  • Date : December 30, 2020
  • Downloaded : 6943 times

Fire Riser Manual Control Valve Wiring Diagram Whats New

Riser Manual Control Valve

Downloads Fire Riser Manual Control Valve Wiring Diagram

  • A Breakout Of A Floor Control Riser Assembly

  • Deluge And Pre

  • Sprinklers In Construction From Construction Knowledge Net

  • Components Of Basic Wet

  • Wiring Diagram Lrr 1

  • Mechanical Engineering June 2012

  • Manual Air Ride Management Kit Wiring Valve Pneumatic

  • Zone Valve Wiring Installation U0026 Instructions Guide To

  • White Rodgers Zone Valve Wiring Schematic

  • Deluge And Pre

  • Ames Backflow Preventers

  • Deluge And Pre

  • Wiring Diagram 34 Diagram Of A Pressure Control Valve On

  • Home Sprinkler Parts Identification Diagram

  • Types Of Valves

  • Dry Pipe Sprinkler Systems

  • Zone Valve Wiring Manuals Installation U0026 Instructions

  • Door Release Relay U0026 Try Swapping Relays Rm121 And Rm122

  • Rain Bird E

  • Bobcat 863 Hydraulic Control Valve Diagram

  • Taco Zone Valve 555 102 Wiring Diagram

  • Honeywell Vr8200 Gas Valve Wiring Diagram

  • Lcp100 Control Panel Instruction Manual Aug 2010 By Rmc

  • Imit Thermostat Wiring Diagram Fantastic Sit Nova Mv

  • Standpipes For Fire Suppression An Introduction

  • Wiring Diagram For Actuator

  • Wiring Manual Pdf 12 Volt Air Valve Wiring Diagram

  • Wiring Diagram

  • 4 Wiring Diagrams 5 Recommended Spare Parts Honeywell

  • Gen Iv Servo Heater Control Valve Flow Direction Wiring

  • Guide To Wiring Connections For Room Thermostats

  • Thermador Rdf30qb Freestanding Dual Fuel Range Timer

  • Installing Dry Sprinklers Dry Pipe U0026 Check Valves Quick

  • Hh 6223 Bobcat Control Valve Diagram Wiring Diagram

  • Hh 6223 Bobcat Control Valve Diagram Wiring Diagram

  • Everbilt Sprinkler Pump Wiring Diagram

  • Ridetech Pro Valve Wiring Diagram

  • Rainbird Sprinkler Wiring Diagram Download

  • Odyssey 09 08

  • Robertshaw 785

  • Diy Control4 Sprinkler Control

  • Pool Heater Wiring Connection Diagram Jmp3 1 Jmp3 1

  • Filling Line Plate

  • Hh 6223 Bobcat Control Valve Diagram Wiring Diagram

  • Zone Control Valve

  • Zone Valve Wiring Manuals Installation U0026 Instructions

  • Maintenance Tips For Lift

  • Wiring Din Connector With 3 Wire Dc Solenoid Valve

  • Standing Pilot Wiring Diagram

  • 30 White Rodgers Zone Valve Wiring Diagram

  • Honeywell Th8320r1003 Wiring Diagram

  • Heatilator Wiring Diagram

  • Odyssey 09 08

  • Robertshaw Thermostat Wiring Diagram

  • Wiring Diagram For Nissan 1400 Bakkie 3

  • Inspections U0026 Requirements

  • Hyundai Elantra Cvvt Oil Control Valve Ocv Schematic

  • Samson 3510 Valve Wiring Diagram

Copyright © 2020 - KOMPETENCJECYFROWE.VILOGDANSK.EU


1937 Comments