Diagram Database

Posted by on 2020-12-30

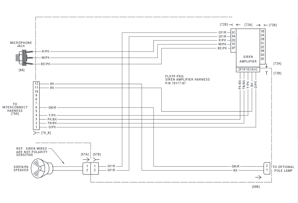
Fire Engine Siren Wiring Diagram

KOMPETENCJECYFROWE.VILOGDANSK.EU

Fire Engine Siren Wiring Diagram

  • Wiring Diagram
  • Date : December 30, 2020
  • Downloaded : 6369 times

Fire Engine Siren Wiring Diagram Whats New

Engine Siren

Downloads Fire Engine Siren Wiring Diagram fire engine siren engine sorento engine silent engine silencer engine strength engine strength measured by engine iran engine iran inspection engine singer engine single engine serpentine belt engine serpentine systems engine ser number

  • Whelen Ws 295 Siren Wiring Diagram

  • Whelen Siren 295slsa6 Wiring Diagram

  • Whelen 295sl100 Wiring Diagram Gallery

  • Whelen 295sl100 Wiring Diagram Gallery

  • Whelen 295sl100 Wiring Diagram Gallery

  • Whelen Ws 295 Siren Wiring Diagram

  • Whelen Siren 295slsa6 Wiring Diagram

  • Whelen Siren Wiring Diagram Gallery

  • 3 Tone Siren U2013 Circuit Wiring Diagrams

  • Alam Circuits U2013 Page 44 U2013 Circuit Wiring Diagrams

  • I Am Preparing To U0026quot Wire In U0026quot Galls Siren Horn Pa Unit To My

  • Difficulties Connecting External Siren

  • Sho

  • Whelen 295hfsa1 Wiring Diagram Download

  • Siren Generator Using Ic Um3561

  • Whelen 295hfsa1 Wiring Diagram

  • 2n2907 U2013 Circuit Wiring Diagrams

  • Police Siren Switch Mod

  • Whelen 295sl100 Wiring Diagram Gallery

  • Posted Image

  • Repair Guides

  • Whelen Csp690 Wiring Diagram

  • Simple Siren Circuit

  • Whelen 295hfsa1 Wiring Diagram Download

  • Intrusion Alarm System

  • Buy Fs As820 200w 12 Tone Police Horn Talking Siren With

  • Whelen Siren 295slsa6 Wiring Diagram

  • Federal Signal Legend Lightbar Wiring Diagram

  • Police Siren U2013 Circuit Wiring Diagrams

  • How Can I Wire A Siren Or Strobe To Activate From Multiple

  • Quality Car Alarm Remotes Siren Shock Sensor Central Lock

  • Component Location Of Volvo Tad734ge Engine

  • Federal Signal Siren Power Harness 10 Pin Cable Pa300 690009

  • Get Whelen 295sl100 Wiring Diagram Download

  • Get Whelen 295sl100 Wiring Diagram Download

  • Whelen Hhs2200 User Manual

  • It U2019s The Arduino Carabinieri

  • Patent Us7132761

  • Code 3 V 20

  • 2008 Ranger Wiring Diagram

  • Flhtp Siren Bullhorn Connector 2003 Location

  • Siren Circuit Page 3 Security Circuits Next Gr

  • 12 Pin Connector Plug For Whelen Traffic Advisors U0026 Sirens

  • Whelen Control Power Cable 12 Pin O 295sda2

  • Whelen 295hfsa1 Wiring Diagram

  • Basic Engine Alarm Wiring Example

  • How Do I Add A Wired Siren To Go Control 2

  • 12 Volt Relay Wiring Diagram Sample

  • Alarm System

  • Whelen 295hfsm5 4 9 And 12 Pin Wiring Cable Kit

  • Whelen Csp690 Wiring Diagram

  • Engine Alarm Wiring - The Hull Truth

  • Whelen Liberty Wiring Diagram

Copyright © 2020 - KOMPETENCJECYFROWE.VILOGDANSK.EU


1937 Comments