Diagram Database

Posted by on 2020-12-30

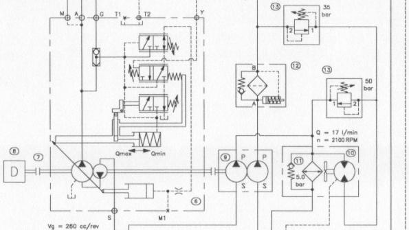
Farmall 450 Hydraulics Flow Diagram

KOMPETENCJECYFROWE.VILOGDANSK.EU

Farmall 450 Hydraulics Flow Diagram

  • Flow Diagram
  • Date : December 30, 2020
  • Downloaded : 6442 times

Farmall 450 Hydraulics Flow Diagram Whats New

450 Hydraulics

Downloads Farmall 450 Hydraulics Flow Diagram

  • Hydraulic Diagram Kalmar Rs Drf 450

  • Figure 6-4 Drive Hydraulic Diagram

  • Wiring Diagram

  • Wiring Diagram

  • Hitachi Zaxis 450

  • John Deere 450 Repair Manual Crawler Tractor Loader

  • Figure 6

  • Figure 12

  • Where Can I Get A Transmission Hydraulic Schematic For A

  • U6700 U65b0 U306ehd Check Valve Hydraulic Cylinder

  • Hydraulic Formulas U0026 Flow Diagrams

  • Hydraulic Formulas U0026 Flow Diagrams

  • Figure 6-5 Drive Hydraulic Diagram

  • Aircraft Systems Basic Hydraulic Systems

  • Components And The Hydraulic Flow Of The Up

  • Diagram Super A Farmall Hydraulic Diagram Full Version

  • Hydraulic Examples Flowcontrol Bleedoff

  • John Deere Hydraulic System Diagram

  • The True Value Of Hydraulic Circuit Diagrams

  • Hydraulic Circuit Schematic Showing The Location Of The

  • Systems

  • Apu Hydraulic Pump Flow Diagram

  • Pdf Hydraulic Flow Diagram Of 75 M U00b3 Hr Effluent

  • How To Use A Flowmeter When Hydraulic Troubleshooting

  • Hydraulic Pump Drive Power And Flow Characteristics 8

  • Hydraulic Log Splitter Parts

  • Gravely 592060 O

  • Figure 1

  • Hydraulic Diagrams You Should Not Do Without

  • Troubleshooting Tips For Hydraulic Systems

  • Nose Wheel Steering Systems U2013 Flight Mechanic

  • Schematic Diagram Of The Fluid

  • 400 Farmall Hydraulics - General Ih

  • 400 Farmall Hydraulics - General Ih

  • 400 Farmall Hydraulics - General Ih

  • Aircraft Nose Wheel Steering Systems

  • Hydraulic Diagram Aeraulic

  • Protecting Hydraulic Motors

  • Need Help 3pt Lift Arms - General Ih

  • Wiring Diagram

  • U2014frequency Of Hydraulic Flow Unit Total Number Of Points

  • Figure 1

  • Gravely 592060 O

  • John Deere 450c Crawler Tm1102 Technical Manual Pdf

  • Do You Have Or Can You Tell Me Where To Get A Diagram Of

  • Booklet Pneumatic Flow Control Valve Diagram

  • The Proposed Hydraulic U2013gis Combined Model Flow Chart

  • Variations Of Ph In The Recirculating Vertical Flow

  • Bombardier 2008 Ds - 450 X Hydraulic Brakes

  • Flow Channel In Unimas Hydraulics And Hydrology Civil

  • Figure 12

  • Power Beyond Warning Question

  • How Does A Pressure

  • U6700 U9ad8 Check Valve Diagram Symbol

  • Field Report

  • M Hydraulic Issue Low No Pressure

  • Basic And Custom Hydraulic Systems

  • Hydraulic Cylinder Rod Travel Is Slower Than Normal U2013 Do I

Copyright © 2020 - KOMPETENCJECYFROWE.VILOGDANSK.EU


1937 Comments