Diagram Database

Posted by on 2020-12-30

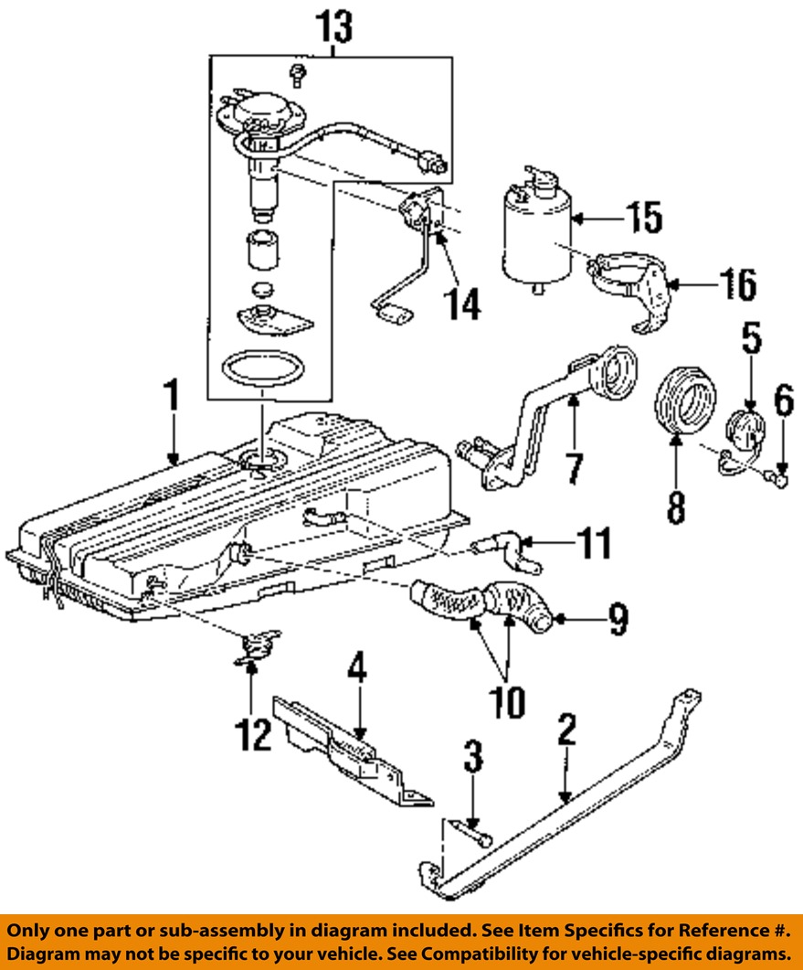
F250 6 0l Fuel System Diagram

KOMPETENCJECYFROWE.VILOGDANSK.EU

F250 6 0l Fuel System Diagram

  • System Diagram
  • Date : December 30, 2020
  • Downloaded : 6519 times

F250 6 0l Fuel System Diagram Whats New

6 0l Fuel

Downloads F250 6 0l Fuel System Diagram 60l florida 60 fulton 60 fullerene 60l florida administrative code 60 fulton st 60 fullerton ave 60 fulton street 60 fullerton avenue 60 full sweep hhi 60 fulton street nyc 60 full length mirror 60 full extension guides 60 fullerton ave yonkers 60 fuller street dorchester 60 fulton street ny ny 60 fulton ave clementon nj 60 fullerton ave yonkers ny 60 fulton avenue smithtown ny 60 fulton street manhattan nyc 60 fulton street new york ny 60 fulton street new haven ct 60 fuller mountain road kent ct 60 fullerton ave yonkers ny 10704 60 fullerton avenue yonkers ny 10704 60 fuller mountain rd kent ct 06757

  • 60 Powerstroke Fuel Line Diagram

  • 6 7 Powerstroke Cooling System Diagram

  • Ford 6 0 Diesel Fuel Filter Diagram

  • Ford 6 0 Diesel Fuel Filter Diagram

  • Oil Temp Sender Location - Diesel Forum

  • Gmc Sierra 2500 Hd Electric Fuel Pump Fuel Pump And

  • 60 Powerstroke Fuel Line Diagram

  • 26 Optimax Fuel System Diagram

  • Wiring Database 2020 29 6 0 Powerstroke Fuel Line Diagram

  • Chevrolet Silverado 2500 Hose Fuel Line Hose Fuel Feed

  • Gmc C7500 Filter Engine Fuel Filter Spinoff Onlybulk

  • 30 6 0 Powerstroke Fuel Line Diagram

  • Ford Power Stroke No Start Diagnosis And Checklist

  • Ford F 250 6 0 Powerstroke Fuel Filter

  • 30 6 0 Powerstroke Fuel Line Diagram

  • Ford Diesel Engine Diagram

  • 60 Powerstroke Cooling System Diagram

  • 15765415

  • 20929992 Purge Control

  • 15064600

  • Ford Escape Fuel Tank Sending Unit

  • Fuel System

  • 31 73 Powerstroke Fuel System Diagram

  • 15781733

  • Must Read For 7 3 Powerstroke Owners Fpr Filter

  • Repair Guides

  • 7 3l Heater Hose Inlet 6 0l

  • Gmc Yukon Hose Fuel Line Hose Fuel Feed U0026 Evap Emis

  • 60 Powerstroke Oil Filter Housing Diagram

  • 2012 Mazda 3 Fuel Tank Vent Hose 2 0l U0026 2 5l 2 3l Tube

  • 33 Ford 60 Diesel Vacuum Line Diagram

  • 8-12612-390-0

  • 34 6 0 Powerstroke Cooling System Diagram

  • Ford 6 0 Fuel Filter Replacement

  • Egr Delete And Oil Cooler Kit Amazon - Page 3

  • 6 0l Powerstroke Cranks But Wont Start Serviced

  • 35 7 3 Fuel System Diagram

  • Mercury Ford Oem 1998 Villager 3 0l

  • 60 Wiring Diagram 2003 Colant Temperature Sensor

  • Exploded Diagram Of 6 0 Powerstroke

  • Need Diagram For Veci Vacuum For 1987 Ford Bronco Xlt 5

  • 2003

  • 60 Powerstroke Cooling System Diagram

  • Ford E 450 Fuel Filter Location

  • 15765414

  • 15781733

  • 1993 Jeep Wrangler 4wd 4 0l Fi Ohv 6cyl

  • Mercury Mercruiser Sterndrive Parts By Size U0026 Serial

  • Mercruiser 5 0l Mpi Alpha Bravo Standard Cooling System

  • Power Stroke 6 0l Engine Wiring Diagram

  • 1989 Ford 7 3 Idi Glow Plug Harness

  • Jeep Chrysler Oem 97

  • Ford 6 0 Diesel Fuel Filter Diagram

  • Wiring Database 2020 29 6 0 Powerstroke Fuel Line Diagram

  • 1998 Ford Escort Cooling System Diagram

  • Repair Guides

  • My 2003 Chevy 2500hd 6 0l Gas Engine Truck Died Going Down

  • Cadillac Catera Fuel Supply System Fuel Lines

  • 25654373

  • Electric Fuel Pump Control

Copyright © 2020 - KOMPETENCJECYFROWE.VILOGDANSK.EU


1937 Comments