Diagram Database

Posted by on 2020-12-29

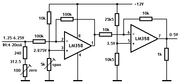
Circuit Diagram 4 20ma

KOMPETENCJECYFROWE.VILOGDANSK.EU

Circuit Diagram 4 20ma

  • 4 20ma
  • Date : December 29, 2020
  • Downloaded : 6982 times

Circuit Diagram 4 20ma Whats New

Diagram

Downloads Circuit Diagram 4 20ma diagram diagram definition diagramming sentences diagram of heart diagram of the eye diagram of vagina diagrams.net diagrams online diagram of an atom diagram maker diagrama diagram designer diagram of ear diagram of human organs diagram of a microscope diagram of digestive system diagram of a volcano diagram of photosynthesis cycle diagram of a cell diagram of knee anatomy diagram of organs in body diagram of the brain

  • Basics Of The 4

  • Passive 4

  • Need More Current Than 4 Ma In 4 20ma Loop Current

  • 4

  • Interfacing 4

  • 4 20ma Pressure Transducer Wiring Diagram

  • 4 20ma Circuit Diagram

  • 4-20 Ma Loop Power Transmitter

  • 4 To 20 Ma Current Loop Output Signal

  • The Science Of 4 To 20 Ma Current Loops

  • 2-wire 4-20ma Loop Simulator Signal Generator

  • Connecting A 4

  • 2-wire 4-20ma Loop Simulator Signal Generator

  • 4-20ma Current Loop Tester

  • Industrial 4

  • Convert 4

  • Why Do Industrial Sensors Measure In 4

  • Industrial 4

  • 4

  • 4 20ma Wiring Diagram

  • 4

  • Tipd158 Low Cost Loop Emi

  • 4 20ma Pressure Transducer Wiring Diagram

  • Rs232 To 4

  • Power Supply

  • When Is A 4

  • 2

  • Analog - 0-10v 4-20ma To Microcontroller

  • Pressure Transducer With 4-20ma Output

  • Thermocouple Input Temperature Transmitter Head

  • 0

  • Thermocouple Amplifier With Nema

  • Voltage

  • 3 Wire Pressure Sensor Circuit Diagram

  • 4 20ma Circuit Diagram

  • 4- 20 Ma Transmitter Signal Greater Than 20 Ma

  • 4 20ma Wiring Diagram

  • Schematics Of Delabs

  • 4

  • 2-wire 4-20ma Loop Simulator Signal Generator

  • 4 20ma Circuit Diagram

  • Loop Powered Display Led Dat8050

  • Plc Technology Convert 0

  • How A 4-20 Ma Transmitter Works

  • 32 4 Wire Transmitter Wiring Diagram

  • How Can I Plug A 3 Wire 4

  • Signal Isolator 4

  • 4 20ma Circuit Diagram

  • 4 20ma Wiring Diagram

Copyright © 2020 - KOMPETENCJECYFROWE.VILOGDANSK.EU


1937 Comments