Diagram Database

Posted by on 2020-12-30

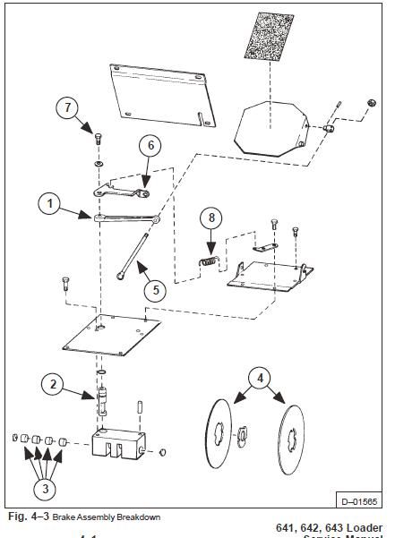
Bobcat 643 Parts Diagram

KOMPETENCJECYFROWE.VILOGDANSK.EU

Bobcat 643 Parts Diagram

  • Parts Diagram
  • Date : December 30, 2020
  • Downloaded : 7495 times

Bobcat 643 Parts Diagram Whats New

643

Downloads Bobcat 643 Parts Diagram 6430 john deere 643x5 6439x6 6434 lexington 643x4 643x2 643x35 643/8 643/80 643+300 643+1284 643230-1 643boxbreaks 643 area code 643dwd lock 6430 john deere tractor 6431 alum creek groveport 643 baseball 643 sea view dr 32541 6430 tacoma mall blvd 643 mica lane chesnee sc 6437 ridglea crest drive fort worth texas 6433 lee ave murfreesboro tn 6439 malibu drive columbus ga 6438 rockhill rd kansas city mo

  • Delta 34

  • Mtd Central Park Mdl 643 Parts Diagram For Parts

  • Buy Porter Cable 643 Type

  • Mtd 643

  • Engine Assembly Type 643

  • Tecumseh Model Type 643

  • Wilton 643 1

  • Tecumseh Av600

  • Wilton 643-1 2 Parts List And Diagram

  • Tecumseh Type 643

  • Looking For Tecumseh Model Type 643

  • Tecumseh Type 643

  • Frauline Facts

  • Bobcat 641 642 642b 643 Repair Manual Skid Steer Loader

  • Bobcat 641 642 643 Skid Steer Loader Service Repair

  • Bobcat 641 642 643 Skid Steer Loaders Service Manual Pdf

  • John Deere 643 Parts Diagram For Electrical Components

  • Troy-bilt 21b-643b011 Parts List And Diagram

  • Ts-14 Transmission Problems Archives

  • Molnar Hoist Manual

  • Bobcat 641 642 643 Skid Steer Loader Service Repair

  • Bobcat 641 642 642b 643 Repair Manual For Ski By Ashly

  • Allison Transmission Manual

  • John Deere 643 Corn Head Parts Catalog

  • John Deere 643 Corn Head Parts Catalog

  • John Deere 643 Corn Head Parts Catalog

  • Bobcat 641 642 643 Skid Steer Loaders Service Manual Pdf

  • Bobcat 553 Repair Manual Skid Steer Loader 516311001

  • Allison Transmission Parts Diagram Manual

  • Bobcat Skid Steer Loader A300 Turbo Parts Manual Pdf

  • Allison Mt

  • Case David Brown 885 995 1210 1212 1410 1412 Repair Manual

  • Bobcat 641 642 643 Skid Steer Loader Service Repair

  • 1998 Allison Mt643 Transmission For Sale 81 226 Miles

  • Bobcat 543 Hydraulic Drive Motor

  • Mtd Parts On The Parts Diagram For 248-643-019

  • Looking For Tecumseh Model Type 643

  • 12

  • Bobcat 863 U0026 863h Skid Steer Loader Service Manual Pdf

  • Universal Tractor 643 Dt

  • Tecumseh Type 643

  • Husqvarna 359 Chainsaw 2005 Parts Diagram Page 12

  • Briggs U0026 Stratton 200401 To 200466 0010

  • 4l60 4l65

  • Bobcat Skid Steer Wiring Diagram

  • Tecumseh Type 643

  • 301 Moved Permanently

  • Tecumseh Ca

  • Kawasaki Motorcycle 1978 Oem Parts Diagram For Front

  • The Skidsteer Forum U0026gt Forum

  • Craftsman 21759980 Boating Parts

  • Tecumseh Type 643

  • Craftsman 917272951 Front

  • Bobcat 641 642 643 Skid Steer Loader Service Repair

Copyright © 2020 - KOMPETENCJECYFROWE.VILOGDANSK.EU


1937 Comments