Diagram Database

Posted by on 2020-12-29

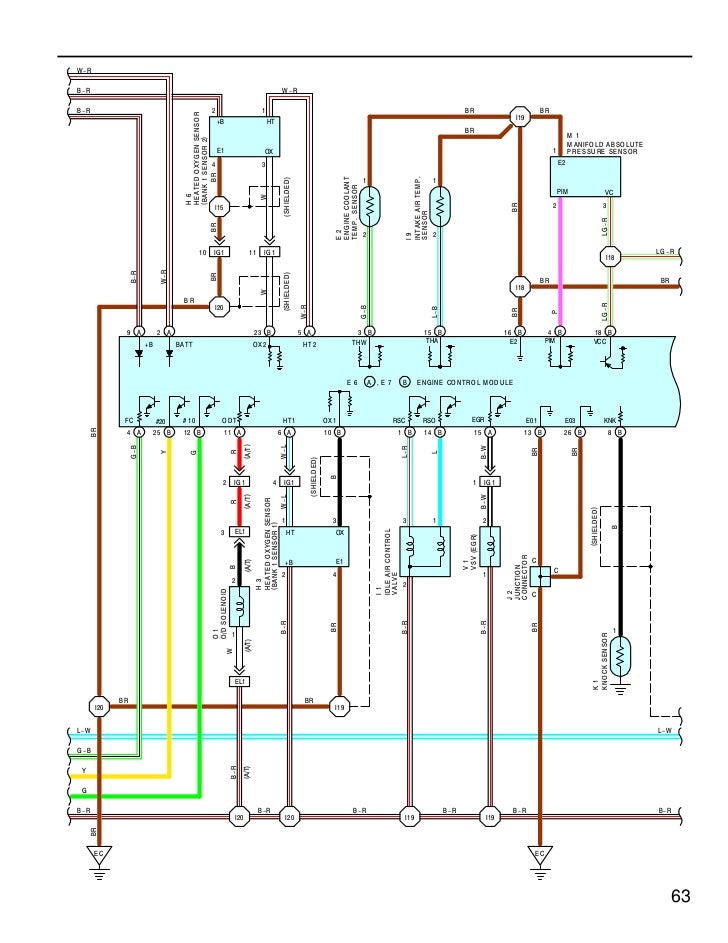
Bmw Dis Wiring Diagram

KOMPETENCJECYFROWE.VILOGDANSK.EU

Bmw Dis Wiring Diagram

  • Wiring Diagram
  • Date : December 29, 2020
  • Downloaded : 5701 times

Bmw Dis Wiring Diagram Whats New

Dis

Downloads Bmw Dis Wiring Diagram discord disney plus discover card login discover discord login disney store disney + discord bots disney world disboard discover card discord download discovery plus disney plus login discovery + discogs disney stock distrokid discovery channel disney channel disney movies disney hub dish network disney junior dish

  • Gm Dis Megasquirt Ii Wiring Diagram

  • Ford 6 Cylinder To Dis 4 With Tach Adapters

  • Fast Edis To Dis 4 Parallel Coils

  • Msd Dis

  • Dis Ignition System

  • Allen Bradley Switch Wiring Diagram

  • Dis-2 On Ecotec - Final Complete Diagram

  • Gm Dis Megasquirt Ii Wiring Diagram

  • Should You Ditch The Distributor U2013 Racingjunk News

  • Ignition Systems Efidynotuning

  • Electronic Ignition Tach Install

  • Ford 91 Explorer 4l Dis 4 With 8912s

  • N2mb Wot And Msd Problem

  • Gm Dis Megasquirt Ii Wiring Diagram

  • D I S Wiring Diagram

  • Dodge Stealth 1991 Msd Dis-4

  • Megasquirt 3 57 Dis Wire Diagram

  • How Distributorless Ignition System Works Dis

  • Repair Guides

  • How Distributorless Ignition System Works Dis

  • Msd Coil Wiring Diagram Plymouth

  • Switches

  • Gm Dis Megasquirt Ii Wiring Diagram

  • How Distributorless Ignition System Works Dis

  • 91 Ford Ranger

  • Schematic Diagram Of Ignition System

  • Repair Guides

  • Volkswagen Gti 2000-vr6

  • Dodge Neon 2004 Srt4 Dis 2 2

  • Msd 88812 Harness Msd Dis

  • Msd 62152 Dis

  • Msd Ignition 8898 Ignition Wiring Harness Msd Dis 4 Plus An

  • D I S Wiring Diagram

  • Modifications Encyclopedia

  • Ford Edis Distributorless Ignition For Forest G

  • Dis

  • Msd Tach Adapter Wiring Diagram

  • 8 3 Cummins Fuel Shutoff Solenoid Wiring Diagram

  • Note On Camry L Cng Models Inj Relay Provides Voltage To

  • Msd Digital 7 Plus Wiring Diagram

  • Distributorless Ignition System Dis U2013 Main Components

  • Dis 2 Wiring To Trailing Coil Fail Need Help

  • Msd 62152 Dis

  • Msd 62152 Dis

  • Msd Digital 7 Plus Wiring Diagram

  • Ford 99 01 Mustang Coil Per Cyl Tach Adapt

  • Mega 2 Hei Distributor Wiring Diagram

  • Haltech Ls2 Ls7 Coils - Rx7club Com

  • Msd Atomic Efi Wiring Diagram Download

Copyright © 2020 - KOMPETENCJECYFROWE.VILOGDANSK.EU


1937 Comments