Diagram Database

Posted by on 2020-12-29

Bmw Cas Wiring Diagram

KOMPETENCJECYFROWE.VILOGDANSK.EU

Bmw Cas Wiring Diagram

  • Wiring Diagram
  • Date : December 29, 2020
  • Downloaded : 5799 times

Bmw Cas Wiring Diagram Whats New

Cas

Downloads Bmw Cas Wiring Diagram cash app cash and carry casino cash advance online cast of bridgerton casetify castle casper mattress cash act casper cashback monitor casino games casablanca cast of yellowstone cash app login castle branch castlevania caster sugar cascade natural gas castor oil castle rock casey anthony casino world cashnetusa casper star-tribune

  • Cas And Dme On Bench

  • 97 Cas With A 95 Ecu

  • Can I Use Vvdi Prog To Read Bmw Cas2 Cas3 Cas3 Cas4 Ecu

  • Autohex Ii Bmw Scan Tool The Advanced Bmw Diagnostic Tool

  • Howto P11 Sr20ve Coil On Plug W 20v Crank Angle Sensor

  • How Vvdi Prog Work On Bmw Cas2 Cas 3 Cas4 Ews4

  • Fan In A Can Cas 4 Wiring Diagram Gallery

  • Can I Use Vvdi Prog To Read Bmw Cas2 Cas3 Cas3 Cas4 Ecu

  • How Vvdi Prog Programmer Read Bmw Cas2 Cas3 Cas3 Cas4 Ecu

  • 1g In A 2g Kiggly Crank Trigger Sensor

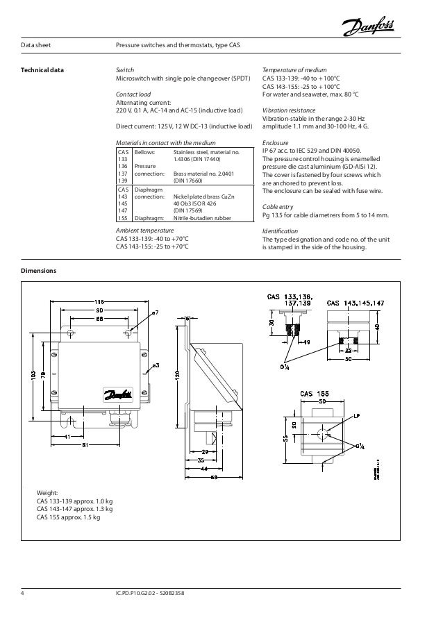
  • Pressure Switches And Thermostats Type Cas

  • Autohex Ii Bmw Scan Tool The Advanced Bmw Diagnostic Tool

  • Xprog

  • My Vvt Swap Attempt

  • Rb25det Neo Cas Pinout - G4

  • Fan In A Can Cas 4 Wiring Diagram Sample

  • Rb25 Cas Wiring Diagram

  • Car Key Programmer On Obd2shop Yanhua Mini Acdp Connect

  • Fan In A Can Cas 4 Wiring Diagram Gallery

  • Rb20det Cas - General Maintenance

  • Rb25det Series 1 Wiring Diagram

  • Xprog

  • Several Years Ago I Installed A Crown Boiler Cx 3

  • Anyone Here Really Good At Reading Wiring Diagrams

  • Radio Install

  • Several Years Ago I Installed A Crown Boiler Cx 3

  • Distributor Wiring

  • Gvd

  • More Megasquirt Wiring Questions

  • How To Wire A Ka Ca Sr And Vg Into Anything

  • Vvdi2 Vvdi Prog Bmw Obd U221aimmo U221a Mileage U221a

  • Smartkontrols Cas Wiring Diagram

  • Howto P11 Sr20ve Coil On Plug W 20v Crank Angle Sensor

  • Bmw E90 Cas Wiring Diagram

  • Bmw E90 Cas Wiring Diagram

  • Yanhua Mini Acdp Wiring Diagram Of Cas3 Cas4 Fem Bdc

  • Microtech Questions About Lt10 Wiring Diagram

  • Megasquirt V3 Wiring Instructions

  • Field Controls Ck61 Wiring Diagram

  • Wiring Harness - Case Ih Parts

  • 1g Cas Wiring In 2g Can U0026 39 T Locate Cam Sensor Plug

  • Vehicle Mazda Miata 1994

  • Bmw E65 Cas U0026 Ecu Connected On The Bench

Copyright © 2020 - KOMPETENCJECYFROWE.VILOGDANSK.EU


1937 Comments