Diagram Database

Posted by on 2020-12-29

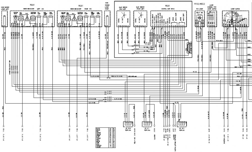
Audi Tt Headlight Wiring Diagram

KOMPETENCJECYFROWE.VILOGDANSK.EU

Audi Tt Headlight Wiring Diagram

  • Wiring Diagram
  • Date : December 29, 2020
  • Downloaded : 7264 times

Audi Tt Headlight Wiring Diagram Whats New

Tt Headlight

Downloads Audi Tt Headlight Wiring Diagram

  • Audi Tt Headlight Wiring Diagram Wiring Schematics Diagram

  • The Airconditioning And Radiator Fan In My 2001 Audi Tt

  • The Audi Tt Forum U2022 View Topic

  • Anyone Have A Lighting Wire Diagram I Am Having To

  • Mk Ii Headlight Replacement - Audi Forum

  • 996 To 997 Headlight Conversion Need Help With Wire

  • Xenon Headlight Issue

  • Headlight Wiring Diagram

  • Vwvortex Com

  • Diagnosing No Headlight With Relays 260z

  • Headlight Socket Wiring Diagram U2014 Untpikapps

  • 2012 Audi A6 Fuse Box

  • My Knight Rider 2000 Project Parking And Headlights Lower

  • Headlight Relay Kit A More Factory Looking Alternative

  • Help With A Light Kill Switch

  • Dan U0026 39 S Motorcycle U0026quot Wiring Diagrams U0026quot

  • Model T Ford Forum Headlights

  • Headlight Relay Wiring

  • High Beam Not Working - Honda Accord 2001

  • Headlight Switch U2022 Infinitybox

  • Retrofit Oem Xenon Headlights

  • 2002 996 Turbo Wiring Diagram- Headlight

  • Headlight Wiring Diagram

  • The Audi Tt Forum U2022 View Topic

  • Quattroworld Com Forums S4 U0026 S6 Lamp Module Autocheck

  • Basic Headlight Wiring Diagram

  • Wiring Diagrams

  • Headlight Socket Wiring Diagram

  • B5 A4 Completely Dead

  • 12 Pin Wiring Diagram

  • Vwvortex Com

  • Vwvortex Com

  • Anyone Have A Lighting Wire Diagram I Am Having To

  • Vwvortex Com

  • 2000 Audi Tt Mk1 8n

  • 2000 Audi Tt Coupe Quattro Steering Column Wiring Diagram

  • 2000 Audi Tt Coupe Quattro Steering Column Wiring Diagram

  • Alarm Fault

  • Headlight Switch Wiring Diagram Chevy Truck

  • Unique Vw Golf Mk5 Headlight Wiring Diagram Diagram

  • 19 Elegant Wiring Headlights With Relays

  • Looking For 2003 Headlight Wiring Diagram

  • Basic Headlight Wiring Diagram

  • Car Headlamp Circuit Diagram

  • Headlight Change 1 Small Problem

  • 944 Foot To The Floor How To Troubleshoot Porsche 944

  • Headlight Circuit Wiring Diagram

  • 2000 Audi Tt Coupe Quattro Steering Column Wiring Diagram

  • Audi Tt Fuel Pump Wiring Diagram In Addition Leryn

  • 2002 Audi Tt Bose Wiring Diagram

Copyright © 2020 - KOMPETENCJECYFROWE.VILOGDANSK.EU


1937 Comments