Diagram Database

Posted by on 2020-12-30

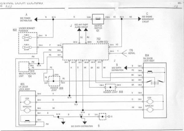
Audi 80 B4 Central Locking Wiring Diagram

KOMPETENCJECYFROWE.VILOGDANSK.EU

Audi 80 B4 Central Locking Wiring Diagram

  • Wiring Diagram
  • Date : December 30, 2020
  • Downloaded : 6565 times

Audi 80 B4 Central Locking Wiring Diagram Whats New

80 B4 Central Locking

Downloads Audi 80 B4 Central Locking Wiring Diagram

  • Audi 80 Central Locking And Alarm Control Unit Wiring

  • Audi 80 Central Locking And Alarm Control Unit Wiring

  • Wiring Diagrams Component Lookup

  • Zy 7423 Audi 80 Central Locking And Alarm Control Unit

  • Zy 7423 Audi 80 Central Locking And Alarm Control Unit

  • Zy 7423 Audi 80 Central Locking And Alarm Control Unit

  • Zy 7423 Audi 80 Central Locking And Alarm Control Unit

  • Hz 2987 Audi 80 Central Locking And Alarm Control Unit

  • Kia Sportage Central Locking Wiring Diagram

  • Audi 80 Wiring Diagram

  • Audi 80 Wiring Diagram

  • Hey Ive Got Central Locking In My Car But It Only Works

  • Hz 2987 Audi 80 Central Locking And Alarm Control Unit

  • Hey Ive Got Central Locking In My Car But It Only Works

  • Wiring Diagram For Kenmore 80 Series Dryer

  • Audi 80 Wiring Diagram Schematic

  • Central Locking Wiring Diagram

  • Audi 80 Wiring Diagram

  • Wiring Diagram Audi B4 Immobiliser

  • Car Central Lock Wiring Diagram

  • Hz 2987 Audi 80 Central Locking And Alarm Control Unit

  • 1994 Cabriolet Central Locking - Page 2

  • Ford Transit Forum U2022 View Topic 280 Fwd Drivers

  • Relay Wiring Diagram Door Locks

  • Audi 80 Wiring Diagram Schematic

  • Audi 80 Remote Central Locking

  • Wiring Diagram Audi B4 Immobiliser

  • Remote Central Locking Wiring Diagram

  • 27 5 Wire Door Lock Actuator Wiring Diagram

  • Centralny Zamek Passat B3

  • Hz 2987 Audi 80 Central Locking And Alarm Control Unit

  • Peugeot 306 Wiring Diagram Central Locking

  • Best Car Door Unlock Kit Remote April 2020 U2605 Top Value

  • Installing An Aftermarket Keyless Central Locking System

  • Zy 7423 Audi 80 Central Locking And Alarm Control Unit

  • Installing An Aftermarket Keyless Central Locking System

  • Service Owner Manual 1992 Audi 80 Wiring Diagram

  • Audi 80 Remote Central Locking

  • Hey Ive Got Central Locking In My Car But It Only Works

  • Audi 80 Remote Central Locking

  • Central Locking Wiring Diagram

  • Audi 80 Electric Window Relay

  • Quattroworld Com Forums Secrets Of The Hidden Alarm Horn

  • Mazda 323 Central Locking Wiring Diagram

  • Hz 2987 Audi 80 Central Locking And Alarm Control Unit

  • High Quality 12v Dc Motor Car Door Lock Central Locking

  • How To Wire Nissan 240sx And 300zx Door Locks Early 90 U0026 39 S

  • Car 4 Door Power Central Locking System Kit Control

  • Category Audi Wiring Diagram

  • Adding Power Locks

  • Mitsubishi Delica L400 U2013 Fuse Box Diagram U2013 Circuit Wiring

  • Wiring Diagram Audi B4 Immobiliser

  • Audi A4 B5 Stromlaufplan Pdf

  • Window Relay Rapidly Clicking And Buzzing

Copyright © 2020 - KOMPETENCJECYFROWE.VILOGDANSK.EU


1937 Comments