Diagram Database

Posted by on 2020-12-30

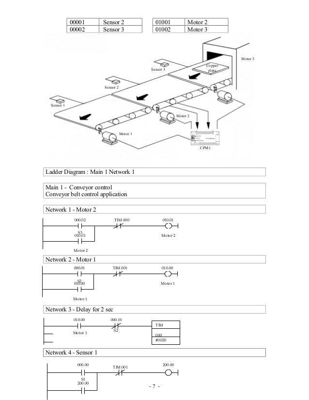
Apple Conveyor Ladder Diagram

KOMPETENCJECYFROWE.VILOGDANSK.EU

Apple Conveyor Ladder Diagram

  • Ladder Diagram
  • Date : December 30, 2020
  • Downloaded : 7246 times

Apple Conveyor Ladder Diagram Whats New

Conveyor

Downloads Apple Conveyor Ladder Diagram conveyor belt conveyor conveyor belting conveyor system conveyor rollers conveyor chain conveyor oven conveyor brush conveyor solutions conveyor belt restaurant conveyor belt material conveyors for sale conveyor belt vulcanizing conveyor pizza oven conveyors manufacturers conveyor company conveyor hmi conveyor belt sushi conveyor belt rollers conveyor transfer point conveyor roblox script conveyor companies ohio conveyor belt sushi colorado

  • Plc Controls Conveyors On And Off Sequence

  • Ladder Diagram - Automation Direct

  • Plc Conveyor Motor Ladder Logic

  • Plc Conveyor Motor Ladder Logic

  • Plc Based Industrial Conveyor Ladder Logic

  • Count And Pack Objects From Conveyor Using Plc Ladder Logic

  • Plc Program To Control The Sequence Of Conveyors And

  • Plc Based Industrial Conveyor Ladder Logic

  • Plc Program To Count And Pack Parts From Conveyor

  • Plc Program For Counting Of Parts From Conveyor

  • Count And Pack Objects From Conveyor Using Plc Ladder Logic

  • Conveyor Belt - Multisim Help

  • E4800 Ej501 Topic 5 Designing Plc Application

  • Solved 1 Draw A Plc Ladder Logic Diagram For A Conveyor

  • Count And Pack Objects From Conveyor Using Plc Ladder Logic

  • Ladder Logic For Conveyor Belt System

  • Conveyor Control Using Allen Bradley Plc

  • Me

  • Shows Ladder Logic Diagram Counting And Packaging Of

  • Conveyor Belts That Uses Plc U0026 39 S - Plcs Net

  • Count And Pack Objects From Conveyor Using Plc Ladder Logic

  • Plc Program To Count And Pack Parts From Conveyor

  • Unleash The Real Power Of Your Pc Icts

  • Electrical And Electronic Drawing

  • Plc Program To Sort Parts For Quality Control On Conveyor

  • Conveyor Belts That Uses Plc U0026 39 S - Plcs Net

  • Lsc2183mohamedismail

  • Applications

  • 382 Best Images About Plc Programming On Pinterest

  • Radial Ladder Belting Diagram

  • Conveyor Belts That Uses Plc U0026 39 S - Plcs Net

  • Plc Program For Continuous Filling Operation

  • Automatic Car Washing Using Plc Ladder Diagram

  • Plc Program For Automatic Bottle Rejection System

  • An Example Of A Programmable Controller Application

  • Applications

  • Siemens S7

  • Simulasi Conveyor 2 Dengan Cx

  • Ladder Logic Software - Electrician Talk

  • Ladder Conveyor Belting

  • Stop Pushbutton

  • Ladder Logic 202 Outputs U2013 Automationprimer

  • Conveyor Belt - Multisim Help

  • Automatic Car Washing Using Plc Ladder Diagram

  • 7 8 Automation Of Product Packaging

  • Matter New

  • How To Use Master Control Reset Mcr Instruction In Plc

  • Count And Pack Objects From Conveyor Using Plc Ladder Logic

  • Bai Tap Plc

  • Automatic Empty Bottle Detection Using Plc Logic

  • Solved Draw A Plc Ladder Logic Diagram For A Conveyor Sys

  • Plc Conveyor Ladder Logic Program

  • Plc Ladder Logic For Automatic Sorting Mixed Products

  • Plc Examples With Ladder Logic

  • Ladder Diagram Ld Programming

  • Blog Teknik U0026 Vokasi Program Plc Untuk Kontrol Motor Belt

Copyright © 2020 - KOMPETENCJECYFROWE.VILOGDANSK.EU


1937 Comments