Diagram Database

Posted by on 2020-12-29

Air Handling Unit Drain Diagram

KOMPETENCJECYFROWE.VILOGDANSK.EU

Air Handling Unit Drain Diagram

  • Drain Diagram
  • Date : December 29, 2020
  • Downloaded : 6068 times

Air Handling Unit Drain Diagram Whats New

Handling Unit

Downloads Air Handling Unit Drain Diagram handling unit handling unit hu handling unit plt handling unit info handling unit sap handling unit type handling unit means handling units def handling unit output handling unit status handling unit table handling unit tcode handling units fedex handling unit deutsch handling unit meaning handling unit number handling unit history handling unit in ewm handling unit sap wm handling units in sap handling unit sap table

  • Condensate Drainage

  • Where Is The Secondary Drain Line Connection On A Trane

  • Ahu Condensate Usage And Appllication

  • Proper Condensate Drain Line Installation

  • Charleston Home Inspector Discusses Air Handler Condensate

  • Trane Model Bwe924g10nd0 Air Handler Indoor Blower U0026evap

  • Consulting

  • Air Conditioning Unit Not Working How To Spot The Problem

  • Outside Ac Unit Diagram

  • Humidification Basics Part 15 Steam Humidifier Condensate

  • Understanding Hvac Condensate Traps

  • Charleston Home Inspector Discusses Air Handler Condensate

  • 606 2 1 Shuting Dn Hvac With Area Smoke

  • Mechanicalsystem

  • Building Utilities Juni 2015

  • Techshore Inspection Services

  • U300cair Handling Unit U300d U7684 U5716 U7247 U641c U5c0b U7d50 U679c

  • 2 0 Ton Goodman Central Indoor Air Handler Awuf24 16

  • Attic Air Conditioner Condensation

  • Instrumentation And Control For Milk Pasteurization And

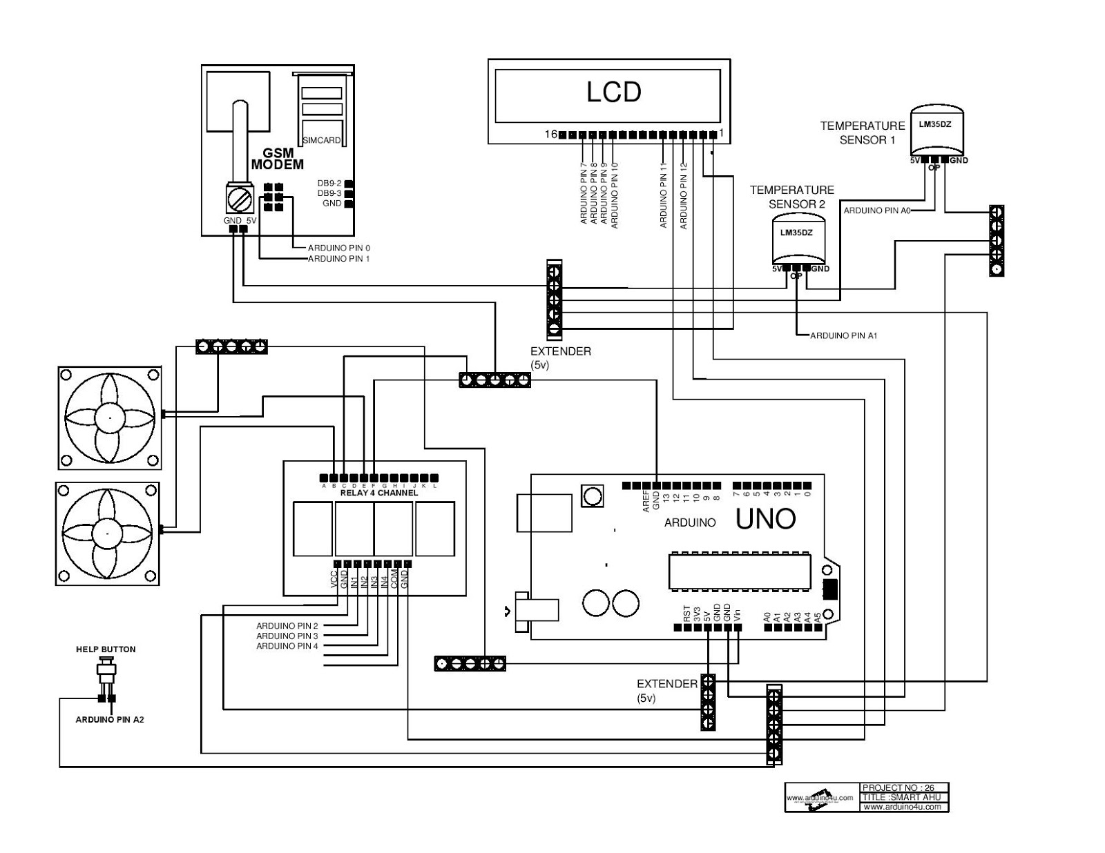
  • Projek Elektronik Arduino4u Com 26 Smart Air Handling

  • What Is An Hvac And What Does Hvac Stand For

  • Air Handling Units Ahu Hvac Series Part I

  • Schematic Of A Typical Draw

  • Centralized Air Conditioning System Diagram

  • Schematic Of Vav Air Handling Unit And Measurement

  • Handling Unit Management Hum For Production

  • Air Handler Parts And Accessories

  • Hvac - Ahu Valve Connection Details

  • Where Is My Air Conditioner Filter

  • Residential Ac Condensate Drain By Gravity - Hvac

  • How Does A Condensate Drain Pan Work

  • Inside Air Handler Needs P Trap Drain - Hvac

  • Pictures Of Air Conditioning Installations And Problems

  • Best Way To Insulate Air Handlers

  • 1 Schematic Representation Of The Climate Chamber And The

  • Heat Pipe Ahu Heat Pipe System

  • Repair

  • Patent Us6931882

  • 2 A Typical Single Duct Air Handling Unit

  • Ac Condensate Drains

  • A C System Condensate Drains Condensate Piping

  • Aco Aquaduct

  • Instrumentation And Control For Milk Pasteurization And

  • Hvac - Air Handler Condensation Draining Problem

  • Instrumentation And Control For Milk Pasteurization And

  • Charleston Home Inspector Discusses Air Handler Condensate

  • I Have A Lennox Heat Pump System M N Cb30m

  • Figure 1 From Fault Diagnosis Of Hvac Air Handling Units

  • Air Side Equipment

  • What Your Building Isn U2019t Telling You U2013 A New Deal For

  • Drain Line Plugged On Air Handler Unit

  • Schematic Diagram Of An Air

Copyright © 2020 - KOMPETENCJECYFROWE.VILOGDANSK.EU


1937 Comments