Diagram Database

Posted by on 2020-12-30

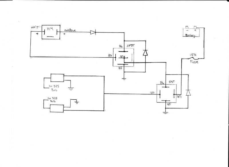
99 Civic Fog Light Wiring Diagram

KOMPETENCJECYFROWE.VILOGDANSK.EU

99 Civic Fog Light Wiring Diagram

  • Wiring Diagram
  • Date : December 30, 2020
  • Downloaded : 7142 times

99 Civic Fog Light Wiring Diagram Whats New

Civic Fog Light

Downloads 99 Civic Fog Light Wiring Diagram civic type r fog lights civic 10th gen fog lights 2020 civic fog lights 2016 civic fog light bulb 2016 civic fog light install

  • 02 Tl-s Fog Light Switch With Civic Fogs

  • Wiring Guru U0026 39 S Fog Light Help - Honda-tech

  • 99-00 Civic Ebay Fog Light Switch And Wiring

  • Fog Lights U0026 39 09 Civic Coupe

  • Last Edited By Riruiz 88 12

  • Fog Lights U0026 39 09 Civic Coupe

  • Wiring Guru U0026 39 S Fog Light Help - Honda-tech

  • Civic Fog Light Wiring Diagram

  • Civic Fog Light Wiring Diagram

  • 02 Tl-s Fog Light Switch With Civic Fogs

  • Civic Fog Light Wiring Diagram

  • Civic Fog Light Wiring Diagram

  • Honda Civic Fog Light Harness Diagram

  • Honda Civic Fog Light Harness Diagram

  • Civic Fog Light Wiring Diagram

  • Hid Problem - 1 Bulb Not Working

  • 5th Gen Prelude Rear Fog Light Wiring

  • Drl Switch Fogs - Few Questions - Acurazine

  • Another Fog Light Install Thread

  • 1998 Honda Civic Fog Light Wiring Diagram

  • 20 Awesome 2001 Honda Civic Headlight Wiring Diagram

  • 2000 Honda Civic Fog Light Wiring Diagram

  • 97 Accord

  • Diy Rear Fog Light Install

  • Drl And Foglight Wiring Diagram Help - Honda-tech

  • 97 Accord Power Window Wiring Diagram

  • Ebay Fog Light Wiring 99-00 Civic

  • Civic Fog Light Wiring Diagram

  • Need Fog Light Diagram - Honda-tech

  • Honda Civic Fog Light Harness Diagram

  • Diy For 99-00 Civic Foglight Wires

  • Honda Civic Fog Light Harness Diagram

  • Mk Vi Front Fog Light Switch Wiring Diagram

  • Honda Civic Fog Light Harness Diagram

  • I Am Looking For A Wiring Diagram For Fog Lights For A

  • Honda Civic Fog Light Wiring Diagram

  • Diy Ebay Fogs Need A S A P Help

  • Diy Honda Civic 92

  • 98 Honda Civic Engine Diagram

  • Russdamac 2005 Honda Civic Specs Photos Modification

  • Diy Fog Light Install And Wiring

  • Civic Fog Light Wiring Diagram

  • 92 Accord Fog Light Wiring

  • Honda Civic How To Wire Fog Lights

  • Wiring U0026 39 96- U0026 39 98 Fog Lights To Headlight Switch

  • Weekend Project After Market Fog Light Install

  • Civic Fog Light Wiring Diagram

  • Full Diy 01

  • Accord Oem Fog Light Switch Wiring Part 1

Copyright © 2020 - KOMPETENCJECYFROWE.VILOGDANSK.EU


1937 Comments