Diagram Database

Posted by on 2020-12-30

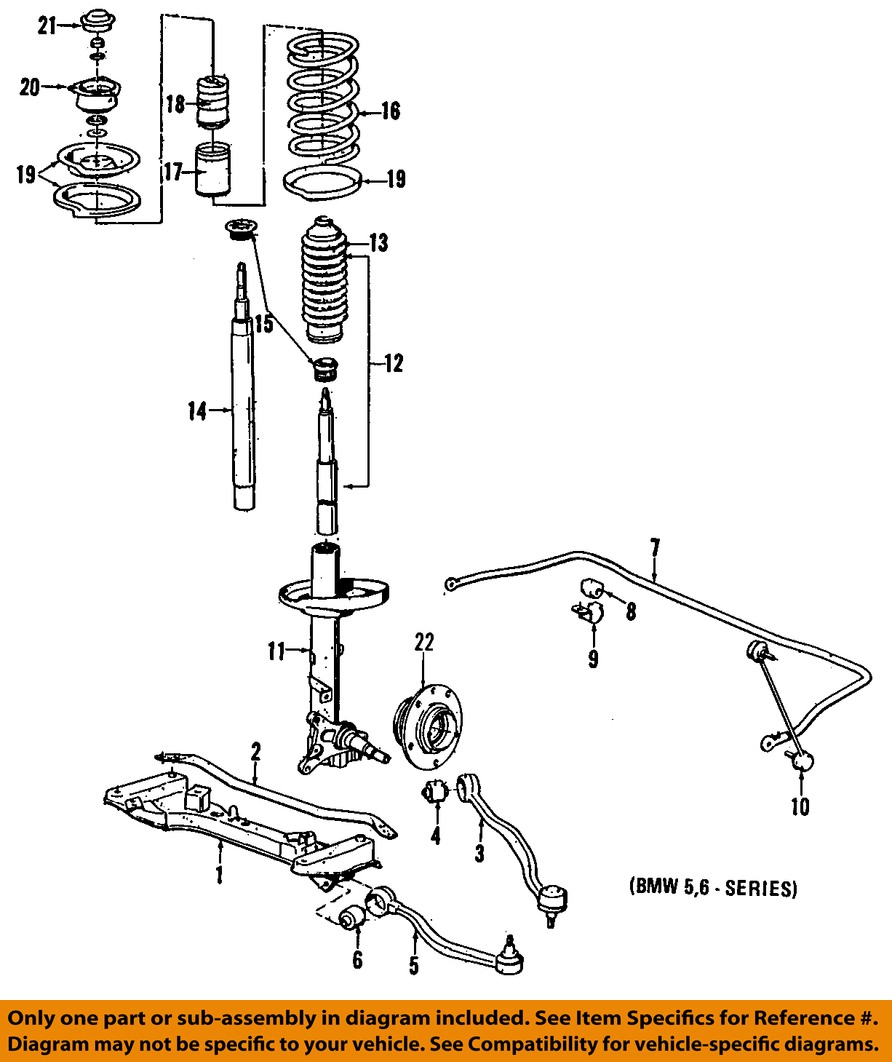
97 Bmw 328i Front Sway Bar Diagram

KOMPETENCJECYFROWE.VILOGDANSK.EU

97 Bmw 328i Front Sway Bar Diagram

  • Bar Diagram
  • Date : December 30, 2020
  • Downloaded : 6159 times

97 Bmw 328i Front Sway Bar Diagram Whats New

Bmw 328i Front Sway

Downloads 97 Bmw 328i Front Sway Bar Diagram

  • Bmw X5 Active Stabilizer Bar Front Suspension

  • Bmw X5 Active Stabilizer Bar Front Suspension

  • Mevotech Suspension Stabilizer Bar Link Kit Front Rear For

  • Proforged U00ae 323i 328ci 328i 2000 Sway Bar

  • Bmw Oem 06

  • Bmw Oem 06

  • Uuc Motorwerks Barbarian Front Sway Bar Bmw F30 335i

  • For 2007

  • 2pcs Front Sway Bar End Link Stabilizer Bars Ball Joint

  • Fits Bmw Zinoro E1 Sway

  • Mevotech Suspension Stabilizer Bar Link Kit Front Rear For

  • Mevotech Suspension Stabilizer Bar Link Kit Front Rear For

  • Uro Parts U00ae 323i 328ci 328i 2000

  • Front Sway Bar Link Replacement On The E36 M3

  • Moog Front Left Stabilizer Sway Bar Link For 2009

  • For Bmw X3 Sway Bar Link 2004

  • Klc154

  • For Bmw X3 Sway Bar Link 2004

  • Bmw E36 Rear Sway Bar Bushing Replacement

  • Front Left Sway Bar Link For Bmw 325xi 328i Xdrive 328xi

  • Anti-roll-kit Front And Rear Sway Bars

  • For 2014

  • 33500444832g E92 325i 328i 330i 335i Genuine Bmw

  • Front Right Sway Bar Link For 2007

  • Mevotech U00ae

  • Whiteline Bbk004 Front And Rear Sway Bar Vehicle Kit Fits

  • Bmw E39 540i M5 1997 To 2003 Replacement Suspension Bushings

  • For Bmw 328i 335i Sway Bar Link 2007 08 09 10 11 12 2013

  • 1997 528i 530i 6

  • 1997 528i 530i 6

  • For 2006 Bmw 330i Stabilizer Bar Link Front Right Moog

  • Front Right Sway Bar End Link Fits Bmw 325i 330i 328i 335i

  • For 1996

  • Front Control Arms Sway Bar Links Tie Rods U0026 Bushings 3

  • 007277ecs01kt 21 Performance

  • Uro Parts U00ae 31356765574

  • Mevotech U00ae 323i 328ci 328i 2000 Original

  • Powerflex Front Control Arm Rear Bushes Offset

  • Front Sway Bar Link Rod Powerflex Diy Upgrade Bmw E36 Z3

  • Front Suspension Sway Bar Link For Bmw E46 323i 325ci 325i

  • Front Sway Bar Stabilizer Link Left Or Right Fits Bmw E30

  • Hotchkis 25826f Front End Link Set Sway Bar Set Fits 99

  • Bmw 3 Series E46 Front Sway Bar Link Replacement

  • Hotchkis U00ae

  • New Suspension Stabilizer Bar Link Front Right For Bmw

  • Front Sway Bar End Link Pair Set For Bmw Z4 M3 3 Series

  • Front Sway Bar Bushing Stabilizer For Bmw E90 E91 316i

  • Bmw 3 Series E36 Front Sway Bar Bushings 12 5101

  • Bmwmsfsbk

  • Bmw E30 3

  • Bmw E46 Sway Bar Link Replacement Removal 320i 323i 325i

  • Bmw Oem 89

  • Mevotech U00ae

  • Bmw E30 E36 Front Suspension Overhaul

  • Front Left Right Sway Bar Stabilizer Link For Bmw E46 E85

  • Front Suspension Sway Bar End Link Left Driver Side For

  • Adjustable Front Anti Roll Sway Bar Drop Links 10 U0026quot 12 U0026quot For

  • Bmw Stabilizer Sway Bar Link Front 318i 320i 323i 325i

  • Bmw E90 Stabilizer Bar Link Replacement

Copyright © 2020 - KOMPETENCJECYFROWE.VILOGDANSK.EU


1937 Comments