Diagram Database

Posted by on 2020-12-29

92 Camaro Diagrams

KOMPETENCJECYFROWE.VILOGDANSK.EU

92 Camaro Diagrams

  • Camaro Diagrams
  • Date : December 29, 2020
  • Downloaded : 5818 times

92 Camaro Diagrams Whats New

Camaro

Downloads 92 Camaro Diagrams camaro cameron boyce camaro zl1 cameron diaz camaro for sale camarones camaro ss cameron mathison camaro convertible camaro 2020 camaro rs camaro5com camaro6 camaro central camarones al ajillo camaro car camaro 2021 camaro parts camaro price camaro coats camaro vs mustang camaro zl1 for sale camaro ss for sale camaro 2010 camaro convertible for sale

  • 1968 Camaro Wiring Diagram For Android

  • Where Is The Tail Light Switch On A U0026 39 Camaro Reverse

  • 1968 Camaro Wiring Diagram Pdf

  • 1968 Camaro Wiring Diagram Pdf

  • 1971 Camaro Wiring Diagram

  • 1968 Camaro Wiring Diagram Pdf

  • 1968 Camaro Wiring Diagram Pdf

  • 1969 69 Camaro Full Color Wiring Diagrams And Electrical

  • 68 Camaro Wiring Diagram

  • 1969 Chevrolet Camaro Parts

  • 1971 Camaro Wiring Diagram For Android

  • 1969 Firebird Wiring Diagram

  • 1985 Camaro Z28 305 5 0l Wiring Diagram

  • 1981 Chevrolet Camaro Wiring Diagram

  • 1968 Camaro Wiring Diagram Pdf

  • 2010 Camaro Part Reference Guide And Schematic Drawings

  • Bcm Wiring Camaro Zl1 Ss

  • 1998 Camaro Z28 Wiring Diagram

  • Chevrolet Camaro Starting System Circuit Wiring Diagram

  • 2nd Gen Diagrams - Camaro Forums

  • 68 1968 Chevrolet Camaro Electrical Wiring Diagram Manual

  • New Vacuum Diagram

  • Chevrolet Camaro 2010-2015 Fuse Box Diagrams

  • How

  • 1968 Chevrolet Camaro Wiring Diagram

  • 1969 Camaro Wiring Diagram

  • Steve U0026 39 S Camaro Parts Steve U0026 39 S Camaro Parts

  • Chevrolet Camaro 1999 U2013 2002 U2013 Fuse Box Diagram

  • Chevrolet Camaro 2013 U2013 Fuse Box Diagram U2013 Circuit

  • Chevrolet Camaro Parts

  • 1967 Chevrolet Camaro Parts

  • Chevrolet Camaro 1993 2002 Parts U0026 Diagrams Manual

  • Chevrolet Camaro 2017 - 2018 - Fuse Box Diagram

  • 69 Chevy Camaro Electrical Wiring Diagram Manual 1969

  • Chevrolet Camaro Parts

  • Steering Column Wiring Question - Ls1tech

  • Chevrolet Camaro Wiring Diagrams

  • Chevrolet Camaro 2012 U2013 Fuse Box Diagram

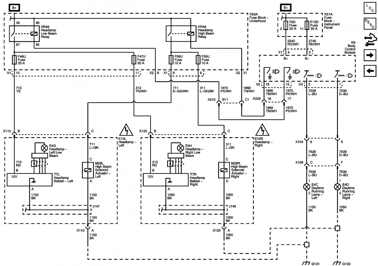
  • 1992 Camaro Wiring Diagram

  • 1982 Z28 Camaro Wiring Diagram

  • Chevrolet Camaro 2010-2011 Repair

  • 1972 All Makes All Models Parts

  • 1976 Camaro Dash Cluster U0026 Interior Wiring Schematic

  • 1992 Camaro Rear Hatch Wiring

  • 1968 Camaro Wiring Harness Diagram

  • Chevy Camaro Z28 5 7l 1981 Wiring Diagram

  • Servicerepairmanualspdf Chevrolet Camaro 2010 Repair Manual

  • 69 Camaro Wiring Diagram

  • 1971 Camaro Engine U0026 Forward Light Wiring Schematic 61381

  • Steve U0026 39 S Camaro Parts 1969 Camaro

  • 1991 Anniversary Rs Camaro V6 What Is The Firing Order On

  • Solved 1987 Camaro Iroc-z Need Wiring Diagram For

Copyright © 2020 - KOMPETENCJECYFROWE.VILOGDANSK.EU


1937 Comments