Diagram Database

Posted by on 2020-12-30

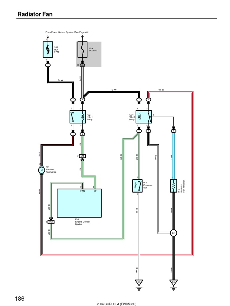
7afe Corolla Engine Cooling System Diagram

KOMPETENCJECYFROWE.VILOGDANSK.EU

7afe Corolla Engine Cooling System Diagram

  • System Diagram
  • Date : December 30, 2020
  • Downloaded : 6025 times

7afe Corolla Engine Cooling System Diagram Whats New

Corolla Engine Cooling

Downloads 7afe Corolla Engine Cooling System Diagram corolla engine code corolla engine code location

  • Toyota Corolla Engine Coolant Reservoir

  • Toyota Corolla Engine Coolant Thermostat Housing

  • Toyota Corolla Cooling System Diagram

  • Toyota Corolla Cooling System Diagram

  • Toyota Corolla Engine Coolant Thermostat Housing Gasket

  • Toyota Corolla Cooling System Diagram

  • Toyota Corolla Engine Coolant Reservoir

  • Toyota Corolla Radiator Coolant Hose

  • Toyota Corolla Engine Coolant Thermostat Housing

  • Toyota Corolla Engine Coolant Thermostat Housing

  • Toyota Corolla Engine Cooling Fan Controller 1 8 Liter

  • 1994 Toyota Corolla Hose Radiator Outlet Engine

  • Toyota Corolla Radiator Coolant Hose Engine Cooling

  • 2005 Toyota Corolla Engine Coolant Temperature Sensor

  • Resistant Location Toyotum Corolla Engine Diagram

  • 1998 Toyota Corolla Engine Coolant Bypass Pipe Pipe

  • Toyota Corolla Radiator Coolant Hose Upper Lower

  • 30 2005 Toyota Corolla Parts Diagram

  • Toyota Corolla Radiator Coolant Hose

  • Toyota Corolla Engine Coolant Hose

  • 2019 Toyota Corolla Radiator Coolant Hose Side Engine

  • Toyota Corolla Hose Radiator Outlet Engine Cooling

  • 2005 Toyota Corolla Engine Coolant Bypass Pipe

  • Repair Guides

  • 2017 Toyota Corolla Im Engine Coolant Thermostat Housing

  • Toyota Camry 2003 Engine Diagram

  • Toyota 4a Fe Engine Cooling System Diagram

  • Schematics And Diagrams Toyota Water Pump Replacing For

  • Toyota 22r Engine Coolant Diagram

  • Toyota Technical Diagrams

  • Toyota Oem

  • 2006 Toyota Corolla Hvac Heater Hose Hose Heater Water

  • Toyota Corolla Engine Coolant Hose

  • System Index - Toyota Corolla 2004 Wiring

  • 2015 Toyota Corolla Engine Coolant Reservoir Cap

  • 2004 Corolla Electrical Diagram

  • Toyota Corolla Cooling System Diagram

  • Corolla U0026 39 93 2e Ee100r Vacuum Lines

  • 1999 Toyota Corolla Coolant Temperature Sensor Location

  • Toyota Corolla 2009 - 2012 - Fuse Box Diagram

  • Toyota Oem 92

  • Toyota Corolla Radiator Coolant Hose Upper Lower 1 8

  • Wiring Diagrams

  • Toyota Workshop Manuals U0026gt Corolla S Sedan L4

  • Toyota Corolla Engine Water Pump Housing Cooling

  • Thermostat How It Works Symptoms Problems Testing

  • 2007 Toyota Corolla Hvac Heater Hose Hose Heater Water

  • Toyota Corolla Questions

  • 2015 Toyota Corolla Engine Coolant Reservoir Cap

  • Tr 2369 Toyota Camry Engine Diagram On Wiring Diagram

  • Toyota Corolla Engine Cooling Fan Motor May Radiator

  • Toyota Corolla Engine Coolant Reservoir

  • Toyota Corolla Engine Cooling Fan Blade Engine Cooling

  • Diagram 2009 Toyota Corolla Engine Diagram Full Version

  • U0026 39 95

  • Cooling System Toyota Corolla

Copyright © 2020 - KOMPETENCJECYFROWE.VILOGDANSK.EU


1937 Comments