Diagram Database

Posted by on 2020-12-30

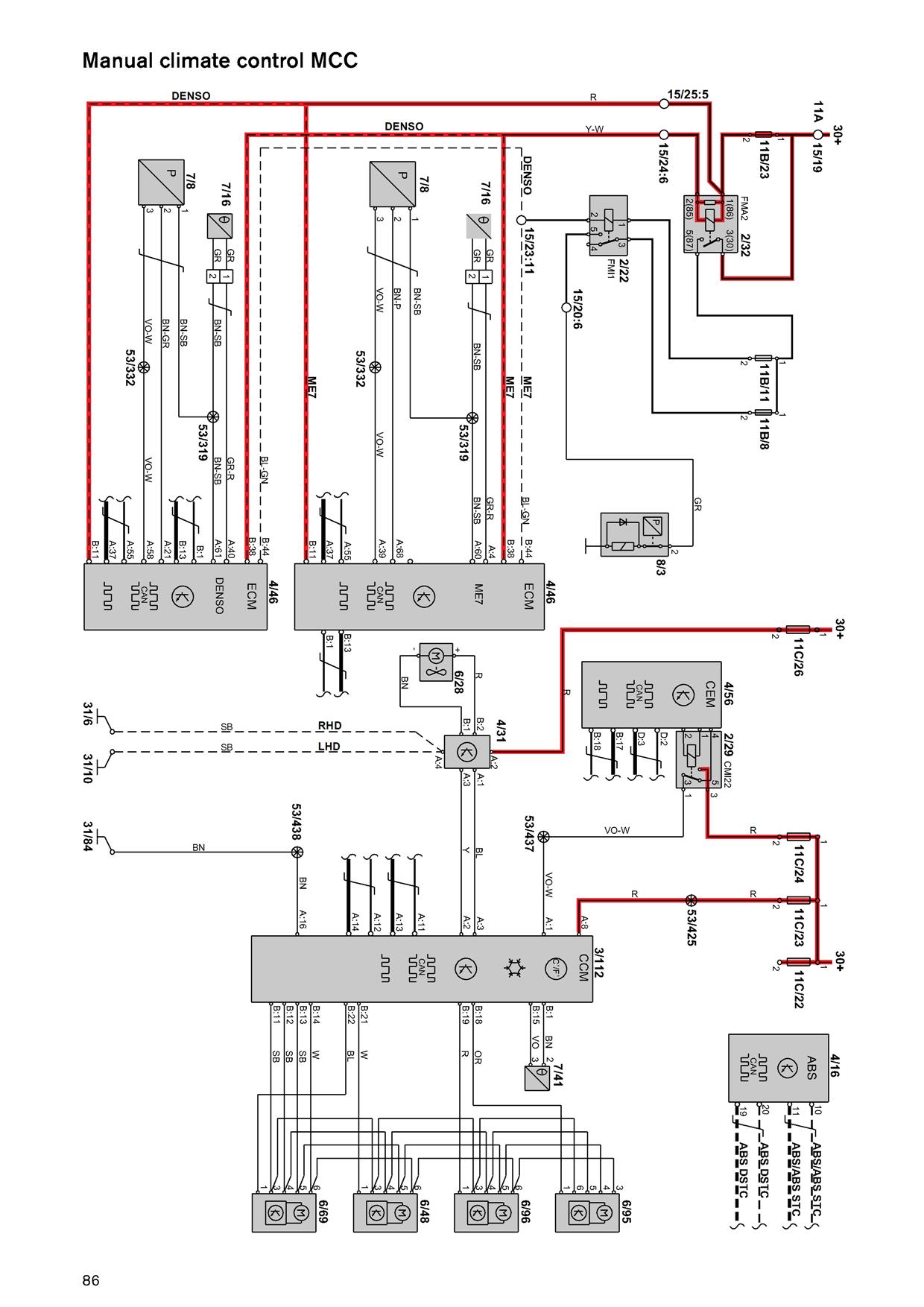
2011 Volvo C3s4v5c7wiring Diagrams

KOMPETENCJECYFROWE.VILOGDANSK.EU

2011 Volvo C3s4v5c7wiring Diagrams

  • C3s4v5c7wiring Diagrams
  • Date : December 30, 2020
  • Downloaded : 5815 times

2011 Volvo C3s4v5c7wiring Diagrams Whats New

Volvo

Downloads 2011 Volvo C3s4v5c7wiring Diagrams volvo volvo xc90 volvo xc40 volvo xc60 volvo usa volvo s60 volvo cars volvo suv volvo v60 volvo financial volvo parts volvo dealership near me volvo xc70 volvo p1800 volvo recall airbag volvo s90 volvo c70 volvo c30 volvo trucks volvo financial services login volvox volvo suv models volvo xc90 for sale volvo penta parts

  • Volvo C30 Wiring Harness Mobile Telephone Telefixed

  • U0026 39 01 S60 Blower Motor Or Resistor

  • Last Edited By Lloyddobler 05

  • Volvo C30 Bracket Bumper Rear Body - 31323158

  • Volvo C30 Valance Panel Front Spoiler Body Kit Bumper

  • 8663894

  • Code P1170 - Volvo Forums

  • I Have 1998 Volvo V70 Glt

  • 30769225

  • 2011 Volvo C70 T5 5 Cyl 2 5l B5254t7 Motor U0026 Components

  • 2006 Volvo C70 Clip Code Panel Door

  • Volvo C30 Valance Panel Front Spoiler Body Kit Bumper

  • 1998 S70 Tensioner Removal Only

  • 1998 Volvo S70 T5m Codes Galore

  • I Have 1998 Volvo V70 Glt

  • I Need Direction And Diagrams To Connect Vacuum Air Fuel

  • The Air Blower Switch On My 2006 Volvo C70 On The Interior

  • Have A Volvo S70 No Start Checked For Spark At S Plug

  • 2001 Volvo C70 Convertible Came To My Transmission Shop

  • C30 - Volvo

  • 2012 Volvo S60 T5 5 Cyl 2 5l B5254t5 Bumper U0026 Components

  • Volvo S40 04- V50 2006 Wiring Diagram

  • 2009 Volvo Xc60 Body

  • 1998 Volvo C70 Base 5 Cyl 2 4l B5254t Hood U0026 Components

  • 5003965

  • Diy 1998 Volvo S70 Glt Pcv Mod No More Smoking Dipstick

Copyright © 2020 - KOMPETENCJECYFROWE.VILOGDANSK.EU


1937 Comments