Diagram Database

Posted by on 2020-12-30

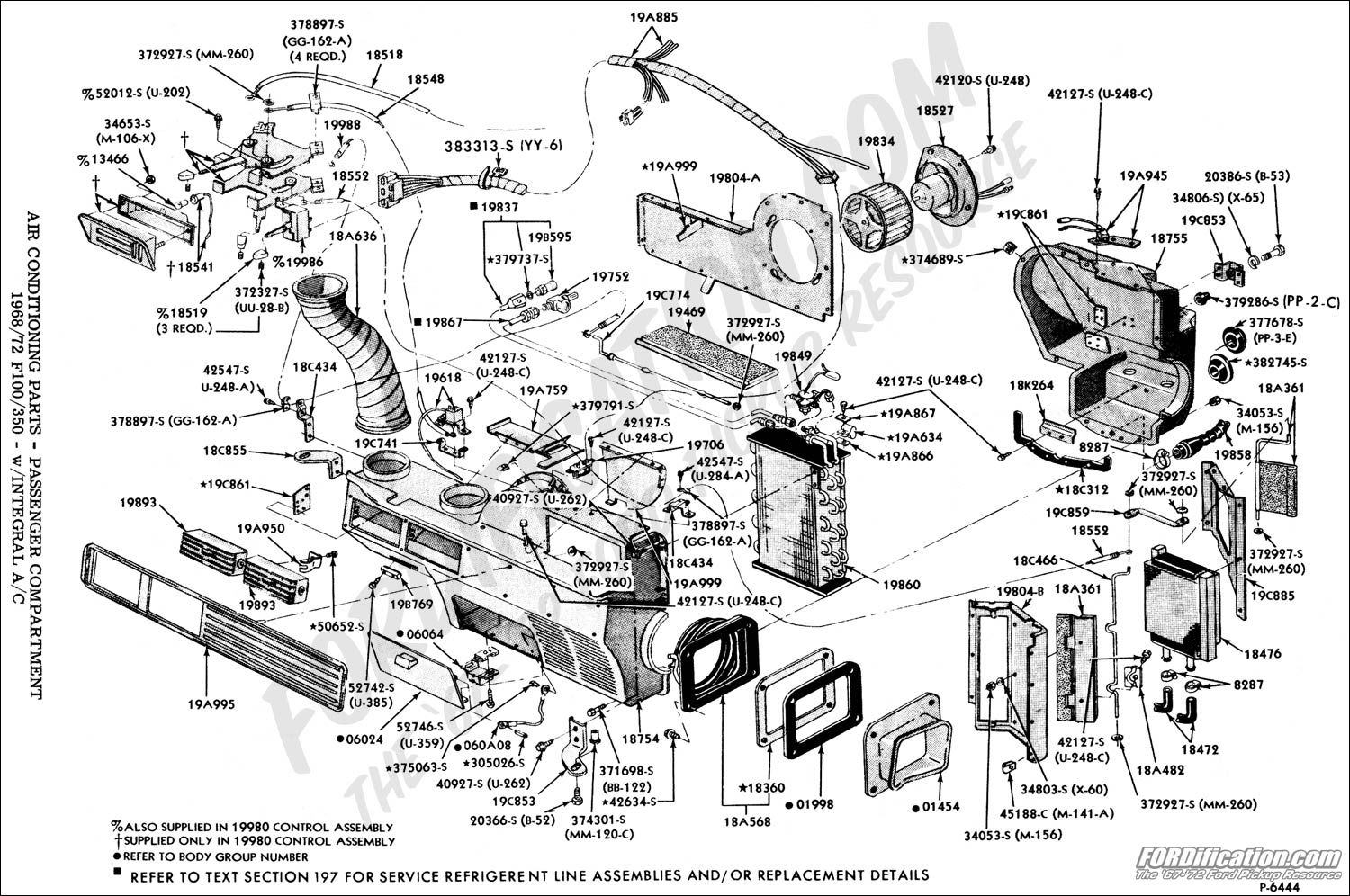
2009 Ford F150 Hvac Diagram

KOMPETENCJECYFROWE.VILOGDANSK.EU

2009 Ford F150 Hvac Diagram

  • Hvac Diagram
  • Date : December 30, 2020
  • Downloaded : 7181 times

2009 Ford F150 Hvac Diagram Whats New

Ford F150

Downloads 2009 Ford F150 Hvac Diagram ford f150 2021 ford f150 4x4 ford f150 leases specials ford f150 accessories ford f150 2019 ford f150 lariat ford f150 electric ford f150 accessories 2020 ford f150 mudding ford f150 2020 pricing ford f150 forum ford f150 hybrid 2020 ford f150 lease deals 2020 ford f150 running boards ford f150 hybrid 2021 price ford f150 wikipedia ford f150 diesel for sale ford f150 parts ford f150 floor mats ford f150 diesel ford f150 for sale near me used ford f150 towing capacity chart ford f150 used trucks for sale

  • 94

  • Wiring Database 2020 28 1999 Ford Expedition Vacuum Hose

  • 2010 Ford F

  • Ford F-150 A C Compressor Repair Make

  • 2002 F150 Shift 4x4 170 000 Grinding Actuator Vacuum Leaks

  • 2001 Ford F

  • 1998 Ford F150 4 6 L Triton No Ac Compressor Clutch Does

  • Ford F C Compressor Clutch Coil Liter Conditioner

  • Hvacvac Jpg U0026 39 92

  • 1993 F250 The Ac Clutch Control Is Not Working Bump Relay

  • Where Is The Low Pressure Port For Adding Refrigerant To A

  • Can You Provide A Diagram Of The Air Conditioning System

  • Ac Heat Only Blows On Feet

  • Hvac Stuck On Heat - Ford F150 Forum

  • 2003 F350 Ac Wiring Schematic

  • 2010 Ford F

  • 2006 Ford F 150 Diagram For Hvac Blender Box Are The

  • Ford F

  • 97 Ford Escort Air Conditioning Does Not Turn On

  • Ford F Dual Zone Auto Ac

  • I Have A 2000 Ford F150 4x4 And A C Not Working If I Put

  • Weak Towing 2000 F250 7 3 4x4

  • 2016 Ford F Dual Zone Ac Heater

  • Lr 8270 2009 Ford F150 Hvac Diagram Schematic Wiring

  • Where U0026 39 S The Low Pressure A C On A 96

  • 2005 Ford F150 Interior Parts Diagram

  • Ford F150 Is Blowing Fuse When I Turn Air Conditioner On

  • 73-79 300ci A C U0026 Ps Bracket Locations

  • 1996 Bronco A C Troubleshooting

  • 1986 F150 Blower Motor And Def Ac And Floor Selector Not

  • Dg1z19805d

  • 1989 F150 351w Fi Need Vacuum Diagrams Pictures Please

  • Blend Door Actuator Help Please

  • 2010 Ford F

  • Ford F150 Air Conditioning Wiring Diagram

  • 1986 F250 Defrost Blow Heater Core The Plenum To The

  • 95 F150 Hvac 45 Mph Switches The Air To Defrost

  • Ford F150 Air Conditioning Wiring Diagram

  • Help With Ford Part Number

  • Technical Car Experts Answers Everything You Need Hvac

  • Gl3z18842bca

  • 2003 Ford F150 4 6 Heater O2 Wiring Diagram

  • 1999 Ford F 150 Wiring Diagram Hvac

  • Ford F150 Air Conditioning Wiring Diagram

  • Ford Expedition Air Conditioning Diagram

  • Ford F C Condenser Condenser Air Conditioning A

  • 95 F150 Hvac 45 Mph Switches The Air To Defrost

  • 2016 Ford F C Compressor Clutch Assembly

  • Ford E350 Vacuum Diagram U2014 Untpikapps

Copyright © 2020 - KOMPETENCJECYFROWE.VILOGDANSK.EU


1937 Comments