Diagram Database

Posted by on 2020-12-30

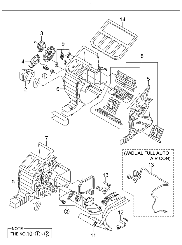
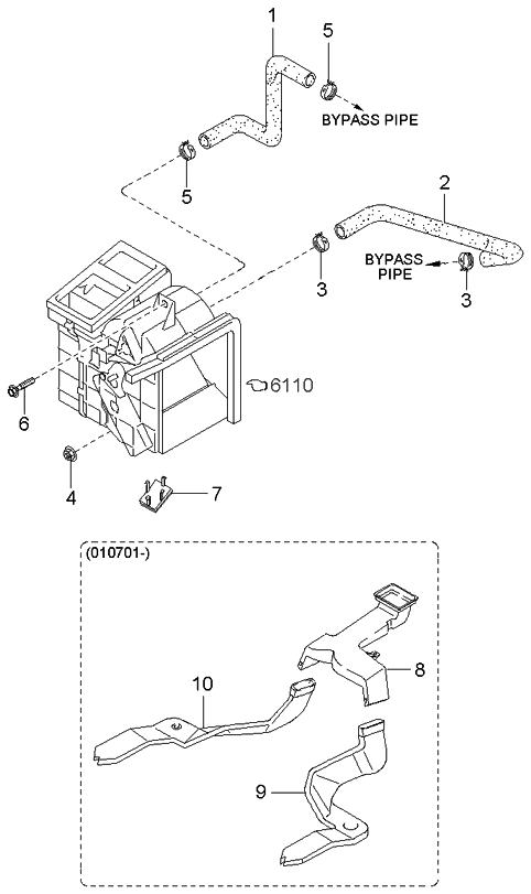
2002 Kia Sportage Heater Core Diagram

KOMPETENCJECYFROWE.VILOGDANSK.EU

2002 Kia Sportage Heater Core Diagram

  • Core Diagram
  • Date : December 30, 2020
  • Downloaded : 6377 times

2002 Kia Sportage Heater Core Diagram Whats New

Kia Sportage Heater

Downloads 2002 Kia Sportage Heater Core Diagram kia sportage heater not working kia sportage heater core replacement

  • I Have A 1999 Kia Sportage 2 0 Eng Have Just Completed

  • How Do I Change The Heater Core On My 1999 Kia Sportage Gsx

  • 2008 Kia Sportage Lx Sport Utility 2 0l A T Fwd A C

  • How Do You Change The Heater Core In A 2000 Kia Sportage

  • I Am Trying To Remove The Heater Core Case From A 1996 Kia

  • 971352s200

  • I Have A 1999 Kia Sportage 2 0 Eng Have Just Completed

  • 2012 Kia Sportage Heater System-heater Control

  • Kia Sportage Spare Parts List

  • 2017 Kia Sportage Heater System-heater Control

  • Technical Car Experts Answers Everything You Need How To

  • 971322d200

  • 2013 Kia Sportage Heater System-duct U0026 Hose

  • 971391m000

  • Heater Core Removal Replacement Workaround - Page 4

  • I Have A 2004 Kia Sedona Lx Van When I Put The Heater On

  • 2001 Kia Sportage Heater

  • 97133d3000

  • Kia Sportage A C Evaporator Temperature Sensor Air

  • 971574d000

  • 253102e800

  • 2002 Kia Sportage Heater Control

  • 973601f000

  • Kia Sportage Radiator Support Splash Shield Front Lower

  • Heater Core Removal Replacement Workaround - Page 4

  • A Sportage Heater Core Is Simple To Fix

  • How To Remove And Install Heater Core 98 Kia Sportage

  • Heater Core Removal Replacement Workaround

  • 2005 Heater Core Housing Assembly

  • Kia Optima Heater Core Replacement 04 Kia The Heater

  • 2002 Kia 4x4 Sportage Heater Core Repair

  • Heater Core For 1995

  • Hvac Heater Core Fits 1995

  • 972273e260

  • Heater Core How Replacement Heater Core Kia Sedona 2003

  • Heater Core Replacement Rio5 2006

  • Kia Oem 05

  • Kia Sportage Heater Core Removal And Replacement

  • For 2005

  • 971292m000

  • 971391f200

  • Heater Core Removal Replacement Workaround - Page 4

  • 971541u000

  • 07 Sportage Blower Motor Wiring Diagram

  • Heater Core For 1995

  • For Hyundai Tucson U0026 Kia Sportage New Oem Radiator Tcp

  • How Do You Change The Heater Core In A 2000 Kia Sportage

  • 253802s500

  • 97171c6000

  • Kia Sportage

  • For 1995

  • 972501f081

  • Kia Sportage Radiator Support Panel Front Lower Motor

  • Repair Guides

  • I Have A 02 Kia Sportage Problem No Power To Blower Motor

Copyright © 2020 - KOMPETENCJECYFROWE.VILOGDANSK.EU


1937 Comments