Diagram Database

Posted by on 2020-12-30

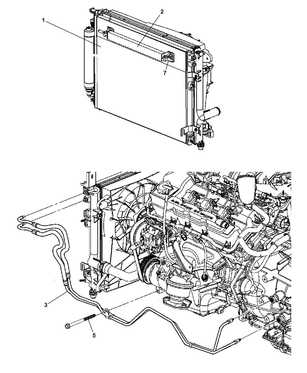
2000 Chrysler 300m Coolant Diagram

KOMPETENCJECYFROWE.VILOGDANSK.EU

2000 Chrysler 300m Coolant Diagram

  • Coolant Diagram
  • Date : December 30, 2020
  • Downloaded : 5788 times

2000 Chrysler 300m Coolant Diagram Whats New

Chrysler 300m

Downloads 2000 Chrysler 300m Coolant Diagram chrysler 300m chrysler 300m enthusiasts club chrysler 300m hp chrysler 300m mpg chrysler 300m 2005 chrysler 300m 2006 chrysler 300m 2017 chrysler 300m 2020 chrysler 300m club chrysler 300m hemi chrysler 300m pics chrysler 300m rims chrysler 300m srt chrysler 300m 1999 chrysler 300m 2000 chrysler 300m 2001 chrysler 300m 2002 chrysler 300m 2003 chrysler 300m 2004 chrysler 300m clock chrysler 300m seats chrysler 300m specs chrysler 300m wiki chrysler 300m custom chrysler 300m for sale

  • I Have A 99 300m I Want To Remove The Oil Cooler Fitting

  • 2005 Chrysler 300 Tube Coolant Outlet Heater Plumbing

  • I Have A 300m 3 5l I Only Get Heat When I Drive Or Hit The

  • 33 2006 Chrysler 300 Cooling System Diagram

  • Chrysler 300m Radiator Coolant Hose Upper Lower 3 2

  • 2002 Chrysler 300m Special With Dual Radiator Fans Will

  • 33 2006 Chrysler 300 Cooling System Diagram

  • At First My 2002 Chrysler 300 M 3 5l Would Not Crank

  • 1999 Chrysler 300m Transmission Oil Cooler

  • 4596444aa

  • 2002 Chrysler 300m Special With Dual Radiator Fans Will

  • Chrysler Lhs Radiator Coolant Hose Upper Lower 3 2 U0026 3

  • 5137691aa

  • 2008 Chrysler 300 Transmission Oil Cooler U0026 Lines

  • Chrysler 300m Engine Coolant Thermostat Liter Cooling

  • 2005 Pacifica Starter Diagram

  • 4596464ac

  • 2amr2184aa

  • 4792898ad

  • Chrysler 300m Questions

  • I Am A Shop Was Not Overheating But Leaking Water Pump On

  • Chrysler Sebring Questions

  • Repair Guides

  • 4779013ac

  • 2000 Chrysler 300m Engine Diagram

  • 55038120aa

  • Chrysler Sebring Questions

  • Chrysler 300m Engine Cooling Fan Blade

  • Radiator For Dodge Intrepid Chrysler 300m Concorde Lhs 2

  • Radiator Fan Assembly Replacement 1998

  • Radiator Replacement 2001 Chrysler Lhs Install Remove

  • For Chrysler 300m 1999 2000 Engine Coolant Temperature

  • Chrysler 300m Concorde Lhs Dodge Intrepid Radiator

  • For Chrysler 300m 1999 2000 Engine Coolant Temperature

  • Engine Coolant Temperature Sensor Fits For Chrysler 300m

  • Dorman U00ae 902-3005

  • 2005 Chrysler 300 Knock Sensor Im Try 2 Locate My Knock

  • Engine Coolant Thermostat Housing 902

  • 2001 Dodge Intrepid Indicator Engine Oil Level Duty

  • 55116897aa

  • 00 01 02 03 Chrysler 300m Coolant Reservoir 671

  • 2000 Chrysler 300m Engine Diagram

  • I Want To Know If The 05 300c Radiator

  • Chrysler 300m 1999 Engine Cooling Radiator Fan Assembly

  • Mopar Radiator Cap For 1999

  • Chrysler 300m Radiator Drain Plug Liter Valve

  • Radiator Cooling Fan U0026 Motor Assembly For Chrysler 300m

  • Chrysler 300m Radiator

  • For Chrysler 300m 1999

  • Repair Guides

  • Chrysler 300 Sensor Coolant Temperature 2 5l U0026 4 0l

  • I Have A 2004 Dodge Intrepid 2 7l Eng There Is A Leak On

  • Where Is The Location Of The Thermostat For A 1999

  • Sherman U00ae

Copyright © 2020 - KOMPETENCJECYFROWE.VILOGDANSK.EU


1937 Comments