Diagram Database

Posted by on 2020-12-30

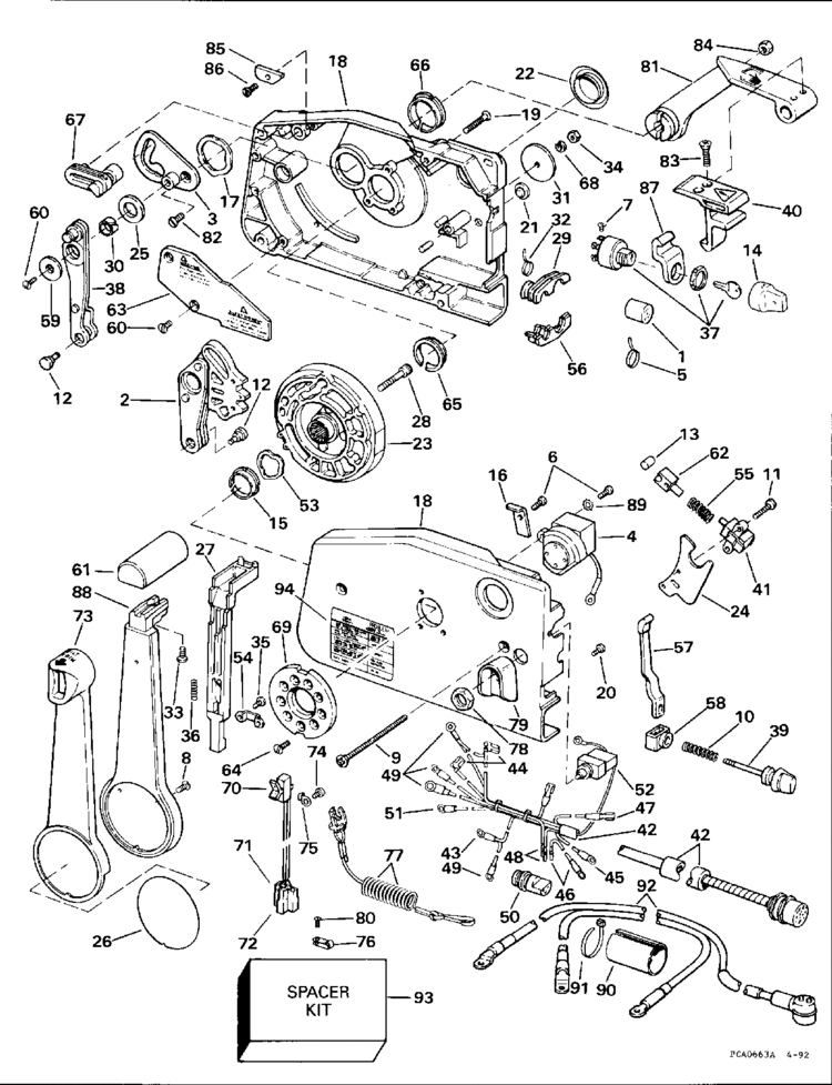
1990 Johnson 150 Wiring Diagram Picture

KOMPETENCJECYFROWE.VILOGDANSK.EU

1990 Johnson 150 Wiring Diagram Picture

  • Diagram Picture
  • Date : December 30, 2020
  • Downloaded : 6032 times

1990 Johnson 150 Wiring Diagram Picture Whats New

Johnson 150 Wiring

Downloads 1990 Johnson 150 Wiring Diagram Picture johnson 150 outboard 1990 wiring diagrams 1996 johnson 150 wiring diagram johnson 150 regulator wiring johnson 150 wiring diagram

  • J150tlcos Johnson Outboard Wiring Diagram

  • Johnson 150 Not Running Need Help

  • Need Wiring Help Diagram Helm End Of Harness Johnson

  • Johnson Wiring Diagram Starter

  • I Have A 1997 Fast Strike 150 The Water Temp Alarm Light

  • Johnson Midsection Parts For 1996 150hp Sj150wtpxb

  • Slow Maybe

  • Johnson Fuel Bracket U0026 Components Parts For 1999 150hp

  • Johnson Ignition System Parts For 1992 150hp J150glenc

  • Johnson Gearcase Parts For 1996 150hp Sj150wtplb Outboard

  • I Need A Wiring Diagram For A 2000 Ocean Pro 150 Hp

  • Johnson 1995 150 - J150wtxeor Gearcase

  • Johnson Remote Control Parts For 1994 150hp J150wtlerv

  • 1998 Evinrude 150 Hp Ficht Key Switch Wiring Diagram

  • Johnson Ignition System Parts For 1986 150hp J150stlcdc

  • 1985 15 Hp Johnson Outboard Stalled Out

  • Brp

  • 2005 Johnson Outputting 16 5v Bad Voltage Regulator

  • I Got A 1986 25 Hp I Took All The Wires Off To Change

  • Johnson Intake Manifold Parts For 1990 150hp J150txesb

  • Johnson 1982 150 - J150tlcnm Ignition System

  • Johnson Cylinder U0026 Crankcase Parts For 2003 150hp

  • 35 Hp Johnson Manual Free Programs Utilities And Apps

  • Omc Boat Technical Info

  • Johnson 1994 150 - J150nxarv Engine Cover Johnson

  • Johnson Vro2 Pump Parts For 1990 150hp Tj150slesb Outboard

  • Johnson Outboard Parts By Year 1998 Oem Parts Diagram For

  • 1998 Evinrude 150 Hp Ficht Key Switch Wiring Diagram

  • Boatered

  • Johnson Outboard Parts By Year 1995 Oem Parts Diagram For

  • 2004 175hp Johnson Wiring Diagram

  • Johnson Outboard Parts By Hp 150hp Oem Parts Diagram For

  • 50 Hp Evinrude Wiring Diagram

  • 1992 Javelin 409t W 200 Hp Outboard That Power Trim Does

  • 2015 Ford F 150 Trailer Wiring Diagram

  • Johnson Exhaust Housing Parts For 2000 150hp J150vxsss

  • J150tlcos Johnson Outboard Wiring Diagram

  • Johnson Outboard Parts By Year 1991 Oem Parts Diagram For

  • J150tlcos Johnson Outboard Wiring Diagram

  • Need Wiring Help Diagram Helm End Of Harness Johnson

  • 1998 Evinrude 150 Hp Ficht Key Switch Wiring Diagram

  • Johnson Evinrude Motor Cable Wiring Harness 586028 0586028

  • Johnson 1995 150

  • Johnson Fuel Pump Parts For 1982 150hp J150tlcnm Outboard

  • 1981 Johnson 140 Hp Wiring Diagram

  • Bracket 1

  • Tomberlin Crossfire 150 Wiring Diagram

  • Evinrude 150 Wiring Diagram

Copyright © 2020 - KOMPETENCJECYFROWE.VILOGDANSK.EU


1937 Comments